
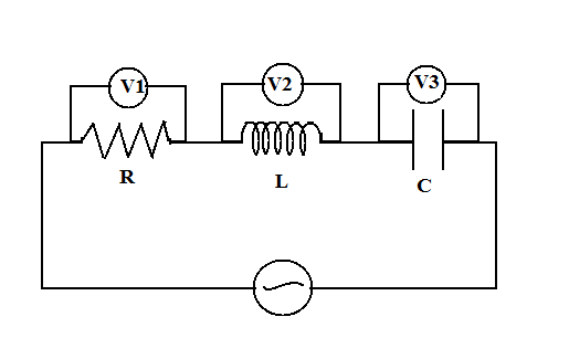
Reading of the voltmeter is ${V_1} = 40V$, ${V_2} = 40V$ and ${V_3} = 10V$. Find:

1. ${i_0}, {i_{rms}}, i(t)$
2. ${\varepsilon _0}$
3. $L$ and $C$
Answer
242.4k+ views
Hint: All three are in series and the current in series is the same. This means the value of current should be the same through all the three elements. However the voltage across the capacitor lags from the voltage across the resistor and the voltage across the resistor lags from voltage across the inductor.
Complete step by step solution:
Although the speed of gaseous particles is continuously changing, the velocity distribution does not change. It is difficult to calculate the speed of each single particle, but often we reason for the average behaviour of the particles. Particles that travel in comparison have opposite sign speeds. Since a gas' particles are in random motion, it is plausible that there will be about as many moving in one direction as in the opposite direction, meaning that the average velocity for a collection of gas particles equals zero; as this value is unhelpful, the average of velocities can be determined using an alternative method.
${i_ {rms}} = \dfrac{{{V_1}}}{R}$
Where, ${i_ {rms}} $ is root mean square velocity
$ \Rightarrow {i_ {rms}} = \dfrac{{40}}{4} = 10A$
Formula for ${i_0} $ which is the current produced by the voltage source.
${i_0} = \sqrt 2 {i_ {rms}} $
$ \Rightarrow {i_0} = 10\sqrt 2 A$
${\varepsilon _0} $ is the voltage.
${\varepsilon _0} = \dfrac{{{E_0}}}{{\sqrt 2}}\sqrt {{V^2} _1 + {{({V_2} - {V_1})} ^2}} $
$ \Rightarrow {\varepsilon _0} = \dfrac{{{E_0}}}{{\sqrt 2}}\sqrt {{{40} ^2} + {{(40 - 10)} ^2}} $
$ \Rightarrow {\varepsilon _0} = 50V$
Now,
${X_L} = (\omega L) = \dfrac{{{V_2}}}{{{i_{rms}}}}$
Where, ${X_L} $ is Inductive Reactance
$ \Rightarrow {X_L} = 4\Omega $
$L = \dfrac{4}{\omega} = \dfrac{4}{{100\pi}}H $
$ \Rightarrow L = \dfrac{1}{{25\pi}}$
Where, ${X_C} $ is Capacitive Reactance
${X_C} = \omega C = \dfrac{{{V_1}}}{{{i_{rms}}}}$
$ \Rightarrow {X_C} = 1\Omega $
$ \Rightarrow C = \dfrac{1}{\omega} = \dfrac{1}{{100\pi}}F $
Note: By squaring speeds and taking the square root, we conquer the 'directional' component of speed and at the same time achieve the average speed of the particles. As the value lacks the trajectory of the particles, the average speed is now referred to as the value. Root-medium-square velocity is the calculation of particle speed in a gas described by the square root of the average molecular velocity square of a gas.
Complete step by step solution:
Although the speed of gaseous particles is continuously changing, the velocity distribution does not change. It is difficult to calculate the speed of each single particle, but often we reason for the average behaviour of the particles. Particles that travel in comparison have opposite sign speeds. Since a gas' particles are in random motion, it is plausible that there will be about as many moving in one direction as in the opposite direction, meaning that the average velocity for a collection of gas particles equals zero; as this value is unhelpful, the average of velocities can be determined using an alternative method.
${i_ {rms}} = \dfrac{{{V_1}}}{R}$
Where, ${i_ {rms}} $ is root mean square velocity
$ \Rightarrow {i_ {rms}} = \dfrac{{40}}{4} = 10A$
Formula for ${i_0} $ which is the current produced by the voltage source.
${i_0} = \sqrt 2 {i_ {rms}} $
$ \Rightarrow {i_0} = 10\sqrt 2 A$
${\varepsilon _0} $ is the voltage.
${\varepsilon _0} = \dfrac{{{E_0}}}{{\sqrt 2}}\sqrt {{V^2} _1 + {{({V_2} - {V_1})} ^2}} $
$ \Rightarrow {\varepsilon _0} = \dfrac{{{E_0}}}{{\sqrt 2}}\sqrt {{{40} ^2} + {{(40 - 10)} ^2}} $
$ \Rightarrow {\varepsilon _0} = 50V$
Now,
${X_L} = (\omega L) = \dfrac{{{V_2}}}{{{i_{rms}}}}$
Where, ${X_L} $ is Inductive Reactance
$ \Rightarrow {X_L} = 4\Omega $
$L = \dfrac{4}{\omega} = \dfrac{4}{{100\pi}}H $
$ \Rightarrow L = \dfrac{1}{{25\pi}}$
Where, ${X_C} $ is Capacitive Reactance
${X_C} = \omega C = \dfrac{{{V_1}}}{{{i_{rms}}}}$
$ \Rightarrow {X_C} = 1\Omega $
$ \Rightarrow C = \dfrac{1}{\omega} = \dfrac{1}{{100\pi}}F $
Note: By squaring speeds and taking the square root, we conquer the 'directional' component of speed and at the same time achieve the average speed of the particles. As the value lacks the trajectory of the particles, the average speed is now referred to as the value. Root-medium-square velocity is the calculation of particle speed in a gas described by the square root of the average molecular velocity square of a gas.
Recently Updated Pages
WBJEE 2026 Registration Started: Important Dates Eligibility Syllabus Exam Pattern

JEE Main 2025-26 Mock Tests: Free Practice Papers & Solutions

JEE Main 2025-26 Experimental Skills Mock Test – Free Practice

JEE Main 2025-26 Electronic Devices Mock Test: Free Practice Online

JEE Main 2025-26 Atoms and Nuclei Mock Test – Free Practice Online

JEE Main 2025-26: Magnetic Effects of Current & Magnetism Mock Test

Trending doubts
JEE Main 2026: Session 1 Results Out and Session 2 Registration Open, City Intimation Slip, Exam Dates, Syllabus & Eligibility

Ideal and Non-Ideal Solutions Explained for Class 12 Chemistry

JEE Main Participating Colleges 2026 - A Complete List of Top Colleges

Understanding the Angle of Deviation in a Prism

Hybridisation in Chemistry – Concept, Types & Applications

Understanding the Electric Field of a Uniformly Charged Ring

Other Pages
CBSE Class 12 Physics Question Paper 2026: Download SET-wise PDF with Answer Key & Analysis

JEE Advanced Marks vs Ranks 2025: Understanding Category-wise Qualifying Marks and Previous Year Cut-offs

Dual Nature of Radiation and Matter Class 12 Physics Chapter 11 CBSE Notes - 2025-26

CBSE Class 10 Sanskrit Set 4 52 Question Paper 2025 – PDF, Solutions & Analysis

JEE Advanced 2026 - Exam Date (Released), Syllabus, Registration, Eligibility, Preparation, and More

JEE Advanced Weightage 2025 Chapter-Wise for Physics, Maths and Chemistry

