
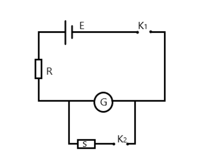
In an experiment to determine the resistance of a galvanometer by half deflection method, the circuit shown is used. In one set of readings, if \[R = 10\Omega \] and \[S = 4\Omega \], then the resistance of the galvanometer is:

(A) \[\dfrac{{20}}{3}\Omega \]
(B) \[\dfrac{{40}}{3}\Omega \]
(C) \[\dfrac{{50}}{3}\Omega \]
(D) \[\dfrac{{70}}{3}\Omega \]
Answer
225.3k+ views
Hint: In half deflection method, the value of the resistance across the resistor is such that the deflection made will be half that of the current when the resistance was disconnected. The current is directly proportional to the deflection of a galvanometer pointer.
Formula used: In this solution we will be using the following formulae;
\[G = \dfrac{{RS}}{{R - S}}\] where \[G\] is the resistance of the galvanometer, \[R\] is the resistance in the main circuit and \[S\] is the resistance across the galvanometer
Complete step by step solution:
Generally, the formula using half deflection method the resistance of a galvanometer is given as
\[G = \dfrac{{RS}}{{R - S}}\] where \[G\] is the resistance of the galvanometer, \[R\] is the resistance in the main circuit and \[S\] is the resistance across the galvanometer
Hence, by inserting known values, we have
\[G = \dfrac{{10\left( 4 \right)}}{{10 - 4}} = \dfrac{{40}}{6}\Omega \]
\[ \Rightarrow G = \dfrac{{20}}{3}\Omega \]
Hence, the correct option is A
Note: For clarity, the formula used can be proven as follows:
First, let’s assume the key \[{K_1}\] is the only closed key. In this case the current flowing through the circuit, and hence through \[G\] will be
\[{I_G} = \dfrac{E}{{R + G}}\]
Generally, the deflection shown in the galvanometer is proportional to the current flowing through it. Hence,
\[{I_G} = k\theta \]
Then
\[\dfrac{S}{{S + G}}I = \dfrac{{k\theta }}{2}\]
Now, assuming we close the key \[{K_2}\], it can be proven that the current flowing through the galvanometer becomes
\[I{'_G} = \dfrac{S}{{S + G}}I\]where\[I\] is the new current flowing through the main circuit, hence the current flowing through \[R\].
In the half deflection method, the value of S is adjusted such that the deflection is half of the original value when the key \[{K_2}\] was not closed.
Thus,
\[I{'_G} = \dfrac{{k\theta }}{2}\].
\[ \Rightarrow \dfrac{S}{{S + G}}I = \dfrac{{k\theta }}{2}\]
Dividing equation above by \[\dfrac{S}{{S + G}}I = \dfrac{{k\theta }}{2}\], and simplifying, we have
\[\dfrac{{SI(R + G)}}{{E(S + G)}} = \dfrac{1}{2}\]
Now, the equivalent resistance of the circuit is
\[{R_{eq}} = R + \dfrac{{SG}}{{S + G}}\]. Then the current would be
\[I = \dfrac{E}{{{R_{eq}}}} = \dfrac{E}{{R + \dfrac{{SG}}{{S + G}}}}\]
Then substituting into \[\dfrac{{SI(R + G)}}{{E(S + G)}} = \dfrac{1}{2}\] and then simplifying to make \[G\] subject, we have
\[G = \dfrac{{RS}}{{R - S}}\]
Formula used: In this solution we will be using the following formulae;
\[G = \dfrac{{RS}}{{R - S}}\] where \[G\] is the resistance of the galvanometer, \[R\] is the resistance in the main circuit and \[S\] is the resistance across the galvanometer
Complete step by step solution:
Generally, the formula using half deflection method the resistance of a galvanometer is given as
\[G = \dfrac{{RS}}{{R - S}}\] where \[G\] is the resistance of the galvanometer, \[R\] is the resistance in the main circuit and \[S\] is the resistance across the galvanometer
Hence, by inserting known values, we have
\[G = \dfrac{{10\left( 4 \right)}}{{10 - 4}} = \dfrac{{40}}{6}\Omega \]
\[ \Rightarrow G = \dfrac{{20}}{3}\Omega \]
Hence, the correct option is A
Note: For clarity, the formula used can be proven as follows:
First, let’s assume the key \[{K_1}\] is the only closed key. In this case the current flowing through the circuit, and hence through \[G\] will be
\[{I_G} = \dfrac{E}{{R + G}}\]
Generally, the deflection shown in the galvanometer is proportional to the current flowing through it. Hence,
\[{I_G} = k\theta \]
Then
\[\dfrac{S}{{S + G}}I = \dfrac{{k\theta }}{2}\]
Now, assuming we close the key \[{K_2}\], it can be proven that the current flowing through the galvanometer becomes
\[I{'_G} = \dfrac{S}{{S + G}}I\]where\[I\] is the new current flowing through the main circuit, hence the current flowing through \[R\].
In the half deflection method, the value of S is adjusted such that the deflection is half of the original value when the key \[{K_2}\] was not closed.
Thus,
\[I{'_G} = \dfrac{{k\theta }}{2}\].
\[ \Rightarrow \dfrac{S}{{S + G}}I = \dfrac{{k\theta }}{2}\]
Dividing equation above by \[\dfrac{S}{{S + G}}I = \dfrac{{k\theta }}{2}\], and simplifying, we have
\[\dfrac{{SI(R + G)}}{{E(S + G)}} = \dfrac{1}{2}\]
Now, the equivalent resistance of the circuit is
\[{R_{eq}} = R + \dfrac{{SG}}{{S + G}}\]. Then the current would be
\[I = \dfrac{E}{{{R_{eq}}}} = \dfrac{E}{{R + \dfrac{{SG}}{{S + G}}}}\]
Then substituting into \[\dfrac{{SI(R + G)}}{{E(S + G)}} = \dfrac{1}{2}\] and then simplifying to make \[G\] subject, we have
\[G = \dfrac{{RS}}{{R - S}}\]
Recently Updated Pages
JEE Main 2025-26 Experimental Skills Mock Test – Free Practice

JEE Main 2025-26: Magnetic Effects of Current & Magnetism Mock Test

JEE Main 2025-26 Atoms and Nuclei Mock Test – Free Practice Online

JEE Main Mock Test 2025-26: Optics Chapter Practice Online

The work done in slowly moving an electron of charge class 12 physics JEE_Main

The value of the resistor RS needed in the DC voltage class 12 physics JEE_Main

Trending doubts
JEE Main 2026: City Intimation Slip and Exam Dates Released, Application Form Closed, Syllabus & Eligibility

JEE Main 2026 Application Login: Direct Link, Registration, Form Fill, and Steps

Understanding the Angle of Deviation in a Prism

Hybridisation in Chemistry – Concept, Types & Applications

How to Convert a Galvanometer into an Ammeter or Voltmeter

Ideal and Non-Ideal Solutions Explained for Class 12 Chemistry

Other Pages
JEE Advanced Marks vs Ranks 2025: Understanding Category-wise Qualifying Marks and Previous Year Cut-offs

JEE Advanced 2026 - Exam Date (Released), Syllabus, Registration, Eligibility, Preparation, and More

JEE Advanced 2026 - Exam Date (Released), Syllabus, Registration, Eligibility, Preparation, and More

Dual Nature of Radiation and Matter Class 12 Physics Chapter 11 CBSE Notes - 2025-26

Understanding Atomic Structure for Beginners

Understanding Electromagnetic Waves and Their Importance

