
In a galvanometer, the deflection becomes one-half when the galvanometer is shunted by a \[20\Omega \] resistor. The galvanometer resistance is
A. \[5\Omega \]
B. \[10\Omega \]
C. \[40\Omega \]
D. \[20\Omega \]

Answer
220.5k+ views
Hint:hunt is generated by a resistor with an extremely low resistance value linked in parallel with another resistor. A shunt resistance can be used to broaden the range of an ammeter's readings. In the galvanometer, the shunt is used to measure the big current.
Formula Used:
The ohm’s law formula is used to calculate the resistance of the galvanometer is as follows:
\[I = \dfrac{V}{R}\]
Here, \[I\] is current, \[V\] is voltage, and \[R\] is resistance.
Complete step by step solution:
If the temperature and other physical variables stay constant, Ohm's Law asserts that the current flowing across a conductor is proportional to the potential difference applied across its ends.
Through a resistor, a current is proportional to voltage difference. In that instance, if the current doubles, the voltage doubles as well. A voltage must be applied across a resistance for current to flow through it. From the ohm’s law, we can calculate the voltage by using the equation as follows:
\[V = IR\]
Here, the current is divided but the voltage remains unchanged. From the above equation, we can say that
\[{I_1}{R_1} = {I_2}{R_2}\]
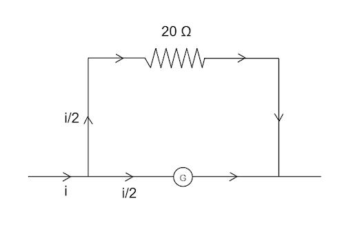
From the given diagram,
Current passing through resistor, \[{I_1} = \dfrac{i}{2}\]
Current passing through galvanometer,\[{I_2} = \dfrac{i}{2}\] \[\]
Resistance of resistor, \[{R_1} = 20\Omega \]
Resistance of galvanometer,\[{R_2} = R\]
Substitute the value as follows:
\[\dfrac{i}{2} \times 20\Omega = \dfrac{i}{2} \times R \\
\therefore R = 20\Omega \\ \]
The galvanometer resistance in the given circuit is \[20\Omega \].
Therefore, the correct answer is option D.
Additional Information: The empirical law known as Ohm's law asserts that current is proportional to the electric field in its most general form. However, this generalisation does not apply to all materials. In the presence of a very strong electric field, some materials can break down, but in the presence of modest electric fields, some materials do not obey this law.
Note:Because unilateral electrical elements like diodes and transistors only allow current to flow in one way, Ohm's law does not apply to them. The ratio of voltage and current will not be constant concerning time for non-linear electrical elements with properties such as capacitance, resistance, and so on, making Ohm's law difficult to apply.
Formula Used:
The ohm’s law formula is used to calculate the resistance of the galvanometer is as follows:
\[I = \dfrac{V}{R}\]
Here, \[I\] is current, \[V\] is voltage, and \[R\] is resistance.
Complete step by step solution:
If the temperature and other physical variables stay constant, Ohm's Law asserts that the current flowing across a conductor is proportional to the potential difference applied across its ends.
Through a resistor, a current is proportional to voltage difference. In that instance, if the current doubles, the voltage doubles as well. A voltage must be applied across a resistance for current to flow through it. From the ohm’s law, we can calculate the voltage by using the equation as follows:
\[V = IR\]
Here, the current is divided but the voltage remains unchanged. From the above equation, we can say that
\[{I_1}{R_1} = {I_2}{R_2}\]
From the given diagram,
Current passing through resistor, \[{I_1} = \dfrac{i}{2}\]
Current passing through galvanometer,\[{I_2} = \dfrac{i}{2}\] \[\]
Resistance of resistor, \[{R_1} = 20\Omega \]
Resistance of galvanometer,\[{R_2} = R\]
Substitute the value as follows:
\[\dfrac{i}{2} \times 20\Omega = \dfrac{i}{2} \times R \\
\therefore R = 20\Omega \\ \]
The galvanometer resistance in the given circuit is \[20\Omega \].
Therefore, the correct answer is option D.
Additional Information: The empirical law known as Ohm's law asserts that current is proportional to the electric field in its most general form. However, this generalisation does not apply to all materials. In the presence of a very strong electric field, some materials can break down, but in the presence of modest electric fields, some materials do not obey this law.
Note:Because unilateral electrical elements like diodes and transistors only allow current to flow in one way, Ohm's law does not apply to them. The ratio of voltage and current will not be constant concerning time for non-linear electrical elements with properties such as capacitance, resistance, and so on, making Ohm's law difficult to apply.
Recently Updated Pages
[Awaiting input: Please provide the content from "Ask AI Response," "Competitor 1," and "Competitor 2," so I can perform the analysis and synthesize the requested metadata and headings.]

Young’s Double Slit Experiment Derivation Explained

A square frame of side 10 cm and a long straight wire class 12 physics JEE_Main

The work done in slowly moving an electron of charge class 12 physics JEE_Main

Two identical charged spheres suspended from a common class 12 physics JEE_Main

According to Bohrs theory the timeaveraged magnetic class 12 physics JEE_Main

Trending doubts
JEE Main 2026: Application Form Open, Exam Dates, Syllabus, Eligibility & Question Papers

Understanding Uniform Acceleration in Physics

Derivation of Equation of Trajectory Explained for Students

Hybridisation in Chemistry – Concept, Types & Applications

Understanding the Angle of Deviation in a Prism

How to Convert a Galvanometer into an Ammeter or Voltmeter

Other Pages
JEE Advanced Marks vs Ranks 2025: Understanding Category-wise Qualifying Marks and Previous Year Cut-offs

Dual Nature of Radiation and Matter Class 12 Physics Chapter 11 CBSE Notes - 2025-26

Degree of Dissociation: Meaning, Formula, Calculation & Uses

Ideal and Non-Ideal Solutions Explained for Class 12 Chemistry

Understanding the Electric Field of a Uniformly Charged Ring

Understanding Electromagnetic Waves and Their Importance

