
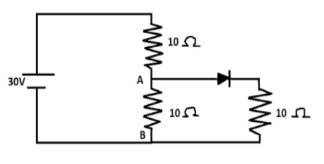
Find the potential difference between the points A and B, ${V_{AB}}$:

A) $10V$
B) $20V$
C) $30V$
D) $None$
Answer
232.8k+ views
Hint: In order to solve this question, the concept of forward and reverse bias of the diode is important. See the circuit carefully and find out whether the diode is connected in forward bias or reverse bias. Also, carefully calculate the resistance across the branch $AB$ so that the potential difference can be calculated carefully.
Complete step by step solution:
Here in this circuit the diode shown is connected in forward bias.
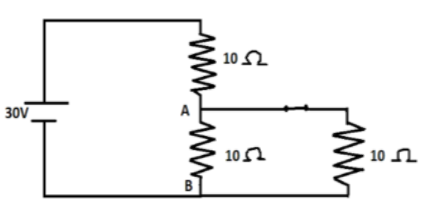
As we can see that the positive terminal of the given battery of $30V$ is connected to the positive terminal of the diode shown in the given circuit. So the given circuit diagram in the question can be redrawn as the diagram shown below:

Here in the above circuit diagram the resistor $AB$ of $10\Omega $ is in parallel combination with an another resistor of $10\Omega $ so their combined resistance would be,
$\dfrac{1}{{{R'}}} = \dfrac{1}{{10}} + \dfrac{1}{{10}} = \dfrac{2}{{10}}$
On simplifying we get,
${R'} = \dfrac{{10}}{2} = 5\Omega $
Now the combined resistance of the circuit is given by,
$R = 10\Omega + 5\Omega $
On simplifying we get,
$R = 15\Omega $
Here the current flowing through the circuit is given by the expression,
$I = \dfrac{V}{R}$
Now putting the values of $V$ and $R$ . We have,
$I = \dfrac{{30V}}{{15\Omega }}$
Now the potential difference across $AB$ is given by,
${V_{AB}} = I{R_{AB}}$
Putting the values we have,
${V_{AB}} = \dfrac{{30V}}{{15\Omega }} \times 5\Omega $
On solving we have,
${V_{AB}} = 10V$
So, the potential drop across $AB$ is $10V$.
Note: Forward biasing is the condition in which the external voltage is delivered across the P-N junction diode. In the condition of forward bias setup, the P-side of the diode is connected to the positive terminal and N-side is attached to the negative side of the battery.
Complete step by step solution:
Here in this circuit the diode shown is connected in forward bias.
As we can see that the positive terminal of the given battery of $30V$ is connected to the positive terminal of the diode shown in the given circuit. So the given circuit diagram in the question can be redrawn as the diagram shown below:

Here in the above circuit diagram the resistor $AB$ of $10\Omega $ is in parallel combination with an another resistor of $10\Omega $ so their combined resistance would be,
$\dfrac{1}{{{R'}}} = \dfrac{1}{{10}} + \dfrac{1}{{10}} = \dfrac{2}{{10}}$
On simplifying we get,
${R'} = \dfrac{{10}}{2} = 5\Omega $
Now the combined resistance of the circuit is given by,
$R = 10\Omega + 5\Omega $
On simplifying we get,
$R = 15\Omega $
Here the current flowing through the circuit is given by the expression,
$I = \dfrac{V}{R}$
Now putting the values of $V$ and $R$ . We have,
$I = \dfrac{{30V}}{{15\Omega }}$
Now the potential difference across $AB$ is given by,
${V_{AB}} = I{R_{AB}}$
Putting the values we have,
${V_{AB}} = \dfrac{{30V}}{{15\Omega }} \times 5\Omega $
On solving we have,
${V_{AB}} = 10V$
So, the potential drop across $AB$ is $10V$.
Note: Forward biasing is the condition in which the external voltage is delivered across the P-N junction diode. In the condition of forward bias setup, the P-side of the diode is connected to the positive terminal and N-side is attached to the negative side of the battery.
Recently Updated Pages
Circuit Switching vs Packet Switching: Key Differences Explained

JEE General Topics in Chemistry Important Concepts and Tips

JEE Extractive Metallurgy Important Concepts and Tips for Exam Preparation

JEE Amino Acids and Peptides Important Concepts and Tips for Exam Preparation

JEE Atomic Structure and Chemical Bonding important Concepts and Tips

Electricity and Magnetism Explained: Key Concepts & Applications

Trending doubts
JEE Main 2026: Session 2 Registration Open, City Intimation Slip, Exam Dates, Syllabus & Eligibility

JEE Main 2026 Application Login: Direct Link, Registration, Form Fill, and Steps

JEE Main Marking Scheme 2026- Paper-Wise Marks Distribution and Negative Marking Details

Understanding the Angle of Deviation in a Prism

Hybridisation in Chemistry – Concept, Types & Applications

How to Convert a Galvanometer into an Ammeter or Voltmeter

Other Pages
JEE Advanced Marks vs Ranks 2025: Understanding Category-wise Qualifying Marks and Previous Year Cut-offs

Dual Nature of Radiation and Matter Class 12 Physics Chapter 11 CBSE Notes - 2025-26

Understanding Uniform Acceleration in Physics

Understanding the Electric Field of a Uniformly Charged Ring

JEE Advanced Weightage 2025 Chapter-Wise for Physics, Maths and Chemistry

Derivation of Equation of Trajectory Explained for Students

