
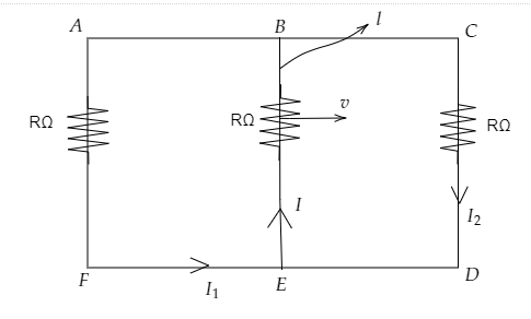
A rectangular loop has a sliding connector $BE$ of length $l$ and resistance $R\Omega$, and it is moving with a speed of $v$ as shown. The set-up is placed in a uniform magnetic field going into the plane of the paper. The currents ${{I}_{1}}$, ${{I}_{2}}$ and $I$ are:

A) ${{I}_{1}}={{I}_{2}}=\dfrac{Blv}{R},I=\dfrac{2Blv}{R}$
B) ${{I}_{1}}={{I}_{2}}=\dfrac{Blv}{3R},I=\dfrac{2Blv}{3R}$
C) ${{I}_{1}}={{I}_{2}}=I=\dfrac{Blv}{R}$
D) ${{I}_{1}}={{I}_{2}}=\dfrac{Blv}{6R},I=\dfrac{Blv}{3R}$
Answer
232.8k+ views
Hint: Suppose a wire is placed in a magnetic field and goes through the relative motion with respect to the magnetic field, then the charges at rest in the wire experience a force by the magnetic field. This force is the charge times the cross product of the velocity of the wire and the magnetic field, i.e., $\vec{F}=q(\vec{v}\times \vec{B})$.
If the wire is stationary, it has zero velocity; hence it does not experience any force.
Complete step by step solution:
Due to the force exerted and work done by the magnetic field on the charges of the wire, the charges are set into motion inducing an electric current in the wire. The work done by the magnetic field acts as if some voltage or potential difference (or electromotive force) is applied across the wire.
Work done $(W)$ = force $(\vec{F}=q(\vec{v}\times \vec{B}))$ $\times$ displacement
Work done per unit charge on a wire of length $l$ such that displacement of the charges is $l$ is given by:
$\Rightarrow \dfrac{W}{q}=l.(\vec{v}\times \vec{B})$
$\therefore emf=Voltage=lvb\sin {{90}^{\circ }}=Blv$
Applying Kirchhoff’s first law, namely, Kirchhoff’s Current law at the node $E$,
$I={{I}_{1}}+{{I}_{2}}$………………….. Equation (1)
Applying Kirchhoff’s second law, namely, Kirchhoff’s Voltage law;
In loop AFEBA,
${{I}_{1}}R+IR-vBl=0$…………… equation (2)
In loop BCDEB,
${{I}_{2}}R+IR-vBl=0$…………………….equation (3)
Adding equations (2) and (3);
$\Rightarrow 2IR+({{I}_{1}}+{{I}_{2}})R=2vBl$
Substituting the value of $({{I}_{1}}+{{I}_{2}})$ from equation (1):
$\Rightarrow 2IR+IR=2vBl$
$\Rightarrow 3IR=2vBl$
$\therefore I=\dfrac{2vBl}{3R}$
Further substituting the value of $I$ in equation (2) to find the value of ${{I}_{1}}$:
$\Rightarrow {{I}_{1}}R+(\dfrac{2vBl}{3R})R=vBl$
$\Rightarrow {{I}_{1}}R=vBl-\dfrac{2vBl}{3}$
$\therefore {{I}_{1}}=\dfrac{vBl}{3R}$
Now, substituting the value of $I$ and ${{I}_{1}}$ in equation (1) to find ${{I}_{2}}$:
$\Rightarrow \dfrac{2vBl}{3R}=\dfrac{vBl}{3R}+{{I}_{2}}$
$\Rightarrow {{I}_{2}}=\dfrac{vBl}{3R}$
Therefore, the correct answer is [B], ${{I}_{1}}={{I}_{2}}=\dfrac{Blv}{3R},I=\dfrac{2Blv}{3R}$.
Note: Kirchhoff’s Current law states that the total current entering at a node is equal to the total current exiting the node, and Kirchhoff’s voltage law states that the sum of voltages around a loop is zero. The direction of the force is given the Flemings’ Left-hand rule.
If the wire is stationary, it has zero velocity; hence it does not experience any force.
Complete step by step solution:
Due to the force exerted and work done by the magnetic field on the charges of the wire, the charges are set into motion inducing an electric current in the wire. The work done by the magnetic field acts as if some voltage or potential difference (or electromotive force) is applied across the wire.
Work done $(W)$ = force $(\vec{F}=q(\vec{v}\times \vec{B}))$ $\times$ displacement
Work done per unit charge on a wire of length $l$ such that displacement of the charges is $l$ is given by:
$\Rightarrow \dfrac{W}{q}=l.(\vec{v}\times \vec{B})$
$\therefore emf=Voltage=lvb\sin {{90}^{\circ }}=Blv$
Applying Kirchhoff’s first law, namely, Kirchhoff’s Current law at the node $E$,
$I={{I}_{1}}+{{I}_{2}}$………………….. Equation (1)
Applying Kirchhoff’s second law, namely, Kirchhoff’s Voltage law;
In loop AFEBA,
${{I}_{1}}R+IR-vBl=0$…………… equation (2)
In loop BCDEB,
${{I}_{2}}R+IR-vBl=0$…………………….equation (3)
Adding equations (2) and (3);
$\Rightarrow 2IR+({{I}_{1}}+{{I}_{2}})R=2vBl$
Substituting the value of $({{I}_{1}}+{{I}_{2}})$ from equation (1):
$\Rightarrow 2IR+IR=2vBl$
$\Rightarrow 3IR=2vBl$
$\therefore I=\dfrac{2vBl}{3R}$
Further substituting the value of $I$ in equation (2) to find the value of ${{I}_{1}}$:
$\Rightarrow {{I}_{1}}R+(\dfrac{2vBl}{3R})R=vBl$
$\Rightarrow {{I}_{1}}R=vBl-\dfrac{2vBl}{3}$
$\therefore {{I}_{1}}=\dfrac{vBl}{3R}$
Now, substituting the value of $I$ and ${{I}_{1}}$ in equation (1) to find ${{I}_{2}}$:
$\Rightarrow \dfrac{2vBl}{3R}=\dfrac{vBl}{3R}+{{I}_{2}}$
$\Rightarrow {{I}_{2}}=\dfrac{vBl}{3R}$
Therefore, the correct answer is [B], ${{I}_{1}}={{I}_{2}}=\dfrac{Blv}{3R},I=\dfrac{2Blv}{3R}$.
Note: Kirchhoff’s Current law states that the total current entering at a node is equal to the total current exiting the node, and Kirchhoff’s voltage law states that the sum of voltages around a loop is zero. The direction of the force is given the Flemings’ Left-hand rule.
Recently Updated Pages
JEE Main 2023 April 6 Shift 1 Question Paper with Answer Key

JEE Main 2023 April 6 Shift 2 Question Paper with Answer Key

JEE Main 2023 (January 31 Evening Shift) Question Paper with Solutions [PDF]

JEE Main 2023 January 30 Shift 2 Question Paper with Answer Key

JEE Main 2023 January 25 Shift 1 Question Paper with Answer Key

JEE Main 2023 January 24 Shift 2 Question Paper with Answer Key

Trending doubts
JEE Main 2026: Session 2 Registration Open, City Intimation Slip, Exam Dates, Syllabus & Eligibility

JEE Main 2026 Application Login: Direct Link, Registration, Form Fill, and Steps

Understanding the Angle of Deviation in a Prism

Hybridisation in Chemistry – Concept, Types & Applications

How to Convert a Galvanometer into an Ammeter or Voltmeter

Understanding Uniform Acceleration in Physics

Other Pages
JEE Advanced Marks vs Ranks 2025: Understanding Category-wise Qualifying Marks and Previous Year Cut-offs

Dual Nature of Radiation and Matter Class 12 Physics Chapter 11 CBSE Notes - 2025-26

Understanding the Electric Field of a Uniformly Charged Ring

JEE Advanced Weightage 2025 Chapter-Wise for Physics, Maths and Chemistry

Derivation of Equation of Trajectory Explained for Students

Understanding Electromagnetic Waves and Their Importance

