
Draw the circuit of a full wave rectifier using two p-n junction diodes and explain its working. Show the input and output waveforms?
Answer
582.9k+ views
Hint: An electrical device that converts A.C input signal into D.C output signal is known as a rectifier. The direct current flows only in one direction.
Complete step by step answer:
A full-wave rectifier converts the whole of the input waveform to one of constant polarity (either positive or negative) at its output. Mathematically, this corresponds to the absolute value function. In a half wave rectifier there are two diodes and a center tapped transformer, or four diodes in a bridge configuration and any AC source.
Characteristics of full wave rectifier:
Ripple factor:
The ratio of the root mean square value of A.C output voltage to the D.C input voltage is known as the Ripple factor.
\[Ripplefactor = \sqrt {{{\left( {\dfrac{{{V_{rms}}}}{{{V_{DC}}}}} \right)}^2}} - 1\]
Where,
\[{V_{rms}}\] is the voltage of the root mean square.
\[{V_{DC}}\]is the D.C voltage.
D.C current:
${I_{D.C}} = \dfrac{{2{I_{\max }}}}{\pi }$
Where,
${I_{D.C}}$ is the D.C current
D.C output voltage:
Output voltage is obtained at the load resistor ${R_l}$. It is given as:
${V_{D.C}} = \dfrac{{2{V_{\max }}}}{\pi }$
Where ${V_{D.C}}$is the D.C Voltage.
Efficiency of a full wave rectifier is $81.2\% $.
Types of full wave rectifier:
Two diodes full wave rectifier
Bridge rectifier
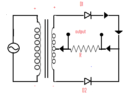
Following is the circuit diagram of a full wave rectifier.
From the diagram, it is given that,
D1, D2 are two diodes
Rl is the load resistor
Working of a full wave rectifier: during the first half of the input cycle, the upper end of the coil is at positive potential and lower end at negative potential. The forward biased is Diode 1 and reversed biased id Diode 2. The current flows in output load as shown in the figure. During the second half D1 is reverse biased and D2 is forward biased. Current will flow in the lower circuit. This way the current flows in one direction.
Following is the output wave form of full wave rectifier.
Advantages:
Full wave rectifier has more efficiency compared to the half-wave rectifier.
The power loss is very low.
The ripples generated are less.
Disadvantages:
Very expensive.
Note:
When only one part of the A.C input signal is rectified it is known as Half- wave rectifier.
The half wave rectifiers have both positive and negative wave cycles. During the positive half of the input the current flows from positive to negative making the forward biased. During the negative half cycle the input current flows from negative to positive making the diode reversed biased.
The rectifier efficiency for the half wave is $40.6\% $.
Complete step by step answer:
A full-wave rectifier converts the whole of the input waveform to one of constant polarity (either positive or negative) at its output. Mathematically, this corresponds to the absolute value function. In a half wave rectifier there are two diodes and a center tapped transformer, or four diodes in a bridge configuration and any AC source.
Characteristics of full wave rectifier:
Ripple factor:
The ratio of the root mean square value of A.C output voltage to the D.C input voltage is known as the Ripple factor.
\[Ripplefactor = \sqrt {{{\left( {\dfrac{{{V_{rms}}}}{{{V_{DC}}}}} \right)}^2}} - 1\]
Where,
\[{V_{rms}}\] is the voltage of the root mean square.
\[{V_{DC}}\]is the D.C voltage.
D.C current:
${I_{D.C}} = \dfrac{{2{I_{\max }}}}{\pi }$
Where,
${I_{D.C}}$ is the D.C current
D.C output voltage:
Output voltage is obtained at the load resistor ${R_l}$. It is given as:
${V_{D.C}} = \dfrac{{2{V_{\max }}}}{\pi }$
Where ${V_{D.C}}$is the D.C Voltage.
Efficiency of a full wave rectifier is $81.2\% $.
Types of full wave rectifier:
Two diodes full wave rectifier
Bridge rectifier
Following is the circuit diagram of a full wave rectifier.
From the diagram, it is given that,
D1, D2 are two diodes
Rl is the load resistor
Working of a full wave rectifier: during the first half of the input cycle, the upper end of the coil is at positive potential and lower end at negative potential. The forward biased is Diode 1 and reversed biased id Diode 2. The current flows in output load as shown in the figure. During the second half D1 is reverse biased and D2 is forward biased. Current will flow in the lower circuit. This way the current flows in one direction.
Following is the output wave form of full wave rectifier.
Advantages:
Full wave rectifier has more efficiency compared to the half-wave rectifier.
The power loss is very low.
The ripples generated are less.
Disadvantages:
Very expensive.
Note:
When only one part of the A.C input signal is rectified it is known as Half- wave rectifier.
The half wave rectifiers have both positive and negative wave cycles. During the positive half of the input the current flows from positive to negative making the forward biased. During the negative half cycle the input current flows from negative to positive making the diode reversed biased.
The rectifier efficiency for the half wave is $40.6\% $.
Recently Updated Pages
Master Class 11 Accountancy: Engaging Questions & Answers for Success

Master Class 11 Science: Engaging Questions & Answers for Success

Master Class 11 Business Studies: Engaging Questions & Answers for Success

Master Class 11 English: Engaging Questions & Answers for Success

Master Class 11 Computer Science: Engaging Questions & Answers for Success

Master Class 9 General Knowledge: Engaging Questions & Answers for Success

Trending doubts
Sketch the electric field lines in case of an electric class 12 physics CBSE

Differentiate between homogeneous and heterogeneous class 12 chemistry CBSE

Explain the formation of energy bands in solids On class 12 physics CBSE

Mention any two factors on which the capacitance of class 12 physics CBSE

Drive an expression for the electric field due to an class 12 physics CBSE

Draw a ray diagram of compound microscope when the class 12 physics CBSE

