
Which circuit will not show current in ammeter?
A.

B.

C.

D.

Answer
232.8k+ views
Hint:The pace at which electrons flow past a location in a complete electrical circuit is known as current. In general, current is equivalent to flow. The unit for measuring current is known as ampere (A).
Complete step by step solution:
We have to find which circuit will not show current in the ammeter for the given options. We can see that the circuit contains forward and reverse bias. Current always flows from forward bias, and no current flows from reverse bias. So, from bias we will identify that from which circuit current does not flow.
Case 1: If the biases are in series, both the biases should be forward, for the current to flow, otherwise no current will flow even if one of them is reverse biased.
For option A, we can see that the first bias, from which the current flows, is reverse and second is forward, so no current flows in circuit as one of them is reverse bias.
For option B, we can see that both the biases are forward bias so the current will flow from this circuit.
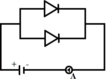
Case 2: If the biases are in parallel, as the current gets divided equally, so either one of the biases should be forward for the current to flow, otherwise no current will flow even if one of them is reverse biased.
For option C, we can see that the upper bias, from which the current flows, is forward and lower is reverse, so current flows in circuit as one of them is forward bias.
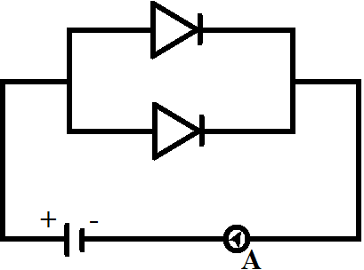
For option D, we can see that both the upper and lower bias are forward bias so the current will flow from this circuit.
So, option A is the circuit from which the current will not flow.
Note: The current always flows in a clockwise manner in the given circuits, from positive to negative, so according to that, identify which is forward and which is reverse bias. Moreover, a PN-junction diode is said to be in forward bias condition when the positive terminal of the battery is connected to the P-side of the diode and negative terminal to the N-side of the diode. In reverse bias condition, the positive terminal is connected to the N-side of the diode and negative terminal to the P-side of the diode.
Complete step by step solution:
We have to find which circuit will not show current in the ammeter for the given options. We can see that the circuit contains forward and reverse bias. Current always flows from forward bias, and no current flows from reverse bias. So, from bias we will identify that from which circuit current does not flow.
Case 1: If the biases are in series, both the biases should be forward, for the current to flow, otherwise no current will flow even if one of them is reverse biased.
For option A, we can see that the first bias, from which the current flows, is reverse and second is forward, so no current flows in circuit as one of them is reverse bias.
For option B, we can see that both the biases are forward bias so the current will flow from this circuit.
Case 2: If the biases are in parallel, as the current gets divided equally, so either one of the biases should be forward for the current to flow, otherwise no current will flow even if one of them is reverse biased.
For option C, we can see that the upper bias, from which the current flows, is forward and lower is reverse, so current flows in circuit as one of them is forward bias.
For option D, we can see that both the upper and lower bias are forward bias so the current will flow from this circuit.
So, option A is the circuit from which the current will not flow.
Note: The current always flows in a clockwise manner in the given circuits, from positive to negative, so according to that, identify which is forward and which is reverse bias. Moreover, a PN-junction diode is said to be in forward bias condition when the positive terminal of the battery is connected to the P-side of the diode and negative terminal to the N-side of the diode. In reverse bias condition, the positive terminal is connected to the N-side of the diode and negative terminal to the P-side of the diode.
Recently Updated Pages
JEE Main 2023 April 6 Shift 1 Question Paper with Answer Key

JEE Main 2023 April 6 Shift 2 Question Paper with Answer Key

JEE Main 2023 (January 31 Evening Shift) Question Paper with Solutions [PDF]

JEE Main 2023 January 30 Shift 2 Question Paper with Answer Key

JEE Main 2023 January 25 Shift 1 Question Paper with Answer Key

JEE Main 2023 January 24 Shift 2 Question Paper with Answer Key

Trending doubts
JEE Main 2026: Session 2 Registration Open, City Intimation Slip, Exam Dates, Syllabus & Eligibility

JEE Main 2026 Application Login: Direct Link, Registration, Form Fill, and Steps

JEE Main Marking Scheme 2026- Paper-Wise Marks Distribution and Negative Marking Details

Understanding the Angle of Deviation in a Prism

Hybridisation in Chemistry – Concept, Types & Applications

How to Convert a Galvanometer into an Ammeter or Voltmeter

Other Pages
JEE Advanced Marks vs Ranks 2025: Understanding Category-wise Qualifying Marks and Previous Year Cut-offs

Dual Nature of Radiation and Matter Class 12 Physics Chapter 11 CBSE Notes - 2025-26

Understanding Uniform Acceleration in Physics

Understanding the Electric Field of a Uniformly Charged Ring

JEE Advanced Weightage 2025 Chapter-Wise for Physics, Maths and Chemistry

Derivation of Equation of Trajectory Explained for Students

