
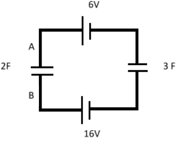
Potential difference between A and B is:

A) 13.2V
B) -13.2V
C) -6V
D) 6V
Answer
233.1k+ views
Hint: When a dc voltage is applied to a capacitor it acts as an open circuit. By using this property we will calculate the voltage of the circuit on application of KVL (Kirchhoff’s voltage rule).
To find the voltage across a particular capacitor we will apply voltage division rule, voltage across a particular capacitor is equal to the ratio of total voltage is multiplied by the capacitor through voltage is not determined to the sum of two capacitors.
Let’s find the net voltage of the circuit first and then voltage across 2 microfarad capacitors.
Complete step by step solution:
Let’s discuss the properties of the capacitor first and then we will come to the calculation part
Capacitors having transient properties in which capacitors act as short circuits before closing the switch S, which means the capacitor has no charge before closing the switch S voltage across the capacitor is zero.
By the time the capacitor gets charged after closing the switch voltage across the capacitor keeps on increasing and current becomes zero.
When current becomes zero across an element it behaves as an open circuit and when voltage across an element becomes zero it acts as a short circuit.
Now, we will apply KVL in the circuit to bring up the total voltage by open circuiting the capacitor.
Let the voltage in open circuited capacitors be $V_1$ and $V_2$.
We have the equation:
$ \Rightarrow 16 - {V_1} - {V_2} - 6 = 0$ (Voltage drop is taken as negative and voltage gain as positive)
$ \Rightarrow {V_1} + {V_2} = 16 - 6 = 10$
Therefore, total voltage across the circuit is 10V
Voltage division rule is as follows:
${V_1} = \dfrac{{V{C_2}}}{{{C_1} + {C_2}}}$ (V is the total voltage, $V_1$ is the voltage across capacitor $C_1$)
We will substitute the values of each term in the formula above:
$
\Rightarrow {V_1} = \dfrac{{10 \times 3}}{{2 + 3}} \\
\Rightarrow {V_1} = 6V \\
$
Voltage across capacitor 2 microfarad is 6V.
Option (D) is correct.
Note: Like capacitor has transient properties similarly inductor too has transient properties .When the switch is open current through the inductor is zero and act as open circuit. When the switch is closed, the steady state voltage across the inductor will be zero and current reaches its maximum peak.
To find the voltage across a particular capacitor we will apply voltage division rule, voltage across a particular capacitor is equal to the ratio of total voltage is multiplied by the capacitor through voltage is not determined to the sum of two capacitors.
Let’s find the net voltage of the circuit first and then voltage across 2 microfarad capacitors.
Complete step by step solution:
Let’s discuss the properties of the capacitor first and then we will come to the calculation part
Capacitors having transient properties in which capacitors act as short circuits before closing the switch S, which means the capacitor has no charge before closing the switch S voltage across the capacitor is zero.
By the time the capacitor gets charged after closing the switch voltage across the capacitor keeps on increasing and current becomes zero.
When current becomes zero across an element it behaves as an open circuit and when voltage across an element becomes zero it acts as a short circuit.
Now, we will apply KVL in the circuit to bring up the total voltage by open circuiting the capacitor.
Let the voltage in open circuited capacitors be $V_1$ and $V_2$.
We have the equation:
$ \Rightarrow 16 - {V_1} - {V_2} - 6 = 0$ (Voltage drop is taken as negative and voltage gain as positive)
$ \Rightarrow {V_1} + {V_2} = 16 - 6 = 10$
Therefore, total voltage across the circuit is 10V
Voltage division rule is as follows:
${V_1} = \dfrac{{V{C_2}}}{{{C_1} + {C_2}}}$ (V is the total voltage, $V_1$ is the voltage across capacitor $C_1$)
We will substitute the values of each term in the formula above:
$
\Rightarrow {V_1} = \dfrac{{10 \times 3}}{{2 + 3}} \\
\Rightarrow {V_1} = 6V \\
$
Voltage across capacitor 2 microfarad is 6V.
Option (D) is correct.
Note: Like capacitor has transient properties similarly inductor too has transient properties .When the switch is open current through the inductor is zero and act as open circuit. When the switch is closed, the steady state voltage across the inductor will be zero and current reaches its maximum peak.
Recently Updated Pages
JEE Main 2023 April 6 Shift 1 Question Paper with Answer Key

JEE Main 2023 April 6 Shift 2 Question Paper with Answer Key

JEE Main 2023 (January 31 Evening Shift) Question Paper with Solutions [PDF]

JEE Main 2023 January 30 Shift 2 Question Paper with Answer Key

JEE Main 2023 January 25 Shift 1 Question Paper with Answer Key

JEE Main 2023 January 24 Shift 2 Question Paper with Answer Key

Trending doubts
JEE Main 2026: Session 2 Registration Open, City Intimation Slip, Exam Dates, Syllabus & Eligibility

JEE Main 2026 Application Login: Direct Link, Registration, Form Fill, and Steps

Understanding the Angle of Deviation in a Prism

Hybridisation in Chemistry – Concept, Types & Applications

How to Convert a Galvanometer into an Ammeter or Voltmeter

Understanding Uniform Acceleration in Physics

Other Pages
JEE Advanced Marks vs Ranks 2025: Understanding Category-wise Qualifying Marks and Previous Year Cut-offs

Dual Nature of Radiation and Matter Class 12 Physics Chapter 11 CBSE Notes - 2025-26

Understanding the Electric Field of a Uniformly Charged Ring

JEE Advanced Weightage 2025 Chapter-Wise for Physics, Maths and Chemistry

Derivation of Equation of Trajectory Explained for Students

Understanding Electromagnetic Waves and Their Importance

