
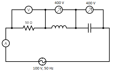
In the series LCR circuit, the voltmeter and ammeter readings are:

A) $V = 100\,V$, $I = 2\,A$
B) $V = 100\,V$, $I = 5\,A$
C) $V = 1000\,V$, $I = 2\,A$
D) $V = 300\,V$, $I = 1\,A$
Answer
232.8k+ views
Hint: In LCR circuit, if the resistor, inductor and capacitor is connected in series, then the voltmeter and ammeter readings can be determined by using the current and voltage formula. By using the voltage formula, the voltmeter reading can be determined, and by using the current formula the ammeter reading can be determined.
Formula used:
The expression for finding the reading of voltmeter is
$V = \sqrt {{V_R}^2 + {{\left( {{V_L} - {V_C}} \right)}^2}} $
Where, $V$ is the voltmeter reading, ${V_R}$ is the voltage across resistor, ${V_L}$ is the voltage across the inductor, ${V_C}$ is the voltage across the capacitor.
By ohm’s law,
$V = IR$
Where, $V$ is the voltage, $I$ is the current and $R$ is the resistance.
Complete step by step solution:
Given that,
Resistance, $R = 50\,\Omega $,
Voltage across inductor, ${V_L} = 400\,V$
Voltage across capacitor, ${V_C} = 400\,V$
Voltage across resistor, ${V_R} = 100\,V$
The expression for finding the reading of voltmeter is
$V = \sqrt {{V_R}^2 + {{\left( {{V_L} - {V_C}} \right)}^2}} \,.................\left( 1 \right)$
On substituting the voltage across inductor, capacitor and resistor in the above equation (1), then
$V = \sqrt {{{\left( {100} \right)}^2} + {{\left( {400 - 400} \right)}^2}} $
By simplifying the terms, then the above equation is written as,
$V = \sqrt {{{\left( {100} \right)}^2} + 0} $
The above equation is written as,
$V = \sqrt {{{\left( {100} \right)}^2}} $
In the above equation the square and the square root get cancel each other, then the above equation is written as,
$V = 100\,V$
Thus, the above equation shows the voltage reading shown by the voltmeter.
Now,
By using the ohm’s law,
$V = IR\,............\left( 2 \right)$
We have to find the current, so keep the current in one side and the other terms in other side, then the above equation is written as,
$I = \dfrac{V}{R}$
Now, substituting the voltage value and the resistance value in the above equation, then the above equation is written as,
$I = \dfrac{{100}}{{50}}$
On dividing, then
$I = 2\,A$
Thus, the above equation shows the current reading shown by the ammeter.
Hence, the option (A) is the correct answer.
Note: The voltage across the inductor and capacitor is same, by subtracting these terms it will become zero, in equation (2), the voltage value substituted is the applied potential difference to the LCR circuit and it is mentioned in the circuit diagram. Then by substituting, the current reading shown by ammeter is determined.
Formula used:
The expression for finding the reading of voltmeter is
$V = \sqrt {{V_R}^2 + {{\left( {{V_L} - {V_C}} \right)}^2}} $
Where, $V$ is the voltmeter reading, ${V_R}$ is the voltage across resistor, ${V_L}$ is the voltage across the inductor, ${V_C}$ is the voltage across the capacitor.
By ohm’s law,
$V = IR$
Where, $V$ is the voltage, $I$ is the current and $R$ is the resistance.
Complete step by step solution:
Given that,
Resistance, $R = 50\,\Omega $,
Voltage across inductor, ${V_L} = 400\,V$
Voltage across capacitor, ${V_C} = 400\,V$
Voltage across resistor, ${V_R} = 100\,V$
The expression for finding the reading of voltmeter is
$V = \sqrt {{V_R}^2 + {{\left( {{V_L} - {V_C}} \right)}^2}} \,.................\left( 1 \right)$
On substituting the voltage across inductor, capacitor and resistor in the above equation (1), then
$V = \sqrt {{{\left( {100} \right)}^2} + {{\left( {400 - 400} \right)}^2}} $
By simplifying the terms, then the above equation is written as,
$V = \sqrt {{{\left( {100} \right)}^2} + 0} $
The above equation is written as,
$V = \sqrt {{{\left( {100} \right)}^2}} $
In the above equation the square and the square root get cancel each other, then the above equation is written as,
$V = 100\,V$
Thus, the above equation shows the voltage reading shown by the voltmeter.
Now,
By using the ohm’s law,
$V = IR\,............\left( 2 \right)$
We have to find the current, so keep the current in one side and the other terms in other side, then the above equation is written as,
$I = \dfrac{V}{R}$
Now, substituting the voltage value and the resistance value in the above equation, then the above equation is written as,
$I = \dfrac{{100}}{{50}}$
On dividing, then
$I = 2\,A$
Thus, the above equation shows the current reading shown by the ammeter.
Hence, the option (A) is the correct answer.
Note: The voltage across the inductor and capacitor is same, by subtracting these terms it will become zero, in equation (2), the voltage value substituted is the applied potential difference to the LCR circuit and it is mentioned in the circuit diagram. Then by substituting, the current reading shown by ammeter is determined.
Recently Updated Pages
Circuit Switching vs Packet Switching: Key Differences Explained

JEE General Topics in Chemistry Important Concepts and Tips

JEE Extractive Metallurgy Important Concepts and Tips for Exam Preparation

JEE Amino Acids and Peptides Important Concepts and Tips for Exam Preparation

JEE Atomic Structure and Chemical Bonding important Concepts and Tips

Electricity and Magnetism Explained: Key Concepts & Applications

Trending doubts
JEE Main 2026: Session 2 Registration Open, City Intimation Slip, Exam Dates, Syllabus & Eligibility

JEE Main 2026 Application Login: Direct Link, Registration, Form Fill, and Steps

JEE Main Marking Scheme 2026- Paper-Wise Marks Distribution and Negative Marking Details

Understanding the Angle of Deviation in a Prism

Hybridisation in Chemistry – Concept, Types & Applications

How to Convert a Galvanometer into an Ammeter or Voltmeter

Other Pages
JEE Advanced Marks vs Ranks 2025: Understanding Category-wise Qualifying Marks and Previous Year Cut-offs

Dual Nature of Radiation and Matter Class 12 Physics Chapter 11 CBSE Notes - 2025-26

Understanding Uniform Acceleration in Physics

Understanding the Electric Field of a Uniformly Charged Ring

JEE Advanced Weightage 2025 Chapter-Wise for Physics, Maths and Chemistry

Derivation of Equation of Trajectory Explained for Students

