
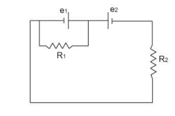
In the circuit shown, ${{e}_{1}}={{e}_{2}}=2V$ and their internal resistances are $0.5\Omega $ each. ${{R}_{1}}=0.5\Omega $ and ${{R}_{2}}=1.5\Omega $ . The current through ${{R}_{1}}$ is

Answer
233.1k+ views
Hint Kirchoff’s current law states that the current entering a circuit junction will be the same as the current exiting a circuit junction. It can also be defined as the sum of the currents at a junction in a circuit is always zero, taking into account the direction of the current flow. Apply this law and Ohm’s law for the circuit given and proceed.
Complete Step by step answer
Let us assume that the current flow from the first cell to be ${{I}_{1}}$ and the current flow from the second cell to be ${{I}_{2}}$ . The currents from both cells will enter the junction and pass through the resistor from Kirchoff’s current law. Therefore, we can say that the current through the resistor ${{R}_{1}}$ to be ${{I}_{1}}+{{I}_{2}}$ .
We can find the current through the first cell by using Ohm’s law.
${{e}_{2}}={{I}_{2}}({{R}_{2}}+{{r}_{2}})$
Here, ${{r}_{2}}$ denotes the internal resistance of the second cell.
By substituting the given values of internal resistance of the second cell, the resistance of the second resistor, and potential due to the second cell, we get
$2={{I}_{2}}(1.5+0.5)$
$\Rightarrow {{I}_{2}}=\frac{2}{2}$
$\Rightarrow {{I}_{2}}=1A$
Applying ohm’s law to the first resistor, we get
${{e}_{1}}={{I}_{1}}{{r}_{1}}+({{I}_{1}}+{{I}_{2}}){{R}_{1}}$
Here, ${{r}_{1}}$ denotes the internal resistance of the first cell.
By substituting the values of the potential of the first cell, the internal resistance of the first cell, the resistance of the first resistor, and by substituting the calculated value of the current ${{I}_{2}}$ , we get
$2=0.5{{I}_{1}}+({{I}_{1}}+1)1.5$
By simplification, we get
${{I}_{1}}=0.25A$
Therefore, the total current that passes through the first resistor ${{R}_{1}}$ is given by
${{I}_{1}}+{{I}_{2}}=1+0.25$
$\Rightarrow {{I}_{1}}+{{I}_{2}}=1.25A$
Hence, $1.25A$ is the total current that passes through the resistor ${{R}_{1}}$ .
Note
The internal resistance of a cell is different from the load in a circuit. Usually, the internal resistances are even neglected as they are very small when compared to the load resistance. Internal resistance can be caused by either corrosion or due to sulfation.
Complete Step by step answer
Let us assume that the current flow from the first cell to be ${{I}_{1}}$ and the current flow from the second cell to be ${{I}_{2}}$ . The currents from both cells will enter the junction and pass through the resistor from Kirchoff’s current law. Therefore, we can say that the current through the resistor ${{R}_{1}}$ to be ${{I}_{1}}+{{I}_{2}}$ .
We can find the current through the first cell by using Ohm’s law.
${{e}_{2}}={{I}_{2}}({{R}_{2}}+{{r}_{2}})$
Here, ${{r}_{2}}$ denotes the internal resistance of the second cell.
By substituting the given values of internal resistance of the second cell, the resistance of the second resistor, and potential due to the second cell, we get
$2={{I}_{2}}(1.5+0.5)$
$\Rightarrow {{I}_{2}}=\frac{2}{2}$
$\Rightarrow {{I}_{2}}=1A$
Applying ohm’s law to the first resistor, we get
${{e}_{1}}={{I}_{1}}{{r}_{1}}+({{I}_{1}}+{{I}_{2}}){{R}_{1}}$
Here, ${{r}_{1}}$ denotes the internal resistance of the first cell.
By substituting the values of the potential of the first cell, the internal resistance of the first cell, the resistance of the first resistor, and by substituting the calculated value of the current ${{I}_{2}}$ , we get
$2=0.5{{I}_{1}}+({{I}_{1}}+1)1.5$
By simplification, we get
${{I}_{1}}=0.25A$
Therefore, the total current that passes through the first resistor ${{R}_{1}}$ is given by
${{I}_{1}}+{{I}_{2}}=1+0.25$
$\Rightarrow {{I}_{1}}+{{I}_{2}}=1.25A$
Hence, $1.25A$ is the total current that passes through the resistor ${{R}_{1}}$ .
Note
The internal resistance of a cell is different from the load in a circuit. Usually, the internal resistances are even neglected as they are very small when compared to the load resistance. Internal resistance can be caused by either corrosion or due to sulfation.
Recently Updated Pages
Circuit Switching vs Packet Switching: Key Differences Explained

JEE General Topics in Chemistry Important Concepts and Tips

JEE Extractive Metallurgy Important Concepts and Tips for Exam Preparation

JEE Amino Acids and Peptides Important Concepts and Tips for Exam Preparation

JEE Atomic Structure and Chemical Bonding important Concepts and Tips

Electricity and Magnetism Explained: Key Concepts & Applications

Trending doubts
JEE Main 2026: Session 2 Registration Open, City Intimation Slip, Exam Dates, Syllabus & Eligibility

JEE Main 2026 Application Login: Direct Link, Registration, Form Fill, and Steps

JEE Main Marking Scheme 2026- Paper-Wise Marks Distribution and Negative Marking Details

Understanding the Angle of Deviation in a Prism

Hybridisation in Chemistry – Concept, Types & Applications

How to Convert a Galvanometer into an Ammeter or Voltmeter

Other Pages
JEE Advanced Marks vs Ranks 2025: Understanding Category-wise Qualifying Marks and Previous Year Cut-offs

Dual Nature of Radiation and Matter Class 12 Physics Chapter 11 CBSE Notes - 2025-26

Understanding Uniform Acceleration in Physics

Understanding the Electric Field of a Uniformly Charged Ring

JEE Advanced Weightage 2025 Chapter-Wise for Physics, Maths and Chemistry

Derivation of Equation of Trajectory Explained for Students

