
A nichrome wire of uniform cross-sectional area is bent to form a rectangular loop ABCD. Another nichrome wire of the same cross-section is connected to form the diagonal AC. Find out the ratio of the resistance across BD and AC if AB=0.4m and BC=0.3m:
A) $\dfrac{{59}}{{35}}$.
B) $\dfrac{{35}}{{59}}$.
C) $\dfrac{{29}}{{17}}$.
D) $\dfrac{{17}}{{29}}$.
Answer
220.8k+ views
Hint: Resistivity of each material is always constant. The resistivity of the material is defined as the resistance of a wire which is $1m$ long and has $1{m^2}$ area of cross section. Different materials have different values of resistivity.
Formula used:
The formula of the resistivity is given by,
$R = \dfrac{{\rho \cdot l}}{A}$
Where R is the resistance $\rho $ is the density $l$ is the length of the wire and A is the cross sectional area of the
Complete step by step solution:
It is given in the problem that a nichrome wire of uniform cross-sectional area is bent in the shape of a loop which is ABCD another nichrome wire is taken and connected to the rectangular loop such that it forms a diagonal AC and BD.

As the formula of the resistance is given by,
$R = \dfrac{{\rho \cdot l}}{A}$
Where R is the resistance $\rho $ is the density $l$ is the length of the wire and A is the cross sectional area of the
The ratio of the density and area of cross section is equal to,
$ \Rightarrow k = \dfrac{\rho }{A}$
This ratio is always constant and let the value of this ratio be equal to 10.
$\dfrac{\rho }{A} = 10$………eq. (1)
As resistance is given by$R = k \cdot l$, therefore the resistance of the wire AB, BC, CD and AC is given by,
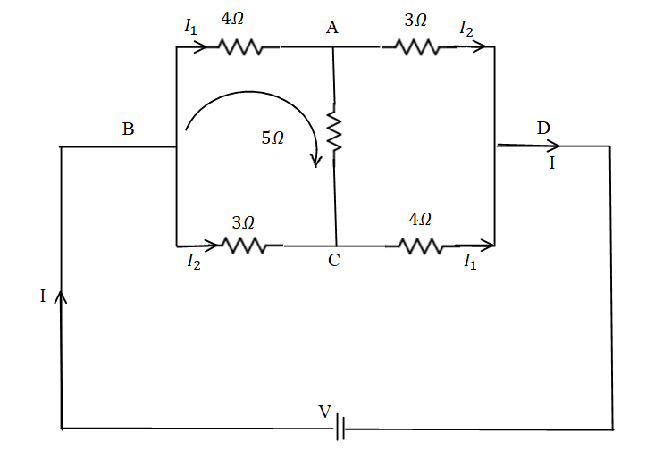
${R_{AB}} = 4\Omega $, ${R_{BC}} = 3\Omega $,${R_{CD}} = 4\Omega $ and ${R_{AD}} = 3\Omega $.
The diagram of the of the new circuit is given by,

The equivalent resistance between the points A and C is given by,
$ \Rightarrow \dfrac{1}{{{R_{eq}}}} = \dfrac{1}{7} + \dfrac{1}{5} + \dfrac{1}{7}$
$ \Rightarrow \dfrac{1}{{{R_{eq}}}} = \dfrac{{17}}{{35}}\Omega $
$ \Rightarrow {R_{eq}} = \dfrac{{35}}{{17}}\Omega $.
$ \Rightarrow {R_{AC}} = \dfrac{{35}}{{17}}\Omega $
Now let us calculate the value of resistance across BD, to find the resistance across the BD we need to connect it to the battery.

Applying Kirchhoff’s voltage law across BACB.
$ \Rightarrow - 4{I_1} - 5\left( {{I_1} - {I_2}} \right) + 3{I_2} = 0$
$ \Rightarrow {I_1} = \dfrac{8}{9}{I_2}$………eq. (1)
Applying the Kirchhoff’s voltage law in BADCB.
$ \Rightarrow V = 4{I_1} - 3{I_2}$
Replacing the value of ${I_1}$ in the above relation from equation (1) we get,
$ \Rightarrow V = 4{I_1} - 3{I_2}$
\[ \Rightarrow V = \left( {\dfrac{{59}}{9}} \right){I_2}\]………eq. (2)
Also,
$ \Rightarrow I = {I_1} + {I_2}$………eq. (3)
Solving equation (1), equation (2) and equation (3) and also use the relation$V = I \cdot {R_{eq.}}$.
$ \Rightarrow V = I \cdot {R_{eq.}}$
$ \Rightarrow \left( {\dfrac{{59}}{9}} \right){I_2} = I \cdot {R_{eq.}}$
$ \Rightarrow \left( {\dfrac{{59}}{9}} \right){I_2} = \left( {{I_1} + {I_2}} \right) \cdot {R_{eq.}}$
$ \Rightarrow \left( {\dfrac{{59}}{9}} \right){I_2} = \left( {\dfrac{8}{9}{I_2} + {I_2}} \right) \cdot {R_{eq.}}$
$ \Rightarrow \left( {\dfrac{{59}}{9}} \right){I_2} = \left( {\dfrac{{17}}{9}{I_2}} \right) \cdot {R_{eq.}}$
$ \Rightarrow \left( {\dfrac{{59}}{9}} \right) = \left( {\dfrac{{17}}{9}} \right) \cdot {R_{eq.}}$
$ \Rightarrow 59 = \left( {17} \right) \cdot {R_{eq.}}$
$ \Rightarrow {R_{eq.}} = \dfrac{{59}}{{17}}\Omega $
The resistance across the resistance BD is equal to ${R_{BD}} = \dfrac{{59}}{{17}}\Omega $
Let us divide the resistance across BD and AC is given by,
$ \Rightarrow \dfrac{{{R_{BD}}}}{{{R_{AC}}}} = \dfrac{{\left( {\dfrac{{59}}{{17}}} \right)}}{{\left( {\dfrac{{35}}{{17}}} \right)}}$
$ \Rightarrow \dfrac{{{R_{BD}}}}{{{R_{AC}}}} = \dfrac{{59}}{{35}}$.
The ratio of resistance of the BD and AC is equal to $\dfrac{{{R_{BD}}}}{{{R_{AC}}}} = \dfrac{{59}}{{35}}$. The correct answer for this problem is option A.
Note: It is advisable to students to remember the formula of the resistance as it can be used to solve the problems like these. Resistivity is different for different materials and therefore the material for making wire is chosen such that it has least value of resistivity.
Formula used:
The formula of the resistivity is given by,
$R = \dfrac{{\rho \cdot l}}{A}$
Where R is the resistance $\rho $ is the density $l$ is the length of the wire and A is the cross sectional area of the
Complete step by step solution:
It is given in the problem that a nichrome wire of uniform cross-sectional area is bent in the shape of a loop which is ABCD another nichrome wire is taken and connected to the rectangular loop such that it forms a diagonal AC and BD.

As the formula of the resistance is given by,
$R = \dfrac{{\rho \cdot l}}{A}$
Where R is the resistance $\rho $ is the density $l$ is the length of the wire and A is the cross sectional area of the
The ratio of the density and area of cross section is equal to,
$ \Rightarrow k = \dfrac{\rho }{A}$
This ratio is always constant and let the value of this ratio be equal to 10.
$\dfrac{\rho }{A} = 10$………eq. (1)
As resistance is given by$R = k \cdot l$, therefore the resistance of the wire AB, BC, CD and AC is given by,
${R_{AB}} = 4\Omega $, ${R_{BC}} = 3\Omega $,${R_{CD}} = 4\Omega $ and ${R_{AD}} = 3\Omega $.
The diagram of the of the new circuit is given by,

The equivalent resistance between the points A and C is given by,
$ \Rightarrow \dfrac{1}{{{R_{eq}}}} = \dfrac{1}{7} + \dfrac{1}{5} + \dfrac{1}{7}$
$ \Rightarrow \dfrac{1}{{{R_{eq}}}} = \dfrac{{17}}{{35}}\Omega $
$ \Rightarrow {R_{eq}} = \dfrac{{35}}{{17}}\Omega $.
$ \Rightarrow {R_{AC}} = \dfrac{{35}}{{17}}\Omega $
Now let us calculate the value of resistance across BD, to find the resistance across the BD we need to connect it to the battery.

Applying Kirchhoff’s voltage law across BACB.
$ \Rightarrow - 4{I_1} - 5\left( {{I_1} - {I_2}} \right) + 3{I_2} = 0$
$ \Rightarrow {I_1} = \dfrac{8}{9}{I_2}$………eq. (1)
Applying the Kirchhoff’s voltage law in BADCB.
$ \Rightarrow V = 4{I_1} - 3{I_2}$
Replacing the value of ${I_1}$ in the above relation from equation (1) we get,
$ \Rightarrow V = 4{I_1} - 3{I_2}$
\[ \Rightarrow V = \left( {\dfrac{{59}}{9}} \right){I_2}\]………eq. (2)
Also,
$ \Rightarrow I = {I_1} + {I_2}$………eq. (3)
Solving equation (1), equation (2) and equation (3) and also use the relation$V = I \cdot {R_{eq.}}$.
$ \Rightarrow V = I \cdot {R_{eq.}}$
$ \Rightarrow \left( {\dfrac{{59}}{9}} \right){I_2} = I \cdot {R_{eq.}}$
$ \Rightarrow \left( {\dfrac{{59}}{9}} \right){I_2} = \left( {{I_1} + {I_2}} \right) \cdot {R_{eq.}}$
$ \Rightarrow \left( {\dfrac{{59}}{9}} \right){I_2} = \left( {\dfrac{8}{9}{I_2} + {I_2}} \right) \cdot {R_{eq.}}$
$ \Rightarrow \left( {\dfrac{{59}}{9}} \right){I_2} = \left( {\dfrac{{17}}{9}{I_2}} \right) \cdot {R_{eq.}}$
$ \Rightarrow \left( {\dfrac{{59}}{9}} \right) = \left( {\dfrac{{17}}{9}} \right) \cdot {R_{eq.}}$
$ \Rightarrow 59 = \left( {17} \right) \cdot {R_{eq.}}$
$ \Rightarrow {R_{eq.}} = \dfrac{{59}}{{17}}\Omega $
The resistance across the resistance BD is equal to ${R_{BD}} = \dfrac{{59}}{{17}}\Omega $
Let us divide the resistance across BD and AC is given by,
$ \Rightarrow \dfrac{{{R_{BD}}}}{{{R_{AC}}}} = \dfrac{{\left( {\dfrac{{59}}{{17}}} \right)}}{{\left( {\dfrac{{35}}{{17}}} \right)}}$
$ \Rightarrow \dfrac{{{R_{BD}}}}{{{R_{AC}}}} = \dfrac{{59}}{{35}}$.
The ratio of resistance of the BD and AC is equal to $\dfrac{{{R_{BD}}}}{{{R_{AC}}}} = \dfrac{{59}}{{35}}$. The correct answer for this problem is option A.
Note: It is advisable to students to remember the formula of the resistance as it can be used to solve the problems like these. Resistivity is different for different materials and therefore the material for making wire is chosen such that it has least value of resistivity.
Recently Updated Pages
[Awaiting input: Please provide the content from "Ask AI Response," "Competitor 1," and "Competitor 2," so I can perform the analysis and synthesize the requested metadata and headings.]

A square frame of side 10 cm and a long straight wire class 12 physics JEE_Main

The work done in slowly moving an electron of charge class 12 physics JEE_Main

Two identical charged spheres suspended from a common class 12 physics JEE_Main

According to Bohrs theory the timeaveraged magnetic class 12 physics JEE_Main

ill in the blanks Pure tungsten has A Low resistivity class 12 physics JEE_Main

Trending doubts
Understanding Uniform Acceleration in Physics

JEE Main Marking Scheme 2026- Paper-Wise Marks Distribution and Negative Marking Details

Degree of Dissociation: Meaning, Formula, Calculation & Uses

Understanding Electromagnetic Waves and Their Importance

Understanding Collisions: Types and Examples for Students

Step-by-Step Guide to Young’s Double Slit Experiment Derivation

Other Pages
Understanding Entropy Changes in Different Processes

Common Ion Effect: Concept, Applications, and Problem-Solving

Formula for number of images formed by two plane mirrors class 12 physics JEE_Main

What Are Elastic Collisions in One Dimension?

JEE Advanced Weightage 2025 Chapter-Wise for Physics, Maths and Chemistry

Diffraction of Light - Young’s Single Slit Experiment

