
A 5V battery is connected across the points X and Y. Assume \[{D_1}\] and \[{D_2}\] to be normal silicon diodes. Find the current supplied by the battery if the +ve terminal of the battery is connected to point X.
A. \[ \sim 0.86A\]
B. \[ \sim 0.5A\]
C. \[ \sim 0.43A\]
D. \[ \sim 1.5A\]
Answer
232.8k+ views
Hint:Before we start addressing the problem, we need to know about the diodes. A diode is a semiconductor device that has a two-terminal that conducts current in one direction.
Formula Used:
The formula to find the current using ohm's law is given by,
\[V = RI\]
Where, V is voltage in the circuit, R is the resistor used and I is current.
Complete step by step solution:

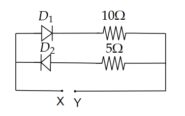
Image: A circuit consists of 2 diodes and 2 resistors
Consider a battery of 5V connected across points X and Y as shown in the figure. Assume that \[{D_1}\] and \[{D_2}\] are normal silicon diodes. Now, we need to find the current supplied by the battery when the +ve terminal of the battery is connected to point X.
The diode \[{D_1}\] is in forward bias therefore the current passes through it, but since the diode \[{D_2}\] is in negative bias condition, there is no flow of current. So, we are not considering the \[5\Omega \] resistor.
Now, we need to find the current only through the \[10\Omega \] resistor. In order to do that we consider ohm’s law that is,
\[V = RI\]
\[\Rightarrow I = \dfrac{V}{R}\]
They have given that the diode is made up of silicon so the forward voltage of silicon is 0.7V so, the silicon diode drops a potential of 0.7 volts across it, and only \[{D_1}\] will conduct.
So, \[V = 5 - 0.7\] and \[R = 5\Omega \]. Substitute the values in the above equation we obtain,
\[I = \dfrac{{5 - 0.7}}{{10}}\]
\[\therefore I = 0.43A\]
Therefore, the current supplied is 0.43A.
Hence, Option C is the correct answer
Note:Silicon Diode is a semiconductor that has both positive and negative charge polarity and allows the current to flow in one direction while restricting another. These are used in radios, computers, AC and DC power supplies, temperature and radiation sensors etc.
Formula Used:
The formula to find the current using ohm's law is given by,
\[V = RI\]
Where, V is voltage in the circuit, R is the resistor used and I is current.
Complete step by step solution:

Image: A circuit consists of 2 diodes and 2 resistors
Consider a battery of 5V connected across points X and Y as shown in the figure. Assume that \[{D_1}\] and \[{D_2}\] are normal silicon diodes. Now, we need to find the current supplied by the battery when the +ve terminal of the battery is connected to point X.
The diode \[{D_1}\] is in forward bias therefore the current passes through it, but since the diode \[{D_2}\] is in negative bias condition, there is no flow of current. So, we are not considering the \[5\Omega \] resistor.
Now, we need to find the current only through the \[10\Omega \] resistor. In order to do that we consider ohm’s law that is,
\[V = RI\]
\[\Rightarrow I = \dfrac{V}{R}\]
They have given that the diode is made up of silicon so the forward voltage of silicon is 0.7V so, the silicon diode drops a potential of 0.7 volts across it, and only \[{D_1}\] will conduct.
So, \[V = 5 - 0.7\] and \[R = 5\Omega \]. Substitute the values in the above equation we obtain,
\[I = \dfrac{{5 - 0.7}}{{10}}\]
\[\therefore I = 0.43A\]
Therefore, the current supplied is 0.43A.
Hence, Option C is the correct answer
Note:Silicon Diode is a semiconductor that has both positive and negative charge polarity and allows the current to flow in one direction while restricting another. These are used in radios, computers, AC and DC power supplies, temperature and radiation sensors etc.
Recently Updated Pages
JEE Main 2023 April 6 Shift 1 Question Paper with Answer Key

JEE Main 2023 April 6 Shift 2 Question Paper with Answer Key

JEE Main 2023 (January 31 Evening Shift) Question Paper with Solutions [PDF]

JEE Main 2023 January 30 Shift 2 Question Paper with Answer Key

JEE Main 2023 January 25 Shift 1 Question Paper with Answer Key

JEE Main 2023 January 24 Shift 2 Question Paper with Answer Key

Trending doubts
JEE Main 2026: Session 2 Registration Open, City Intimation Slip, Exam Dates, Syllabus & Eligibility

JEE Main 2026 Application Login: Direct Link, Registration, Form Fill, and Steps

JEE Main Marking Scheme 2026- Paper-Wise Marks Distribution and Negative Marking Details

Understanding the Angle of Deviation in a Prism

Hybridisation in Chemistry – Concept, Types & Applications

How to Convert a Galvanometer into an Ammeter or Voltmeter

Other Pages
JEE Advanced Marks vs Ranks 2025: Understanding Category-wise Qualifying Marks and Previous Year Cut-offs

Dual Nature of Radiation and Matter Class 12 Physics Chapter 11 CBSE Notes - 2025-26

Understanding Uniform Acceleration in Physics

Understanding the Electric Field of a Uniformly Charged Ring

JEE Advanced Weightage 2025 Chapter-Wise for Physics, Maths and Chemistry

Derivation of Equation of Trajectory Explained for Students

