
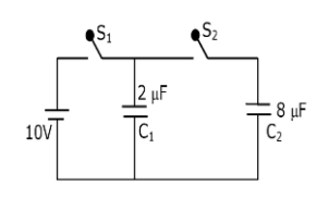
A 2μF capacitor $C_1$ is first charged to a potential difference of 10V using a battery. Then the battery is removed and the capacitor is connected to an uncharged capacitor $C_2$ of 8 μF. The charge in $C_2$ on equilibrium condition is ________ μC. (Round off to the Nearest Integer)

Answer
219k+ views
Hint: Capacitors are those devices which are used to store the chemical energy and provide instantaneous energy to the circuit. Capacitance is the ability of a capacitor to store that energy. It can be calculated as C = Q/V , where Q is the charge on the positive plate of the capacitor and V is the potential difference. Capacitance is positive and scalar and it does not depend on charge and potential difference.
Complete answer:
To solve the above question, we first need to find the equilibrium state of the circuit.
1. When $C_{1}$ is fully charged then the charge on $C_{1}$ will be:-
$Q = C_{1} \times V = 2 \times 10 = 20 \mu C$
2. When the battery is removed and the capacitor is connected then,

this is the state of equilibrium.
Now, in order to find charge on $C_{2}$, we first need to find voltage on $C_{2}$ which can be calculated as follows:-
$\left(C_{1} V\right) + \left(C_{2} V\right) = Q$
$\left(2 \times V\right) + \left(8 \times V\right) = 20 $
$10 \times V = 20 $
$V = 2~Volt$
Now,
$Q = C_{2}\times V$
$Q = 8 \times 2 $
$Q = 16 \mu C$
Hence, the correct answer is $16 \mu C$.
Note: For practical purposes, the unit farad is quite large. Even a massive body like the earth has a capacitance of $710 \mu F$. A capacitor is a device that retains electrical charges and generates power when needed. Depending on the usage of capacitor, the value of capacitance can either be fixed or variable. Although from the equation it may seem that capacitance depends on charge and potential, it actually depends on size and area of the capacitor used.
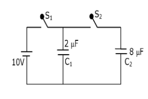
Complete answer:
To solve the above question, we first need to find the equilibrium state of the circuit.
1. When $C_{1}$ is fully charged then the charge on $C_{1}$ will be:-
$Q = C_{1} \times V = 2 \times 10 = 20 \mu C$
2. When the battery is removed and the capacitor is connected then,

this is the state of equilibrium.
Now, in order to find charge on $C_{2}$, we first need to find voltage on $C_{2}$ which can be calculated as follows:-
$\left(C_{1} V\right) + \left(C_{2} V\right) = Q$
$\left(2 \times V\right) + \left(8 \times V\right) = 20 $
$10 \times V = 20 $
$V = 2~Volt$
Now,
$Q = C_{2}\times V$
$Q = 8 \times 2 $
$Q = 16 \mu C$
Hence, the correct answer is $16 \mu C$.
Note: For practical purposes, the unit farad is quite large. Even a massive body like the earth has a capacitance of $710 \mu F$. A capacitor is a device that retains electrical charges and generates power when needed. Depending on the usage of capacitor, the value of capacitance can either be fixed or variable. Although from the equation it may seem that capacitance depends on charge and potential, it actually depends on size and area of the capacitor used.
Recently Updated Pages
A square frame of side 10 cm and a long straight wire class 12 physics JEE_Main

The work done in slowly moving an electron of charge class 12 physics JEE_Main

Two identical charged spheres suspended from a common class 12 physics JEE_Main

According to Bohrs theory the timeaveraged magnetic class 12 physics JEE_Main

ill in the blanks Pure tungsten has A Low resistivity class 12 physics JEE_Main

The value of the resistor RS needed in the DC voltage class 12 physics JEE_Main

Trending doubts
JEE Main 2026: Application Form Open, Exam Dates, Syllabus, Eligibility & Question Papers

Understanding Uniform Acceleration in Physics

Derivation of Equation of Trajectory Explained for Students

Hybridisation in Chemistry – Concept, Types & Applications

Understanding the Angle of Deviation in a Prism

Understanding Collisions: Types and Examples for Students

Other Pages
JEE Advanced Marks vs Ranks 2025: Understanding Category-wise Qualifying Marks and Previous Year Cut-offs

Understanding Atomic Structure for Beginners

How to Convert a Galvanometer into an Ammeter or Voltmeter

Understanding Centrifugal Force in Physics

JEE Main Marking Scheme 2026- Paper-Wise Marks Distribution and Negative Marking Details

Degree of Dissociation: Meaning, Formula, Calculation & Uses

