
Study the circuit diagram.
How many bulbs will light up when switches $ A $ and $ B $ are closed in different situations?
(A) Only switch $ A $ is closed
(B) Only Switch $ B $ is closed, respectively.
(A) 4,2
(B) 4,3
(C) 0,3
(D) 0,2
Answer
551.4k+ views
Hint: This question can be solved by using the concept of electrical circuits. An electric circuit is a closed path for the circulation of electric current. It consists of a conducting wire, battery, keys, and some electronic devices such as bulbs which are connected in the series.
Complete step by step answer
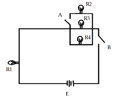
Here from the figure, it can be seen that it consists of four bulbs that are connected in different ways in the circuit.
The electric circuit consists of the two switches $ A $ and $ B $ , and it consists of bulbs $ R_1 $ , $ R_2 $ , $ R_3 $ , and $ R_4 $ in which $ R_2 $ , $ R_3 $ , and $ R_4 $ are connected in parallel connection while $ R_1 $ is connected in series with the battery $ E $ .
On analysis, it can be seen that when the switch $ A $ is closed then the no bulbs will glow because the circuit does not get completed as the switch $ B $ is still open. Hence the circuit is incomplete for the current to flow.
While if we close only the switch $ B $ and keep the switch $ A $ open then the circuit becomes complete. It provides a complete path to the electric current and hence the bulb $ R_1 $ , $ R_3 $ and $ R_4 $ starts glowing but the bulb $ R_2 $ will not glow as the switch $ A $ until not closed.
Hence we can conclude for the case:
-If the only switch $ A $ is closed then no bulb will light up as the circuit is incomplete.
-If the only switch $ B $ is closed then the bulb $ R_1 $ , $ R_3 $ and $ R_4 $ will light up as the circuits are completed but the bulb $ R_2 $ will not light up as the switch $ A $ is not closed.
Correct option is (C) .
Note
Here to solve this type of question the concept of the electrical circuits and different types of arrangements of the electronic devices should be known. In this question as to the bulb $ R_2 $ , $ R_3 $ , and $ R_4 $ are connected while bulb $ R_1 $ and $ R_3 $ are in series connection.
Complete step by step answer
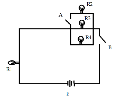
Here from the figure, it can be seen that it consists of four bulbs that are connected in different ways in the circuit.
The electric circuit consists of the two switches $ A $ and $ B $ , and it consists of bulbs $ R_1 $ , $ R_2 $ , $ R_3 $ , and $ R_4 $ in which $ R_2 $ , $ R_3 $ , and $ R_4 $ are connected in parallel connection while $ R_1 $ is connected in series with the battery $ E $ .
On analysis, it can be seen that when the switch $ A $ is closed then the no bulbs will glow because the circuit does not get completed as the switch $ B $ is still open. Hence the circuit is incomplete for the current to flow.
While if we close only the switch $ B $ and keep the switch $ A $ open then the circuit becomes complete. It provides a complete path to the electric current and hence the bulb $ R_1 $ , $ R_3 $ and $ R_4 $ starts glowing but the bulb $ R_2 $ will not glow as the switch $ A $ until not closed.
Hence we can conclude for the case:
-If the only switch $ A $ is closed then no bulb will light up as the circuit is incomplete.
-If the only switch $ B $ is closed then the bulb $ R_1 $ , $ R_3 $ and $ R_4 $ will light up as the circuits are completed but the bulb $ R_2 $ will not light up as the switch $ A $ is not closed.
Correct option is (C) .
Note
Here to solve this type of question the concept of the electrical circuits and different types of arrangements of the electronic devices should be known. In this question as to the bulb $ R_2 $ , $ R_3 $ , and $ R_4 $ are connected while bulb $ R_1 $ and $ R_3 $ are in series connection.
Recently Updated Pages
A man running at a speed 5 ms is viewed in the side class 12 physics CBSE

The number of solutions in x in 02pi for which sqrt class 12 maths CBSE

State and explain Hardy Weinbergs Principle class 12 biology CBSE

Write any two methods of preparation of phenol Give class 12 chemistry CBSE

Which of the following statements is wrong a Amnion class 12 biology CBSE

Differentiate between action potential and resting class 12 biology CBSE

Trending doubts
What are the major means of transport Explain each class 12 social science CBSE

Which are the Top 10 Largest Countries of the World?

Draw a labelled sketch of the human eye class 12 physics CBSE

Explain sex determination in humans with line diag class 12 biology CBSE

Explain sex determination in humans with the help of class 12 biology CBSE

Differentiate between homogeneous and heterogeneous class 12 chemistry CBSE

