
How many NAND gates are used to form AND gates?
A. 2
B. 3
C. 4
D. 1
Answer
503.7k+ views
Hint: The semiconductor logic gate, on the other hand, functions as a high-gain voltage amplifier that sinks a small current at its input and outputs a low-impedance voltage. A semiconductor logic gate's output and input are not connected, so current cannot pass through them.
Complete answer:
A logic gate is an idealised model of computing or a physical electronic system that implements a Boolean function, which is a logical operation that generates a single binary output from one or more binary inputs.
A NAND gate (NOT-AND) is a logic gate in digital electronics that produces a false output only if all of its inputs are true; thus, its output complements that of an AND gate. Only if all of the gate's inputs are HIGH (1) does a LOW (0) output result; if any input is LOW (0), a HIGH (1) output occurs.
The AND gate is a simple digital logic gate that executes logical conjunction; it acts in accordance with the truth table to the right. Only if all of the AND gate's inputs are HIGH does it produce a HIGH output (1). If none of the AND gate's inputs are HIGH, the output is LOW.
Truth table of NAND gate is,
Truth table of AND gate is,
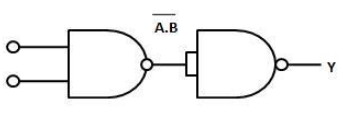
Using two NAND gates one can make an AND gate.
Note: Diodes or transistors serve as electrical switches in logic gates, but they can also be built with vacuum tubes, electromagnetic relays (relay logic), fluidic logic, pneumatic logic, optics, molecules, or even mechanical components. Amplification allows the creation of a physical representation of all of Boolean logic, and therefore all of the algorithms and mathematics that can be represented with Boolean logic, in the same manner that Boolean functions can be composed.
Complete answer:
A logic gate is an idealised model of computing or a physical electronic system that implements a Boolean function, which is a logical operation that generates a single binary output from one or more binary inputs.
A NAND gate (NOT-AND) is a logic gate in digital electronics that produces a false output only if all of its inputs are true; thus, its output complements that of an AND gate. Only if all of the gate's inputs are HIGH (1) does a LOW (0) output result; if any input is LOW (0), a HIGH (1) output occurs.
The AND gate is a simple digital logic gate that executes logical conjunction; it acts in accordance with the truth table to the right. Only if all of the AND gate's inputs are HIGH does it produce a HIGH output (1). If none of the AND gate's inputs are HIGH, the output is LOW.
Truth table of NAND gate is,
| Input A | Input B | Output Q |
| 0 | 0 | 1 |
| 0 | 1 | 1 |
| 1 | 0 | 1 |
| 1 | 1 | 0 |
Truth table of AND gate is,
| Input A | Input B | Output F |
| 0 | 0 | 0 |
| 0 | 1 | 0 |
| 1 | 0 | 0 |
| 1 | 1 | 1 |
Using two NAND gates one can make an AND gate.
Note: Diodes or transistors serve as electrical switches in logic gates, but they can also be built with vacuum tubes, electromagnetic relays (relay logic), fluidic logic, pneumatic logic, optics, molecules, or even mechanical components. Amplification allows the creation of a physical representation of all of Boolean logic, and therefore all of the algorithms and mathematics that can be represented with Boolean logic, in the same manner that Boolean functions can be composed.
Recently Updated Pages
A man running at a speed 5 ms is viewed in the side class 12 physics CBSE

The number of solutions in x in 02pi for which sqrt class 12 maths CBSE

State and explain Hardy Weinbergs Principle class 12 biology CBSE

Write any two methods of preparation of phenol Give class 12 chemistry CBSE

Which of the following statements is wrong a Amnion class 12 biology CBSE

Differentiate between action potential and resting class 12 biology CBSE

Trending doubts
What are the major means of transport Explain each class 12 social science CBSE

Which are the Top 10 Largest Countries of the World?

Draw a labelled sketch of the human eye class 12 physics CBSE

Explain sex determination in humans with line diag class 12 biology CBSE

Explain sex determination in humans with the help of class 12 biology CBSE

Differentiate between homogeneous and heterogeneous class 12 chemistry CBSE

