
Draw a circuit diagram of C.E. transistor amplifier. Briefly explain its working and write the expression for (i) current gain, and (ii) voltage gain of the amplifier.
Answer
551.4k+ views
Hint: To increase the amplitude of the alternating current, we use the common emitter configuration of the transistor. Express the expression for the voltage gain in terms of resistance at the input and output. Recall how the voltage across the output increases due to decrease in the collector current.
Complete answer:
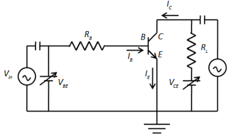
We know that in Common Emitter configuration, the Emitter is grounded. We apply the input signal between the base and the emitter. The output is taken between the collector and the emitter. To increase the amplitude of the alternating current, we use the common emitter configuration of the transistor as shown in the figure below.
We know that amplifiers amplify the input signal. The voltage gain in the transistor amplifier is the ratio of small change in the output signal across the collector to the small change in the input signal across the base. Therefore,
\[{A_V} = \dfrac{{{v_o}}}{{{v_i}}}\]
\[ \Rightarrow \dfrac{{{v_o}}}{{{v_i}}} = \dfrac{{{I_C}{R_L}}}{{{I_B}{r_i}}}\]
Here, \[{r_i}\] is the input resistance.
We know that the AC current gain is the ratio of collector current to the base current. Therefore,
\[{A_V} = {\beta _{AC}}\dfrac{{{R_L}}}{{{r_i}}}\]
(i) We have the expression for the current gain,
\[{\beta _{AC}} = \dfrac{{{I_C}}}{{{I_B}}}\]
Here, \[{I_C}\] is the collector current and \[{I_B}\] is the base current.
(ii) We have the expression for the voltage gain of the amplifier,
\[{A_V} = {\beta _{AC}}\dfrac{{{R_L}}}{{{r_i}}}\]
Here, \[{R_L}\] is the load resistance and \[{r_i}\] is the input resistance.
Note:The current gain in the C.E transistor as an amplifier has a negative sign which indicates that the output voltage and input voltage are out of phase. Note that the current gain \[{\beta _{AC}}\] is always greater than 1 so that it can increase the voltage across the output. While using a C.E transistor, the input voltage must be applied to the base of the transistor and not to the collector terminal.
Complete answer:
We know that in Common Emitter configuration, the Emitter is grounded. We apply the input signal between the base and the emitter. The output is taken between the collector and the emitter. To increase the amplitude of the alternating current, we use the common emitter configuration of the transistor as shown in the figure below.
We know that amplifiers amplify the input signal. The voltage gain in the transistor amplifier is the ratio of small change in the output signal across the collector to the small change in the input signal across the base. Therefore,
\[{A_V} = \dfrac{{{v_o}}}{{{v_i}}}\]
\[ \Rightarrow \dfrac{{{v_o}}}{{{v_i}}} = \dfrac{{{I_C}{R_L}}}{{{I_B}{r_i}}}\]
Here, \[{r_i}\] is the input resistance.
We know that the AC current gain is the ratio of collector current to the base current. Therefore,
\[{A_V} = {\beta _{AC}}\dfrac{{{R_L}}}{{{r_i}}}\]
(i) We have the expression for the current gain,
\[{\beta _{AC}} = \dfrac{{{I_C}}}{{{I_B}}}\]
Here, \[{I_C}\] is the collector current and \[{I_B}\] is the base current.
(ii) We have the expression for the voltage gain of the amplifier,
\[{A_V} = {\beta _{AC}}\dfrac{{{R_L}}}{{{r_i}}}\]
Here, \[{R_L}\] is the load resistance and \[{r_i}\] is the input resistance.
Note:The current gain in the C.E transistor as an amplifier has a negative sign which indicates that the output voltage and input voltage are out of phase. Note that the current gain \[{\beta _{AC}}\] is always greater than 1 so that it can increase the voltage across the output. While using a C.E transistor, the input voltage must be applied to the base of the transistor and not to the collector terminal.
Recently Updated Pages
A man running at a speed 5 ms is viewed in the side class 12 physics CBSE

The number of solutions in x in 02pi for which sqrt class 12 maths CBSE

State and explain Hardy Weinbergs Principle class 12 biology CBSE

Write any two methods of preparation of phenol Give class 12 chemistry CBSE

Which of the following statements is wrong a Amnion class 12 biology CBSE

Differentiate between action potential and resting class 12 biology CBSE

Trending doubts
What are the major means of transport Explain each class 12 social science CBSE

Which are the Top 10 Largest Countries of the World?

Draw a labelled sketch of the human eye class 12 physics CBSE

Explain sex determination in humans with line diag class 12 biology CBSE

Explain sex determination in humans with the help of class 12 biology CBSE

Differentiate between homogeneous and heterogeneous class 12 chemistry CBSE

