
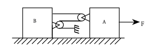
If work done by string on block A is W. shown in the given arrangement, then the work done by the string on block B is

(A) \[ - W\]
(B) \[\dfrac{{ - 2W}}{3}\]
(C) \[\dfrac{{2W}}{3}\]
(D) \[\dfrac{{ - 3W}}{2}\]
Answer
216k+ views
Hint: The total length of the string is constant. The distance increase from the fixed point of one will result in a corresponding decrease in the other.
Formula used: In this solution we will be using the following formulae;
\[W = Fd\] where \[W\] is the work done by a force on a body, \[F\] is the force acting on a body and \[d\] is the distance moved by the body while the body acts on it.
Complete Step-by-Step Solution:

Let the distance between the two blocks be \[d\]. The let the distance of the left block to the fixed point be \[x\], and the distance of the right block to fix point be \[y\] such that their sum is the distance from each other
Hence, if the block A is pulled, then the distance \[y\] changes. But since the total length of the string is constant, the distance \[x\] must reduce correspondingly.
Then \[\Delta y = - \Delta x\]
Now, since it’s the same string, the tensions in each line of the string are all equal to say \[T\]. This means that the total tension acting on block A will be \[2T\] (because the lines connected to A are 2).
Similarity, the tension on the block B will be \[3T\]
Work done on an object is \[W = Fd\] where \[F\] is the force acting on a body and \[d\] is the distance moved by the body while the body acts on it.
Work done on A is
\[W = 2T \times \Delta y\]
\[ \Rightarrow \Delta y = \dfrac{W}{{2T}}\]
Then the work done on B would be
\[W = 3T \times \Delta x = 3T \times - \Delta y\]
\[ \Rightarrow 3T \times - \left( {\dfrac{W}{{2T}}} \right) = - \dfrac{{3W}}{2}\]
Hence the correct option is C
Note: For clarity, we can prove that \[\Delta y = - \Delta x\] as follows.
The distance between the blocks is the sum of \[x\] and \[y\] as in
\[d = x + y\]
By finding the derivative (which gives the instantaneous change of the quantities), we get
\[0 = dx + dy\] (since the length of the string is constant, the distance between the blocks cannot increase)
\[dy= - dx\]
\[ \Rightarrow \Delta y = - \Delta x\]
Formula used: In this solution we will be using the following formulae;
\[W = Fd\] where \[W\] is the work done by a force on a body, \[F\] is the force acting on a body and \[d\] is the distance moved by the body while the body acts on it.
Complete Step-by-Step Solution:

Let the distance between the two blocks be \[d\]. The let the distance of the left block to the fixed point be \[x\], and the distance of the right block to fix point be \[y\] such that their sum is the distance from each other
Hence, if the block A is pulled, then the distance \[y\] changes. But since the total length of the string is constant, the distance \[x\] must reduce correspondingly.
Then \[\Delta y = - \Delta x\]
Now, since it’s the same string, the tensions in each line of the string are all equal to say \[T\]. This means that the total tension acting on block A will be \[2T\] (because the lines connected to A are 2).
Similarity, the tension on the block B will be \[3T\]
Work done on an object is \[W = Fd\] where \[F\] is the force acting on a body and \[d\] is the distance moved by the body while the body acts on it.
Work done on A is
\[W = 2T \times \Delta y\]
\[ \Rightarrow \Delta y = \dfrac{W}{{2T}}\]
Then the work done on B would be
\[W = 3T \times \Delta x = 3T \times - \Delta y\]
\[ \Rightarrow 3T \times - \left( {\dfrac{W}{{2T}}} \right) = - \dfrac{{3W}}{2}\]
Hence the correct option is C
Note: For clarity, we can prove that \[\Delta y = - \Delta x\] as follows.
The distance between the blocks is the sum of \[x\] and \[y\] as in
\[d = x + y\]
By finding the derivative (which gives the instantaneous change of the quantities), we get
\[0 = dx + dy\] (since the length of the string is constant, the distance between the blocks cannot increase)
\[dy= - dx\]
\[ \Rightarrow \Delta y = - \Delta x\]
Recently Updated Pages
JEE Atomic Structure and Chemical Bonding important Concepts and Tips

JEE Amino Acids and Peptides Important Concepts and Tips for Exam Preparation

Electricity and Magnetism Explained: Key Concepts & Applications

Chemical Properties of Hydrogen - Important Concepts for JEE Exam Preparation

JEE Energetics Important Concepts and Tips for Exam Preparation

JEE Isolation, Preparation and Properties of Non-metals Important Concepts and Tips for Exam Preparation

Trending doubts
JEE Main 2026: Application Form Open, Exam Dates, Syllabus, Eligibility & Question Papers

Derivation of Equation of Trajectory Explained for Students

Hybridisation in Chemistry – Concept, Types & Applications

Understanding the Angle of Deviation in a Prism

Understanding Collisions: Types and Examples for Students

How to Convert a Galvanometer into an Ammeter or Voltmeter

Other Pages
JEE Advanced Marks vs Ranks 2025: Understanding Category-wise Qualifying Marks and Previous Year Cut-offs

Units And Measurements Class 11 Physics Chapter 1 CBSE Notes - 2025-26

NCERT Solutions For Class 11 Physics Chapter 8 Mechanical Properties Of Solids

Motion in a Straight Line Class 11 Physics Chapter 2 CBSE Notes - 2025-26

NCERT Solutions for Class 11 Physics Chapter 7 Gravitation 2025-26

Ideal and Non-Ideal Solutions Explained for Class 12 Chemistry

