
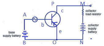
Figure shows the circuit of an electronic device:
i) Which electronic device: a rectifier, an oscillator or an amplifier does the circuit represent?
ii) State where the input voltage is applied and output voltage is available.
iii) Compare the output voltage of this circuit with its input voltage.

Answer
208.5k+ views
Hint: Transistor when supplied with a voltage source at two of its terminals let’s say emitter and base and output is produced at the other two terminals let’s say emitter and collector is performed as an amplifier. Using the above hint we will find out which type of transistor is used in the circuit given in the question above and how it is acting as an amplifier.
Complete step by step solution:
Let’s answer each of point mentioned in the question one by one:
i) The figure shown in the question above circuit diagram represents an Amplifier. Transistor when connected in an active region at both the combination of terminals i.e. emitter base and emitter collector. Active region means that the voltage source connected to an emitter base region and emitter collector region should be forward biased. The above amplifier is a p-n-p transistor common emitter Amplifier. Amplifier is an electronic device which strengthens the weak signal by raising its strength.
ii) Input voltage is applied at the AB terminal of the emitter base junction and the output voltage is produced at MN terminal across the load resistor with an amplified signal.
iii) Output voltage of the amplifier having common emitter configuration is 1800 out of phase as compared to input voltage. The reason for this is that when the input voltage is applied, current through the base circuit increases, which increases the current through the collector circuit also. This collector current lets the transistor on and makes the emitter collector voltage to fall below emitter base voltage, which brings a 1800 phase shift.
Note: Transistor works as amplifier in active region and acts as switch in cut off and saturation regions. Cut off region or saturation is the one in which both the regions of the transistors are reversed bias, base and emitter collector regions. Transistors give 1800 phase shifts only in common emitter configuration.
Complete step by step solution:
Let’s answer each of point mentioned in the question one by one:
i) The figure shown in the question above circuit diagram represents an Amplifier. Transistor when connected in an active region at both the combination of terminals i.e. emitter base and emitter collector. Active region means that the voltage source connected to an emitter base region and emitter collector region should be forward biased. The above amplifier is a p-n-p transistor common emitter Amplifier. Amplifier is an electronic device which strengthens the weak signal by raising its strength.
ii) Input voltage is applied at the AB terminal of the emitter base junction and the output voltage is produced at MN terminal across the load resistor with an amplified signal.
iii) Output voltage of the amplifier having common emitter configuration is 1800 out of phase as compared to input voltage. The reason for this is that when the input voltage is applied, current through the base circuit increases, which increases the current through the collector circuit also. This collector current lets the transistor on and makes the emitter collector voltage to fall below emitter base voltage, which brings a 1800 phase shift.
Note: Transistor works as amplifier in active region and acts as switch in cut off and saturation regions. Cut off region or saturation is the one in which both the regions of the transistors are reversed bias, base and emitter collector regions. Transistors give 1800 phase shifts only in common emitter configuration.
Recently Updated Pages
Uniform Acceleration: Definition, Equations & Graphs for JEE/NEET

JEE Electricity and Magnetism Important Concepts and Tips for Exam Preparation

JEE Energetics Important Concepts and Tips for Exam Preparation

JEE Isolation, Preparation and Properties of Non-metals Important Concepts and Tips for Exam Preparation

JEE Atomic Structure and Chemical Bonding important Concepts and Tips

JEE Amino Acids and Peptides Important Concepts and Tips for Exam Preparation

Trending doubts
JEE Main 2026: Application Form Open, Exam Dates, Syllabus, Eligibility & Question Papers

Equation of Trajectory in Projectile Motion: Derivation & Proof

JEE Main Correction Window 2026- Edit Form Details, Dates and Link

Atomic Structure: Definition, Models, and Examples

Angle of Deviation in a Prism – Formula, Diagram & Applications

Hybridisation in Chemistry – Concept, Types & Applications

Other Pages
JEE Advanced Marks vs Ranks 2025: Understanding Category-wise Qualifying Marks and Previous Year Cut-offs

Collision: Meaning, Types & Examples in Physics

How to Convert a Galvanometer into an Ammeter or Voltmeter

Average and RMS Value in Physics: Formula, Comparison & Application

Ideal and Non-Ideal Solutions Explained for Class 12 Chemistry

Degree of Dissociation: Meaning, Formula, Calculation & Uses

