
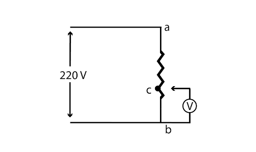
A potential difference of 220 V is maintained across a 12000 ohm rheostat, as shown in the figure. The voltmeter has a resistance of 6000 ohm and point c is at one-fourth of the distance from a to b, therefore, the reading of the voltmeter will be

A. 32 V
B. 36 V
C. 40 V
D. 42 V
Answer
232.8k+ views
Hint:This problem is from the section current electricity. The concept of equivalent resistance is needed to solve this problem. The current decreases as resistance increases. On the other hand, the current increases as the resistance decreases.
Formula used:
Equivalent resistance for a series resistance circuit:
${R_s} = {R_1} + {R_2} + {R_3}$
Where ${R_s}$= series equivalent resistance and ${R_1},{R_2},{R_3}$ = component resistance.
Equivalent resistance for a parallel resistance circuit:
$\dfrac{1}{{{R_p}}} = \dfrac{1}{{{R_1}}} + \dfrac{1}{{{R_2}}} + \dfrac{1}{{{R_3}}}$
Where ${R_p}$= parallel equivalent resistance and ${R_1},{R_2},{R_3}$ = component resistance.
Complete step by step solution:
In the case of linear Rheostat, Resistance (R) is directly proportional to length (L).
$R \propto L$
Then, ${R_{ac}} \propto ac$ and ${R_{ab}} \propto ab$.
Taking the ratio in the values and we will get
$\dfrac{{{R_{ac}}}}{{{R_{ab}}}} = \dfrac{{ac}}{{ab}}$
The given value is:
${R_{ab}} = 12000\Omega $
And, $ac = \dfrac{1}{4}ab \Rightarrow \dfrac{{ac}}{{ab}} = \dfrac{1}{4}$
Substitute these values and find ${R_{ac}}$.
${R_{ac}} = 12000 \times \dfrac{1}{4} = 3000\Omega $
The resistance${R_{ac}}$ is in parallel with the voltmeter. The resistance of the voltmeter is given and that is ${V_R} = 6000\Omega $.
The resistances ${R_{ac}}$ and ${V_R}$ are in parallel connection. Then, the effective resistance between points a and c is,
${R'_{ac}} = \dfrac{{{R_{ac}} \times {V_R}}}{{{R_{ac}} + {V_R}}} \\
\Rightarrow {R'_{ac}} = \dfrac{{3000 \times 6000}}{{9000}} \\
\Rightarrow {R'_{ac}} = 2000\Omega \\ $
The resistance between points a and c is,
${R_{bc}} = 12000 - 3000 = 9000\Omega $.
${R_{bc}}$ and ${R'_{ac}}$ care in series.
Therefore the Voltmeter reading will be,
${V_{ac}} = \dfrac{{{{R'}_{ac}} \times {V_{ab}}}}{{{{R'}_{ac}} + {R_{bc}}}} \\
\therefore {V_{ac}} = \dfrac{{2000 \times 220}}{{9000 + 2000}} = 40V$
Hence, the correct option is option C.
Note: A conductor's electrical resistance is affected by the following parameters: The conductor's cross-sectional area, the conductor's length, the conductor's material and the conducting material's temperature. Electrical resistance is inversely proportional to the cross-sectional area and directly proportional to the conductor's length.
Formula used:
Equivalent resistance for a series resistance circuit:
${R_s} = {R_1} + {R_2} + {R_3}$
Where ${R_s}$= series equivalent resistance and ${R_1},{R_2},{R_3}$ = component resistance.
Equivalent resistance for a parallel resistance circuit:
$\dfrac{1}{{{R_p}}} = \dfrac{1}{{{R_1}}} + \dfrac{1}{{{R_2}}} + \dfrac{1}{{{R_3}}}$
Where ${R_p}$= parallel equivalent resistance and ${R_1},{R_2},{R_3}$ = component resistance.
Complete step by step solution:
In the case of linear Rheostat, Resistance (R) is directly proportional to length (L).
$R \propto L$
Then, ${R_{ac}} \propto ac$ and ${R_{ab}} \propto ab$.
Taking the ratio in the values and we will get
$\dfrac{{{R_{ac}}}}{{{R_{ab}}}} = \dfrac{{ac}}{{ab}}$
The given value is:
${R_{ab}} = 12000\Omega $
And, $ac = \dfrac{1}{4}ab \Rightarrow \dfrac{{ac}}{{ab}} = \dfrac{1}{4}$
Substitute these values and find ${R_{ac}}$.
${R_{ac}} = 12000 \times \dfrac{1}{4} = 3000\Omega $
The resistance${R_{ac}}$ is in parallel with the voltmeter. The resistance of the voltmeter is given and that is ${V_R} = 6000\Omega $.
The resistances ${R_{ac}}$ and ${V_R}$ are in parallel connection. Then, the effective resistance between points a and c is,
${R'_{ac}} = \dfrac{{{R_{ac}} \times {V_R}}}{{{R_{ac}} + {V_R}}} \\
\Rightarrow {R'_{ac}} = \dfrac{{3000 \times 6000}}{{9000}} \\
\Rightarrow {R'_{ac}} = 2000\Omega \\ $
The resistance between points a and c is,
${R_{bc}} = 12000 - 3000 = 9000\Omega $.
${R_{bc}}$ and ${R'_{ac}}$ care in series.
Therefore the Voltmeter reading will be,
${V_{ac}} = \dfrac{{{{R'}_{ac}} \times {V_{ab}}}}{{{{R'}_{ac}} + {R_{bc}}}} \\
\therefore {V_{ac}} = \dfrac{{2000 \times 220}}{{9000 + 2000}} = 40V$
Hence, the correct option is option C.
Note: A conductor's electrical resistance is affected by the following parameters: The conductor's cross-sectional area, the conductor's length, the conductor's material and the conducting material's temperature. Electrical resistance is inversely proportional to the cross-sectional area and directly proportional to the conductor's length.
Recently Updated Pages
Circuit Switching vs Packet Switching: Key Differences Explained

JEE General Topics in Chemistry Important Concepts and Tips

JEE Extractive Metallurgy Important Concepts and Tips for Exam Preparation

JEE Amino Acids and Peptides Important Concepts and Tips for Exam Preparation

JEE Atomic Structure and Chemical Bonding important Concepts and Tips

Electricity and Magnetism Explained: Key Concepts & Applications

Trending doubts
JEE Main 2026: Session 2 Registration Open, City Intimation Slip, Exam Dates, Syllabus & Eligibility

JEE Main 2026 Application Login: Direct Link, Registration, Form Fill, and Steps

JEE Main Marking Scheme 2026- Paper-Wise Marks Distribution and Negative Marking Details

Understanding the Angle of Deviation in a Prism

Hybridisation in Chemistry – Concept, Types & Applications

How to Convert a Galvanometer into an Ammeter or Voltmeter

Other Pages
JEE Advanced Marks vs Ranks 2025: Understanding Category-wise Qualifying Marks and Previous Year Cut-offs

Dual Nature of Radiation and Matter Class 12 Physics Chapter 11 CBSE Notes - 2025-26

Understanding Uniform Acceleration in Physics

Understanding the Electric Field of a Uniformly Charged Ring

JEE Advanced Weightage 2025 Chapter-Wise for Physics, Maths and Chemistry

Derivation of Equation of Trajectory Explained for Students

