
A balanced Wheatstone's bridge is shown in the figure. Find the value of the currents ${i_1}$ and ${i_2}$.

A) $0.9{\text{A}}$ and $0.6{\text{A}}$
B) $0.3{\text{A}}$ and $0.2{\text{A}}$
C) $0.5{\text{A}}$ and $0.7{\text{A}}$
D) $0.7{\text{A}}$ and $0.6{\text{A}}$
Answer
219.3k+ views
Hint: In a balanced Wheatstone's bridge, the ratio of the resistances of the two arms will be the same. Here branches ABC and ADC are connected in parallel but the resistors in each branch form a series connection. So we can find the effective resistance of the circuit which will give us the total current in the circuit. The currents ${i_1}$ and ${i_2}$ can be then found out using the balance condition of the bridge.
Formulae used:
The effective resistance when two resistors are connected in series is given by, ${R_{eff}} = {R_1} + {R_2}$ where ${R_1}$ and ${R_2}$ are the resistances of the two resistors.
The effective resistance when two resistors are connected in parallel is given by, ${R_{eff}} = \dfrac{{{R_1}{R_2}}}{{{R_1} + {R_2}}}$ where ${R_1}$ and ${R_2}$ are the resistances of the two resistors.
The current through a circuit is given by, $I = \dfrac{V}{{{R_{eff}}}}$ where ${R_{eff}}$ is the effective resistance of the circuit and $V$ is the voltage across the circuit.
Complete step by step answer:
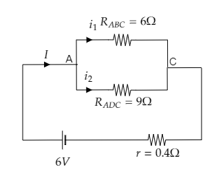
Sketch the given circuit diagram and list its parameters.

From the above diagram we have, ${R_{AD}} = 3\Omega $ , ${R_{DC}} = 6\Omega $ , ${R_{AB}} = 2\Omega $ and ${R_{BC}} = 4\Omega $ .
The internal resistance of the battery is $r = 0.4\Omega $ .
The emf of the battery is $V = 6{\text{V}}$ .
Here ${i_1}$ is the current through ABC and ${i_2}$ is the current through ADC.
Let $I$ be the total current through the circuit.
Obtain the effective resistances of the two branches to find the effective resistance of the circuit.
In branch ADB, ${R_{AD}}$ and ${R_{DC}}$ are connected in series and so the effective resistance of branch ADB will be ${R_{ADC}} = {R_{AD}} + {R_{DC}}$ ------- (1)
Substituting ${R_{AD}} = 3\Omega $ and ${R_{DC}} = 6\Omega $ in equation (1) we get, ${R_{ADC}} = 3 + 6 = 9\Omega $
So the effective resistance of branch ADC is ${R_{ADC}} = 9\Omega $ .
Similarly, in branch ABC, ${R_{AB}} = 2\Omega $ and ${R_{BC}} = 4\Omega $ are connected in series and so the effective resistance of branch ABC will be ${R_{ABC}} = 2 + 4 = 6\Omega $ .
Now the reduced circuit is given below.

In this circuit ${R_{ADC}} = 9\Omega $ and ${R_{ABC}} = 6\Omega $ are connected in parallel and the internal resistance of the battery is connected in series with it.
So the effective resistance of the circuit will be ${R_{eff}} = \dfrac{{{R_{ADC}}{R_{ABC}}}}{{{R_{ADC}} + {R_{ABC}}}} + r$ -------- (2)
Substituting ${R_{ADC}} = 9\Omega $ , ${R_{ABC}} = 6\Omega $ and $r = 0.4\Omega $ in equation (2) we get, ${R_{eff}} = \dfrac{{9 \times 6}}{{9 + 6}} + 0.4 = 4\Omega $
Thus the total resistance of the circuit is ${R_{eff}} = 4\Omega $ .
Using Ohm’s law obtains the total current through the circuit.
Ohm’s law gives the current through the given circuit as $I = \dfrac{V}{{{R_{eff}}}}$ -------- (3)
Substituting for ${R_{eff}} = 4\Omega $ and $V = 6{\text{V}}$ in equation (3) we get, $I = \dfrac{6}{4} = 1.5{\text{A}}$
Thus the current through the circuit is $I = 1.5{\text{A}}$ .
Using Kirchoff’s junction rule and the balanced condition of the bridge we can find the currents ${i_1}$ and ${i_2}$ .
According to Kirchoff’s junction rule at point A, the total current $I$ splits into the currents ${i_1}$ and ${i_2}$ .
i.e., $I = {i_1} + {i_2}$ ------- (4)
Also, the given Wheatstone's bridge is said to be balanced.
$ \Rightarrow {i_2}{R_{AD}} = {i_1}{R_{AB}}$ --------- (5)
Substituting for ${R_{AB}} = 2\Omega $ and ${R_{AD}} = 3\Omega $ in equation (5) we get, $3{i_2} = 2{i_1}$
$ \Rightarrow {i_2} = \dfrac{{2{i_1}}}{3}$ ------- (6)
Substituting equation (6) in (4) we get, $I = {i_1} + \dfrac{{2{i_1}}}{3} = \dfrac{{5{i_2}}}{3}$
$ \Rightarrow {i_1} = \dfrac{{3I}}{5}$ and on substituting for $I = 1.5{\text{A}}$ we get, ${i_1} = \dfrac{{3 \times 1.5}}{5} = 0.9{\text{A}}$
Then back-substituting ${i_1} = 0.9{\text{A}}$ in equation (6) we get, ${i_2} = \dfrac{{2 \times 0.9}}{3} = 0.6{\text{A}}$
Thus the values of the currents are ${i_1} = 0.9{\text{A}}$ and ${i_2} = 0.6{\text{A}}$.
So the correct option is A.
Note: Here the Wheatstone’ bridge is mentioned to be a balanced bridge. In a balanced bridge, the potential drop at points C and D in the given circuit diagram will be the same. This is given by equation (5). Also since the potential drop at C and D are the same, the potential difference between these two points will be zero and so no current will flow through the galvanometer.
Formulae used:
The effective resistance when two resistors are connected in series is given by, ${R_{eff}} = {R_1} + {R_2}$ where ${R_1}$ and ${R_2}$ are the resistances of the two resistors.
The effective resistance when two resistors are connected in parallel is given by, ${R_{eff}} = \dfrac{{{R_1}{R_2}}}{{{R_1} + {R_2}}}$ where ${R_1}$ and ${R_2}$ are the resistances of the two resistors.
The current through a circuit is given by, $I = \dfrac{V}{{{R_{eff}}}}$ where ${R_{eff}}$ is the effective resistance of the circuit and $V$ is the voltage across the circuit.
Complete step by step answer:
Sketch the given circuit diagram and list its parameters.

From the above diagram we have, ${R_{AD}} = 3\Omega $ , ${R_{DC}} = 6\Omega $ , ${R_{AB}} = 2\Omega $ and ${R_{BC}} = 4\Omega $ .
The internal resistance of the battery is $r = 0.4\Omega $ .
The emf of the battery is $V = 6{\text{V}}$ .
Here ${i_1}$ is the current through ABC and ${i_2}$ is the current through ADC.
Let $I$ be the total current through the circuit.
Obtain the effective resistances of the two branches to find the effective resistance of the circuit.
In branch ADB, ${R_{AD}}$ and ${R_{DC}}$ are connected in series and so the effective resistance of branch ADB will be ${R_{ADC}} = {R_{AD}} + {R_{DC}}$ ------- (1)
Substituting ${R_{AD}} = 3\Omega $ and ${R_{DC}} = 6\Omega $ in equation (1) we get, ${R_{ADC}} = 3 + 6 = 9\Omega $
So the effective resistance of branch ADC is ${R_{ADC}} = 9\Omega $ .
Similarly, in branch ABC, ${R_{AB}} = 2\Omega $ and ${R_{BC}} = 4\Omega $ are connected in series and so the effective resistance of branch ABC will be ${R_{ABC}} = 2 + 4 = 6\Omega $ .
Now the reduced circuit is given below.

In this circuit ${R_{ADC}} = 9\Omega $ and ${R_{ABC}} = 6\Omega $ are connected in parallel and the internal resistance of the battery is connected in series with it.
So the effective resistance of the circuit will be ${R_{eff}} = \dfrac{{{R_{ADC}}{R_{ABC}}}}{{{R_{ADC}} + {R_{ABC}}}} + r$ -------- (2)
Substituting ${R_{ADC}} = 9\Omega $ , ${R_{ABC}} = 6\Omega $ and $r = 0.4\Omega $ in equation (2) we get, ${R_{eff}} = \dfrac{{9 \times 6}}{{9 + 6}} + 0.4 = 4\Omega $
Thus the total resistance of the circuit is ${R_{eff}} = 4\Omega $ .
Using Ohm’s law obtains the total current through the circuit.
Ohm’s law gives the current through the given circuit as $I = \dfrac{V}{{{R_{eff}}}}$ -------- (3)
Substituting for ${R_{eff}} = 4\Omega $ and $V = 6{\text{V}}$ in equation (3) we get, $I = \dfrac{6}{4} = 1.5{\text{A}}$
Thus the current through the circuit is $I = 1.5{\text{A}}$ .
Using Kirchoff’s junction rule and the balanced condition of the bridge we can find the currents ${i_1}$ and ${i_2}$ .
According to Kirchoff’s junction rule at point A, the total current $I$ splits into the currents ${i_1}$ and ${i_2}$ .
i.e., $I = {i_1} + {i_2}$ ------- (4)
Also, the given Wheatstone's bridge is said to be balanced.
$ \Rightarrow {i_2}{R_{AD}} = {i_1}{R_{AB}}$ --------- (5)
Substituting for ${R_{AB}} = 2\Omega $ and ${R_{AD}} = 3\Omega $ in equation (5) we get, $3{i_2} = 2{i_1}$
$ \Rightarrow {i_2} = \dfrac{{2{i_1}}}{3}$ ------- (6)
Substituting equation (6) in (4) we get, $I = {i_1} + \dfrac{{2{i_1}}}{3} = \dfrac{{5{i_2}}}{3}$
$ \Rightarrow {i_1} = \dfrac{{3I}}{5}$ and on substituting for $I = 1.5{\text{A}}$ we get, ${i_1} = \dfrac{{3 \times 1.5}}{5} = 0.9{\text{A}}$
Then back-substituting ${i_1} = 0.9{\text{A}}$ in equation (6) we get, ${i_2} = \dfrac{{2 \times 0.9}}{3} = 0.6{\text{A}}$
Thus the values of the currents are ${i_1} = 0.9{\text{A}}$ and ${i_2} = 0.6{\text{A}}$.
So the correct option is A.
Note: Here the Wheatstone’ bridge is mentioned to be a balanced bridge. In a balanced bridge, the potential drop at points C and D in the given circuit diagram will be the same. This is given by equation (5). Also since the potential drop at C and D are the same, the potential difference between these two points will be zero and so no current will flow through the galvanometer.
Recently Updated Pages
A square frame of side 10 cm and a long straight wire class 12 physics JEE_Main

The work done in slowly moving an electron of charge class 12 physics JEE_Main

Two identical charged spheres suspended from a common class 12 physics JEE_Main

According to Bohrs theory the timeaveraged magnetic class 12 physics JEE_Main

ill in the blanks Pure tungsten has A Low resistivity class 12 physics JEE_Main

The value of the resistor RS needed in the DC voltage class 12 physics JEE_Main

Trending doubts
JEE Main 2026: Application Form Open, Exam Dates, Syllabus, Eligibility & Question Papers

Understanding Uniform Acceleration in Physics

Derivation of Equation of Trajectory Explained for Students

Hybridisation in Chemistry – Concept, Types & Applications

Understanding the Angle of Deviation in a Prism

Understanding Collisions: Types and Examples for Students

Other Pages
JEE Advanced Marks vs Ranks 2025: Understanding Category-wise Qualifying Marks and Previous Year Cut-offs

Understanding Atomic Structure for Beginners

How to Convert a Galvanometer into an Ammeter or Voltmeter

Understanding Centrifugal Force in Physics

JEE Main Marking Scheme 2026- Paper-Wise Marks Distribution and Negative Marking Details

Degree of Dissociation: Meaning, Formula, Calculation & Uses

