
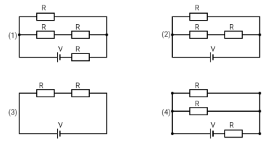
Five circuits are shown below. All the batteries have the same voltage $ V $ and all resistors have the same resistance $ R $ . In which circuit does the battery deliver the most power?
Answer
512.1k+ views
Hint :Joule's law, which states that the heat emitted in resistance is proportional to the square of the current flowing through the resistance over a given time, is directly related to Ohm's law.
Complete Step By Step Answer:
The difference in charge between two points is known as voltage. The rate at which charge flows is referred to as current. The inclination of a substance to resist the movement of charge is known as resistance (current).
We know that $ Power = V \times I $ where $ V $ represents the applied voltage and $ I $ represents the current in the circuit.
According to Ohm ’s Law, we know that $ \dfrac{V}{I} = R $
We can rewrite it as $ I = \dfrac{V}{R} $
Now we substitute $ I $ in the formula of power. So, we get,
$ Power = V \times I = V \times \dfrac{V}{R} \\
\therefore Power = \dfrac{{{V^2}}}{R} \\ $
We have to find which battery delivers the most power, from the above equation it is obvious that power will be the most when resistance is the least.
Considering option $ 1 $ :
Resistance in parallel is,
$ \dfrac{1}{{{R_P}}} = \left( {\dfrac{1}{R} + \dfrac{1}{{2R}}} \right) \\
\Rightarrow \dfrac{1}{{{R_P}}} = \dfrac{3}{{2R}} \\
\Rightarrow \dfrac{1}{{{R_P}}} = \dfrac{3}{{2R}} \\
\Rightarrow {R_P} = \dfrac{{2R}}{3} \\ $
$ {R_S} = R $
Total resistance is, $ {R_T} = {R_P} + {R_S} $
$ {R_T} = \dfrac{{2R}}{3} + R = \dfrac{{5R}}{3} $
Considering option $ 2 $ :
Resistance in parallel is,
$ \dfrac{1}{{{R_P}}} = \left( {\dfrac{1}{R} + \dfrac{1}{{2R}}} \right) \\
\Rightarrow \dfrac{1}{{{R_P}}} = \dfrac{3}{{2R}} \\
\Rightarrow \dfrac{1}{{{R_P}}} = \dfrac{3}{{2R}} \\
\Rightarrow {R_P} = \dfrac{{2R}}{3} \\ $
$ {R_S} = 0 $
Total resistance is, $ {R_T} = {R_P} + {R_S} $
$ {R_T} = \dfrac{{2R}}{3} + 0 = \dfrac{{2R}}{3} $
Considering option $ 3 $ :
Resistance in parallel is,
$ \dfrac{1}{{{R_P}}} = 0 \\
\Rightarrow {R_P} = 0 \\ $
$ {R_S} = R + R = 2R $
Total resistance is, $ {R_T} = {R_P} + {R_S} $
$ {R_T} = 0 + 2R = 2R $
Considering option $ 4 $ :
Resistance in parallel is,
$ \dfrac{1}{{{R_P}}} = \left( {\dfrac{1}{R} + \dfrac{1}{R}} \right) \\
\Rightarrow \dfrac{1}{{{R_P}}} = \dfrac{2}{R} \\
\Rightarrow {R_P} = \dfrac{R}{2} \\ $
$ {R_S} = R $
Total resistance is, $ {R_T} = {R_P} + {R_S} $
$ {R_T} = \dfrac{R}{2} + R = \dfrac{{3R}}{2} $
Since option $ 2 $ has the least resistance, $ {R_T} = \dfrac{{2R}}{3} $ .
Therefore, option $ 2 $ circuit’s battery delivers the most power.
Note :
In electrical systems, resistance is a critical property that can be calculated. Ohms are the units used to assess resistance. Low-resistance materials allow electricity to flow freely. To allow electricity flow through materials with higher resistance, more voltage (EMF) is required.
Complete Step By Step Answer:
The difference in charge between two points is known as voltage. The rate at which charge flows is referred to as current. The inclination of a substance to resist the movement of charge is known as resistance (current).
We know that $ Power = V \times I $ where $ V $ represents the applied voltage and $ I $ represents the current in the circuit.
According to Ohm ’s Law, we know that $ \dfrac{V}{I} = R $
We can rewrite it as $ I = \dfrac{V}{R} $
Now we substitute $ I $ in the formula of power. So, we get,
$ Power = V \times I = V \times \dfrac{V}{R} \\
\therefore Power = \dfrac{{{V^2}}}{R} \\ $
We have to find which battery delivers the most power, from the above equation it is obvious that power will be the most when resistance is the least.
Considering option $ 1 $ :
Resistance in parallel is,
$ \dfrac{1}{{{R_P}}} = \left( {\dfrac{1}{R} + \dfrac{1}{{2R}}} \right) \\
\Rightarrow \dfrac{1}{{{R_P}}} = \dfrac{3}{{2R}} \\
\Rightarrow \dfrac{1}{{{R_P}}} = \dfrac{3}{{2R}} \\
\Rightarrow {R_P} = \dfrac{{2R}}{3} \\ $
$ {R_S} = R $
Total resistance is, $ {R_T} = {R_P} + {R_S} $
$ {R_T} = \dfrac{{2R}}{3} + R = \dfrac{{5R}}{3} $
Considering option $ 2 $ :
Resistance in parallel is,
$ \dfrac{1}{{{R_P}}} = \left( {\dfrac{1}{R} + \dfrac{1}{{2R}}} \right) \\
\Rightarrow \dfrac{1}{{{R_P}}} = \dfrac{3}{{2R}} \\
\Rightarrow \dfrac{1}{{{R_P}}} = \dfrac{3}{{2R}} \\
\Rightarrow {R_P} = \dfrac{{2R}}{3} \\ $
$ {R_S} = 0 $
Total resistance is, $ {R_T} = {R_P} + {R_S} $
$ {R_T} = \dfrac{{2R}}{3} + 0 = \dfrac{{2R}}{3} $
Considering option $ 3 $ :
Resistance in parallel is,
$ \dfrac{1}{{{R_P}}} = 0 \\
\Rightarrow {R_P} = 0 \\ $
$ {R_S} = R + R = 2R $
Total resistance is, $ {R_T} = {R_P} + {R_S} $
$ {R_T} = 0 + 2R = 2R $
Considering option $ 4 $ :
Resistance in parallel is,
$ \dfrac{1}{{{R_P}}} = \left( {\dfrac{1}{R} + \dfrac{1}{R}} \right) \\
\Rightarrow \dfrac{1}{{{R_P}}} = \dfrac{2}{R} \\
\Rightarrow {R_P} = \dfrac{R}{2} \\ $
$ {R_S} = R $
Total resistance is, $ {R_T} = {R_P} + {R_S} $
$ {R_T} = \dfrac{R}{2} + R = \dfrac{{3R}}{2} $
Since option $ 2 $ has the least resistance, $ {R_T} = \dfrac{{2R}}{3} $ .
Therefore, option $ 2 $ circuit’s battery delivers the most power.
Note :
In electrical systems, resistance is a critical property that can be calculated. Ohms are the units used to assess resistance. Low-resistance materials allow electricity to flow freely. To allow electricity flow through materials with higher resistance, more voltage (EMF) is required.
Recently Updated Pages
A man running at a speed 5 ms is viewed in the side class 12 physics CBSE

State and explain Hardy Weinbergs Principle class 12 biology CBSE

Which of the following statements is wrong a Amnion class 12 biology CBSE

Two Planoconcave lenses 1 and 2 of glass of refractive class 12 physics CBSE

The compound 2 methyl 2 butene on reaction with NaIO4 class 12 chemistry CBSE

Bacterial cell wall is made up of A Cellulose B Hemicellulose class 12 biology CBSE

Trending doubts
What are the major means of transport Explain each class 12 social science CBSE

Which are the Top 10 Largest Countries of the World?

Explain sex determination in humans with line diag class 12 biology CBSE

Draw a labelled sketch of the human eye class 12 physics CBSE

How much time does it take to bleed after eating p class 12 biology CBSE

Suicide bags of cells are aEndoplasmic reticulum bLysosome class 12 biology CBSE

