
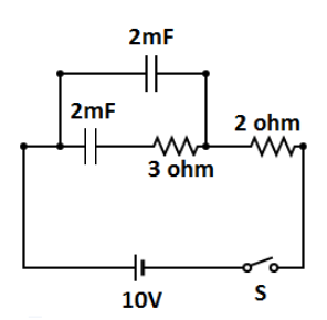
Current through the battery at the instance when the switch $S$ is closed in the given diagram is:
Answer
503.4k+ views
Hint:In electrical circuits, when capacitor and resistors are connected then we always check which two points of the circuit will get short circuited due to presence of capacitor and then will find total resistance of circuit and hence using ohm’s law of electricity, we will find the current through the circuit.
Complete step by step answer:
In the given circuit two capacitors of capacitance $2\mu F$ are connected and we can see the topmost capacitor will start to charge as soon as the circuit is closed when switch will be closed and hence the terminal between capacitor and resistance will get short circuited hence, no current will pass through them.
The circuit will have now only the battery of voltage $10V$ and a resistor of resistance $2\Omega $ . We know that, Ohm’s law of electricity said that resistance across the voltage is defined as $R = \dfrac{V}{I}$
Here, we have
$\text{Voltage} = 10\,V$
$R = 2\Omega $
Using the equation $R = \dfrac{V}{I}$
We get,
$I = \dfrac{{10}}{2}$
$\therefore I = 5\,A$
So, the current through the circuit is $5A$.
Hence, as soon as the switch $S$ is closed the current through the circuit will flow of magnitude $5A$.
Note: It’s important to remember that as the switch is closed and current starts to flow in the circuit the capacitor gets charged but as its direct current so the current will not pass through the capacitors is there were an alternating current, then there was a current across the capacitors which varies with time.
Complete step by step answer:
In the given circuit two capacitors of capacitance $2\mu F$ are connected and we can see the topmost capacitor will start to charge as soon as the circuit is closed when switch will be closed and hence the terminal between capacitor and resistance will get short circuited hence, no current will pass through them.
The circuit will have now only the battery of voltage $10V$ and a resistor of resistance $2\Omega $ . We know that, Ohm’s law of electricity said that resistance across the voltage is defined as $R = \dfrac{V}{I}$
Here, we have
$\text{Voltage} = 10\,V$
$R = 2\Omega $
Using the equation $R = \dfrac{V}{I}$
We get,
$I = \dfrac{{10}}{2}$
$\therefore I = 5\,A$
So, the current through the circuit is $5A$.
Hence, as soon as the switch $S$ is closed the current through the circuit will flow of magnitude $5A$.
Note: It’s important to remember that as the switch is closed and current starts to flow in the circuit the capacitor gets charged but as its direct current so the current will not pass through the capacitors is there were an alternating current, then there was a current across the capacitors which varies with time.
Recently Updated Pages
Master Class 12 Business Studies: Engaging Questions & Answers for Success

Master Class 12 Economics: Engaging Questions & Answers for Success

Master Class 12 English: Engaging Questions & Answers for Success

Master Class 12 Maths: Engaging Questions & Answers for Success

Master Class 12 Social Science: Engaging Questions & Answers for Success

Master Class 12 Chemistry: Engaging Questions & Answers for Success

Trending doubts
What are the major means of transport Explain each class 12 social science CBSE

Which are the Top 10 Largest Countries of the World?

Draw a labelled sketch of the human eye class 12 physics CBSE

How much time does it take to bleed after eating p class 12 biology CBSE

Explain sex determination in humans with line diag class 12 biology CBSE

Differentiate between homogeneous and heterogeneous class 12 chemistry CBSE

