
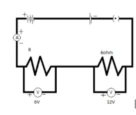
A circuit is shown in the diagram given below.
Find the value of R
Find the reading of the ammeter
Potential difference across the terminals of the battery.
Answer
504k+ views
Hint: Resistance is a measure of the opposition to current flow in an electrical circuit. Resistance is measured in ohms, symbolized by the Greek letter omega (Ω). Ohms are named after Georg Simon Ohm (1784-1854), a German physicist who studied the relationship between voltage, current and resistance. As we know that
$\therefore V = IR$
Complete answer:
The value of R
Since R and $6\Omega $ resistors are in series, same current flows through them, i.e,
Current ‘I’ through the resistor can be
$\therefore I = \dfrac{V}{R}$
Put the values
$ \Rightarrow \dfrac{{6V}}{R} = \dfrac{{12V}}{{6\Omega }}$
Simplify
$ \Rightarrow R = 3\Omega $
The reading of ammeter will be
Ammeter reading will be same as current through R,
$\therefore I = \dfrac{V}{R}$
Put the value
$ \Rightarrow I = \dfrac{{6V}}{{3\Omega }}$
$ \Rightarrow I = 2A$
The potential difference across the terminal
$\therefore Potential\,Difference = {V_1} + {V_2}$
Put the value
\[ \Rightarrow Potential\,Difference = 12 + 6\]
\[ \Rightarrow Potential\,Difference = 18V\]
Additional information:
An ammeter (from ampere meter) is a measuring instrument used to measure the current in a circuit. Electric currents are measured in amperes (A), hence the name. The ammeter is usually connected in series with the circuit in which the current is to be measured.
Note: Potential difference is the difference in the amount of energy that charge carriers have between two points in a circuit. A potential difference of one Volt is equal to one Joule of energy being used by one Coulomb of charge when it flows between two points in a circuit.
$\therefore V = IR$
Complete answer:
The value of R
Since R and $6\Omega $ resistors are in series, same current flows through them, i.e,
Current ‘I’ through the resistor can be
$\therefore I = \dfrac{V}{R}$
Put the values
$ \Rightarrow \dfrac{{6V}}{R} = \dfrac{{12V}}{{6\Omega }}$
Simplify
$ \Rightarrow R = 3\Omega $
The reading of ammeter will be
Ammeter reading will be same as current through R,
$\therefore I = \dfrac{V}{R}$
Put the value
$ \Rightarrow I = \dfrac{{6V}}{{3\Omega }}$
$ \Rightarrow I = 2A$
The potential difference across the terminal
$\therefore Potential\,Difference = {V_1} + {V_2}$
Put the value
\[ \Rightarrow Potential\,Difference = 12 + 6\]
\[ \Rightarrow Potential\,Difference = 18V\]
Additional information:
An ammeter (from ampere meter) is a measuring instrument used to measure the current in a circuit. Electric currents are measured in amperes (A), hence the name. The ammeter is usually connected in series with the circuit in which the current is to be measured.
Note: Potential difference is the difference in the amount of energy that charge carriers have between two points in a circuit. A potential difference of one Volt is equal to one Joule of energy being used by one Coulomb of charge when it flows between two points in a circuit.
Recently Updated Pages
A man running at a speed 5 ms is viewed in the side class 12 physics CBSE

The number of solutions in x in 02pi for which sqrt class 12 maths CBSE

State and explain Hardy Weinbergs Principle class 12 biology CBSE

Write any two methods of preparation of phenol Give class 12 chemistry CBSE

Which of the following statements is wrong a Amnion class 12 biology CBSE

Differentiate between action potential and resting class 12 biology CBSE

Trending doubts
What are the major means of transport Explain each class 12 social science CBSE

Which are the Top 10 Largest Countries of the World?

Draw a labelled sketch of the human eye class 12 physics CBSE

How much time does it take to bleed after eating p class 12 biology CBSE

Explain sex determination in humans with line diag class 12 biology CBSE

Explain sex determination in humans with the help of class 12 biology CBSE

