Simplify the following circuit and find the Boolean polynomial

A. $p \vee (q \wedge r)$
B. $p \wedge (q \vee r)$
C. $p \vee (q \vee r)$
D. $p \wedge (q \wedge r)$
Answer
257.7k+ views
Hint: We should be familiar with Boolean laws before attempting to answer a query of this nature. Boolean expression, it is necessary to first understand the loci symbol for each type of logic operation. We also need to understand how the operations work so that we may provide input appropriately.
Complete answer:
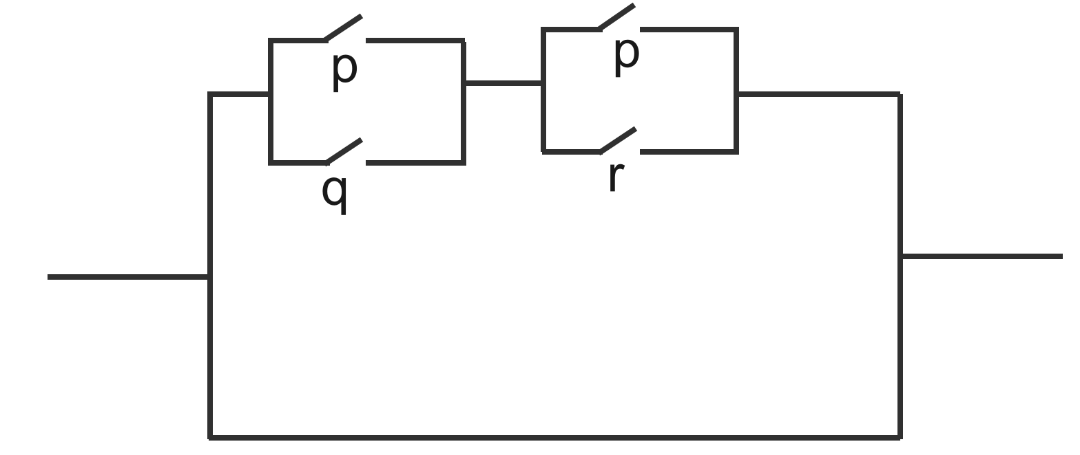
To simplify the given boolean polynomial let us analyse the circuit. In the given logic circuit we have two sub circuits let us say A and B.
In circuit A, both the switches are open, thus in order to current flow in the circuit, either switch p or q must be closed i.e., $p\vee q$.
Similarly, in circuit B,both the switches are open, thus in order to current flow in the circuit, either switch p or r must be closed i.e., $p\vee r$.
And the current will flow through both the circuits if and only if both the box will be closed i.e., $\left(p\vee q\right)\wedge\left(p\vee r\right)$
$p \vee \left(q \wedge r \right)$
Therefore, option A is correct.
Additional Information:
The area of mathematics that exclusively uses binary values is referred to as boolean algebra. A Boolean equation deals with a conjunction, disjunction, and negation instead of arithmetic operations like addition and subtraction. Boolean algebra performs logical computations using operations like AND and OR and employs binary codes to convey the value.
The basic operators that work with the laws of Boolean algebra are:
NOT: It only accepts a single value and is a unary operator. The operator appears in complements and is denoted by A' or A. The negation operation is this. For instance, if A=0 and A=1,
AND: Because it is a binary operator, it only accepts two values. It could be thought of as a logical equivalent to multiplication. The disjunction operation is the name given to this procedure. shown as A AND B or .
OR: Another binary operator is this one. Conjunction is another name for addition's logical counterpart. Symbolized as: A OR B or
Note: We must understand how to modify the input signals appropriately in accordance with the requirements in order to obtain a Boolean expression. Two further universal logic gates are available. The NOR gate is an alternative to the OR gate, while the NAND gate is an alternative to the AND gate.
Complete answer:
To simplify the given boolean polynomial let us analyse the circuit. In the given logic circuit we have two sub circuits let us say A and B.
In circuit A, both the switches are open, thus in order to current flow in the circuit, either switch p or q must be closed i.e., $p\vee q$.
Similarly, in circuit B,both the switches are open, thus in order to current flow in the circuit, either switch p or r must be closed i.e., $p\vee r$.
And the current will flow through both the circuits if and only if both the box will be closed i.e., $\left(p\vee q\right)\wedge\left(p\vee r\right)$
$p \vee \left(q \wedge r \right)$
Therefore, option A is correct.
Additional Information:
The area of mathematics that exclusively uses binary values is referred to as boolean algebra. A Boolean equation deals with a conjunction, disjunction, and negation instead of arithmetic operations like addition and subtraction. Boolean algebra performs logical computations using operations like AND and OR and employs binary codes to convey the value.
The basic operators that work with the laws of Boolean algebra are:
NOT: It only accepts a single value and is a unary operator. The operator appears in complements and is denoted by A' or A. The negation operation is this. For instance, if A=0 and A=1,
AND: Because it is a binary operator, it only accepts two values. It could be thought of as a logical equivalent to multiplication. The disjunction operation is the name given to this procedure. shown as A AND B or .
OR: Another binary operator is this one. Conjunction is another name for addition's logical counterpart. Symbolized as: A OR B or
Note: We must understand how to modify the input signals appropriately in accordance with the requirements in order to obtain a Boolean expression. Two further universal logic gates are available. The NOR gate is an alternative to the OR gate, while the NAND gate is an alternative to the AND gate.
Recently Updated Pages
JEE Main Mock Test 2025-26: Electromagnetic Induction & Alternating Currents

JEE Main Mock Test 2025-26: Optics Chapter Practice Online

JEE Main 2025-26 Mock Test: Properties of Solids and Liquids

JEE Main Mock Test 2025-26: Dual Nature of Matter & Radiation

JEE Main 2025-26 Electromagnetic Waves Mock Test with Solutions

JEE Main 2025-26 Mock Test: Electronic Devices Chapter Practice

Trending doubts
JEE Main 2026: Exam Dates, Session 2 Updates, City Slip, Admit Card & Latest News

JEE Main Participating Colleges 2026 - A Complete List of Top Colleges

JEE Main 2026 Application Login: Direct Link, Registration, Form Fill, and Steps

JEE Main Colleges 2026: Complete List of Participating Institutes

JEE Main Marking Scheme 2026- Paper-Wise Marks Distribution and Negative Marking Details

Hybridisation in Chemistry – Concept, Types & Applications

Other Pages
CBSE Class 12 Physics Question Paper 2026: Download SET-wise PDF with Answer Key & Analysis

JEE Advanced 2026 - Exam Date (Released), Syllabus, Registration, Eligibility, Preparation, and More

JEE Advanced Marks vs Ranks 2025: Understanding Category-wise Qualifying Marks and Previous Year Cut-offs

JEE Advanced Weightage 2025 Chapter-Wise for Physics, Maths and Chemistry

Understanding the Electric Field of a Uniformly Charged Ring

Derivation of Equation of Trajectory Explained for Students

