
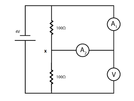
In the figure the ammeter ${A_1}$ reads a current of 10mA, while the voltmeter reads a potential difference of 3V. What does ammeter ${A_2}$ in mA read? The ammeters are identical, the internal resistance of the battery is negligible. (Consider all ammeters and voltmeters as non-ideal.)

A. 6.67 mA
B. 3.12 mA
C. 1.12 mA
D. 5.14 mA
Answer
233.1k+ views
Hint:This question is from the current electricity section of physics. We need to apply Kirchhoff's laws to solve this problem. Using Kirchhoff's first law in the circuit, we can solve the numerical problem.
Complete step by step solution:
The voltage drop across the voltmeter is 3V. The emf is 4V. So the voltage across the ammeter ${A_1}$ is 1V. The resistance of the two ammeters will be $100\Omega $.
Taking x = potential of the point of intersection of the $100\Omega $ resistances and${A_2}$

By applying Kirchhoff's first law, we will get.
$\dfrac{{x - 4}}{{100}} + \dfrac{x}{{100}} + \dfrac{{x - 1}}{{100}} = 0$
$\Rightarrow 3x = 5$
$\Rightarrow x = \dfrac{5}{3}$
Substitute the value of x to find the current in the ammeter ${A_2}$.
${A_2} = \dfrac{{x - 1}}{{100}} \\
\Rightarrow {A_2} = \dfrac{{\dfrac{5}{3} - 1}}{{100}} \\
\Rightarrow {A_2} = \dfrac{2}{{300}} \\
\Rightarrow {A_2} = 6.67 \times {10^{ - 3}}A \\ $
$\therefore {A_2} = 6.67\,mA$
Hence, the correct option is option A.
Additional Information: Two equalities known as Kirchhoff's circuit laws deal with the current and potential differences in electrical circuits. German physicist Gustav Kirchhoff came up with it in 1845. Currents at a circuit junction are governed by Kirchhoff's first law. It says that at a junction in an electrical circuit, the total amount of currents going in and out of the junction are equal. According to Kirchhoff's second law, the voltages across the elements in a circuit add up to zero if you loop in the circuit. This law is also called the voltage rule or the loop theorem.
Note: To apply Kirchhoff’s Voltage Law in this circuit, the following steps are needed: (1) Calculate the circuit's overall resistance (2) the circuit's overall current (3) the current flowing through each resistor (4) the voltage drop across each resistor
Complete step by step solution:
The voltage drop across the voltmeter is 3V. The emf is 4V. So the voltage across the ammeter ${A_1}$ is 1V. The resistance of the two ammeters will be $100\Omega $.
Taking x = potential of the point of intersection of the $100\Omega $ resistances and${A_2}$

By applying Kirchhoff's first law, we will get.
$\dfrac{{x - 4}}{{100}} + \dfrac{x}{{100}} + \dfrac{{x - 1}}{{100}} = 0$
$\Rightarrow 3x = 5$
$\Rightarrow x = \dfrac{5}{3}$
Substitute the value of x to find the current in the ammeter ${A_2}$.
${A_2} = \dfrac{{x - 1}}{{100}} \\
\Rightarrow {A_2} = \dfrac{{\dfrac{5}{3} - 1}}{{100}} \\
\Rightarrow {A_2} = \dfrac{2}{{300}} \\
\Rightarrow {A_2} = 6.67 \times {10^{ - 3}}A \\ $
$\therefore {A_2} = 6.67\,mA$
Hence, the correct option is option A.
Additional Information: Two equalities known as Kirchhoff's circuit laws deal with the current and potential differences in electrical circuits. German physicist Gustav Kirchhoff came up with it in 1845. Currents at a circuit junction are governed by Kirchhoff's first law. It says that at a junction in an electrical circuit, the total amount of currents going in and out of the junction are equal. According to Kirchhoff's second law, the voltages across the elements in a circuit add up to zero if you loop in the circuit. This law is also called the voltage rule or the loop theorem.
Note: To apply Kirchhoff’s Voltage Law in this circuit, the following steps are needed: (1) Calculate the circuit's overall resistance (2) the circuit's overall current (3) the current flowing through each resistor (4) the voltage drop across each resistor
Recently Updated Pages
JEE Main 2023 April 6 Shift 1 Question Paper with Answer Key

JEE Main 2023 April 6 Shift 2 Question Paper with Answer Key

JEE Main 2023 (January 31 Evening Shift) Question Paper with Solutions [PDF]

JEE Main 2023 January 30 Shift 2 Question Paper with Answer Key

JEE Main 2023 January 25 Shift 1 Question Paper with Answer Key

JEE Main 2023 January 24 Shift 2 Question Paper with Answer Key

Trending doubts
JEE Main 2026: Session 2 Registration Open, City Intimation Slip, Exam Dates, Syllabus & Eligibility

JEE Main 2026 Application Login: Direct Link, Registration, Form Fill, and Steps

Understanding the Angle of Deviation in a Prism

Hybridisation in Chemistry – Concept, Types & Applications

How to Convert a Galvanometer into an Ammeter or Voltmeter

Understanding Uniform Acceleration in Physics

Other Pages
JEE Advanced Marks vs Ranks 2025: Understanding Category-wise Qualifying Marks and Previous Year Cut-offs

Dual Nature of Radiation and Matter Class 12 Physics Chapter 11 CBSE Notes - 2025-26

Understanding the Electric Field of a Uniformly Charged Ring

JEE Advanced Weightage 2025 Chapter-Wise for Physics, Maths and Chemistry

Derivation of Equation of Trajectory Explained for Students

Understanding Electromagnetic Waves and Their Importance

