
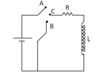
In the circuit shown here, the point ‘C’ is kept connected to point ‘A’ till the current flowing through the circuit becomes constant. Afterward, suddenly point ‘C’ is disconnected from point ‘A’ connected to point ‘B’ at time $t = 0$. Ratio of the voltage across resistance and the inductor at $t = L/R$ will be equal to:

(A) $0$
(B) $1$
(C) $ - 1$
(D) Infinity
Answer
217.5k+ views
Hint: To solve this question, we have to find the steady state current across the inductor, which will be obtained by short circuiting the inductor. Then we have to use the expression for the current in an LR circuit, and substitute the value of the steady state current at the time $t = 0$. From this we will be able to compute the voltages across the resistance and the inductance.
Complete step-by-step solution:
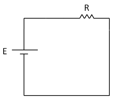
Let the emf of the battery be $E$. According to the question, the point C of the circuit is connected to the point A. So the circuit will look like

So the inductor is connected to the DC source. We know that when a DC source is applied across an inductor, it behaves as a short circuit after the steady state is reached. So the above circuit, after short circuiting the inductor, will look like

So the current in the circuit at this instant is given by
$I = \dfrac{E}{R}$
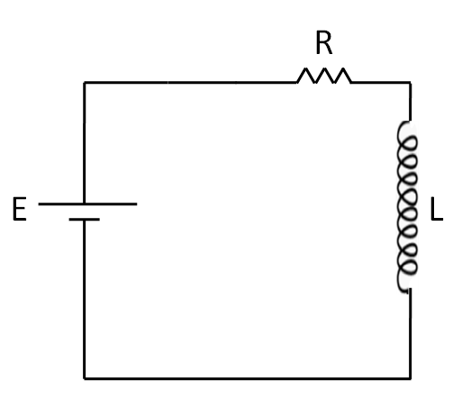
Now, according to the question the point ‘C’ is disconnected from point ‘A’ connected to point ‘B’ at time $t = 0$. So the circuit will look like
So we have an LR circuit.
Now, we know that the current through an LR circuit is given by
$i\left( t \right) = {i_0}\exp \left( { - \dfrac{t}{\tau }} \right)$.........(1)
As the current cannot suddenly change through an inductor, so the current at the time instant $t = 0$ will be equal to the current through the inductor before closing the circuit, that is,
${i_0} = I = \dfrac{E}{R}$ …...(2)
Putting (2) in (1) we get
$i\left( t \right) = \dfrac{E}{R}\exp \left( { - \dfrac{t}{\tau }} \right)$........(3)
We know that the time constant of an LR circuit is given by
$\tau = \dfrac{L}{R}$...........(4)
According to the question, the given instant of time is
$t = L/R$........................(5)
From (4) and (5)
$t = \tau $
Putting this in (3) we get
$i\left( {L/R} \right) = \dfrac{E}{R}\exp \left( { - \dfrac{\tau }{\tau }} \right)$
$ \Rightarrow i\left( {L/R} \right) = \dfrac{E}{{Re}}$.................(6)
Now, we know from the Ohm’s law that the voltage across the resistance is
${V_R} = IR$
Putting (6) above, we get
\[{V_R} = \left( {\dfrac{E}{{Re}}} \right)R\]
\[ \Rightarrow {V_R} = \dfrac{E}{e}\]...................(7)
We also know that the voltage across an inductor is given by
${V_L} = L\dfrac{{di\left( t \right)}}{{dt}}$
From (3)
${V_L} = L\dfrac{{d\left( {\dfrac{E}{R}\exp \left( { - \dfrac{t}{\tau }} \right)} \right)}}{{dt}}$
\[{V_L} = \dfrac{{ - EL}}{{R\tau }}\exp \left( { - \dfrac{t}{\tau }} \right)\]
Putting the value of the time constant from (4)
\[{V_L} = \dfrac{{ - ELR}}{{RL}}\exp \left( { - \dfrac{{Rt}}{L}} \right)\]
$ \Rightarrow {V_L} = - E\exp \left( { - \dfrac{{Rt}}{L}} \right)$
At the time $t = L/R$ we get the voltage across the inductor as
${V_L} = - E\exp \left( { - \dfrac{{RL}}{{LR}}} \right)$
$ \Rightarrow {V_L} = - \dfrac{E}{e}$......................(8)
Dividing (7) by (8) we get
$\dfrac{{{V_L}}}{{{V_R}}} = - 1$
Thus, the required ratio is equal to $ - 1$.
Hence, the correct answer is option C.
Note: Always ensure that the signs of the voltages across the inductance and the resistance must be opposite. This is because by the application of the Kirchhoff’s voltage law in the LR circuit, we get the sum of these voltages equal to zero.
Complete step-by-step solution:
Let the emf of the battery be $E$. According to the question, the point C of the circuit is connected to the point A. So the circuit will look like

So the inductor is connected to the DC source. We know that when a DC source is applied across an inductor, it behaves as a short circuit after the steady state is reached. So the above circuit, after short circuiting the inductor, will look like

So the current in the circuit at this instant is given by
$I = \dfrac{E}{R}$
Now, according to the question the point ‘C’ is disconnected from point ‘A’ connected to point ‘B’ at time $t = 0$. So the circuit will look like
So we have an LR circuit.
Now, we know that the current through an LR circuit is given by
$i\left( t \right) = {i_0}\exp \left( { - \dfrac{t}{\tau }} \right)$.........(1)
As the current cannot suddenly change through an inductor, so the current at the time instant $t = 0$ will be equal to the current through the inductor before closing the circuit, that is,
${i_0} = I = \dfrac{E}{R}$ …...(2)
Putting (2) in (1) we get
$i\left( t \right) = \dfrac{E}{R}\exp \left( { - \dfrac{t}{\tau }} \right)$........(3)
We know that the time constant of an LR circuit is given by
$\tau = \dfrac{L}{R}$...........(4)
According to the question, the given instant of time is
$t = L/R$........................(5)
From (4) and (5)
$t = \tau $
Putting this in (3) we get
$i\left( {L/R} \right) = \dfrac{E}{R}\exp \left( { - \dfrac{\tau }{\tau }} \right)$
$ \Rightarrow i\left( {L/R} \right) = \dfrac{E}{{Re}}$.................(6)
Now, we know from the Ohm’s law that the voltage across the resistance is
${V_R} = IR$
Putting (6) above, we get
\[{V_R} = \left( {\dfrac{E}{{Re}}} \right)R\]
\[ \Rightarrow {V_R} = \dfrac{E}{e}\]...................(7)
We also know that the voltage across an inductor is given by
${V_L} = L\dfrac{{di\left( t \right)}}{{dt}}$
From (3)
${V_L} = L\dfrac{{d\left( {\dfrac{E}{R}\exp \left( { - \dfrac{t}{\tau }} \right)} \right)}}{{dt}}$
\[{V_L} = \dfrac{{ - EL}}{{R\tau }}\exp \left( { - \dfrac{t}{\tau }} \right)\]
Putting the value of the time constant from (4)
\[{V_L} = \dfrac{{ - ELR}}{{RL}}\exp \left( { - \dfrac{{Rt}}{L}} \right)\]
$ \Rightarrow {V_L} = - E\exp \left( { - \dfrac{{Rt}}{L}} \right)$
At the time $t = L/R$ we get the voltage across the inductor as
${V_L} = - E\exp \left( { - \dfrac{{RL}}{{LR}}} \right)$
$ \Rightarrow {V_L} = - \dfrac{E}{e}$......................(8)
Dividing (7) by (8) we get
$\dfrac{{{V_L}}}{{{V_R}}} = - 1$
Thus, the required ratio is equal to $ - 1$.
Hence, the correct answer is option C.
Note: Always ensure that the signs of the voltages across the inductance and the resistance must be opposite. This is because by the application of the Kirchhoff’s voltage law in the LR circuit, we get the sum of these voltages equal to zero.
Recently Updated Pages
Introduction to Dimensions: Understanding the Basics

[Awaiting the three content sources: Ask AI Response, Competitor 1 Content, and Competitor 2 Content. Please provide those to continue with the analysis and optimization.]

JEE Atomic Structure and Chemical Bonding important Concepts and Tips

JEE Amino Acids and Peptides Important Concepts and Tips for Exam Preparation

Electricity and Magnetism Explained: Key Concepts & Applications

Chemical Properties of Hydrogen - Important Concepts for JEE Exam Preparation

Trending doubts
JEE Main 2026: Application Form Open, Exam Dates, Syllabus, Eligibility & Question Papers

Derivation of Equation of Trajectory Explained for Students

Hybridisation in Chemistry – Concept, Types & Applications

Understanding the Angle of Deviation in a Prism

Understanding Collisions: Types and Examples for Students

How to Convert a Galvanometer into an Ammeter or Voltmeter

Other Pages
JEE Advanced Marks vs Ranks 2025: Understanding Category-wise Qualifying Marks and Previous Year Cut-offs

Units And Measurements Class 11 Physics Chapter 1 CBSE Notes - 2025-26

NCERT Solutions For Class 11 Physics Chapter 8 Mechanical Properties Of Solids

Motion in a Straight Line Class 11 Physics Chapter 2 CBSE Notes - 2025-26

NCERT Solutions for Class 11 Physics Chapter 7 Gravitation 2025-26

Understanding Atomic Structure for Beginners

