
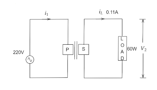
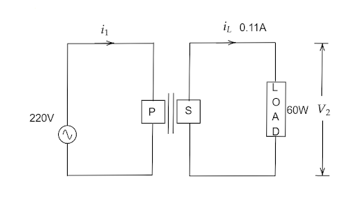
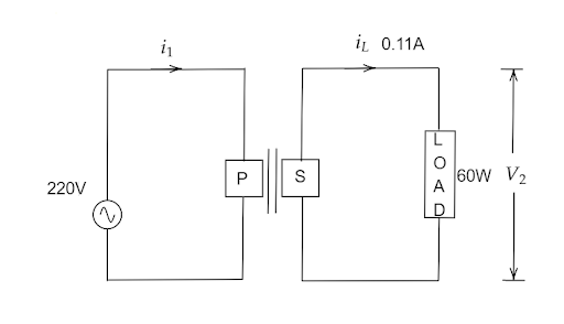
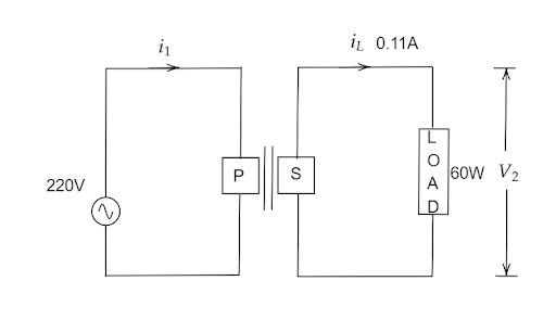
For the given circuit, comment on the type of transformer used.

A. Step-down transformer
B. Auxiliary transformer
C. Step-up transformer
D. Autotransformer
Answer
240.9k+ views
Hint: It is important to know about the transformer and its types. It is a device that transfers the electric energy from one AC circuit to one or more other AC circuits, either increasing or decreasing the voltage. Basically, there are two types of transformers : step-up transformer and step-down transformer. By considering this, let's answer the question.
Complete step by step solution:

Image: A transformer
The step-up transformer is one that increases the voltage from the primary winding to the secondary winding, thereby increasing the output voltage i.e., \[{V_0} > {V_i}\]. Similarly, the step-down transformer is one that decreases the voltage from the primary winding to the secondary winding, thereby decreasing the output voltage i.e., \[{V_0} < {V_i}\].
In the question, they have given that the input voltage given to the transformer as \[{V_i} = 220V\], the output power as \[{P_0} = 60W\], the load current \[{i_L} = 0.11A\]. Now, in order to find which type of transformer it is we need to find whether \[{V_0} > {V_i}\] or \[{V_0} < {V_i}\].
The formula for the power is given as,
\[P = V \times I\]
By the second circuit, we can write it as,
\[{P_0} = {V_0} \times {I_0}\]
Here they have given the value of \[{P_0}\] and \[{I_0}\]...........(\[{I_0} = {I_L}\])
Rearranging the above equation for \[{V_0}\] we get,
\[{V_0} = \dfrac{{{P_0}}}{{{I_0}}}\]
\[\Rightarrow {V_0} = \dfrac{{60}}{{0.11}}\]
\[ \therefore {V_0} = 545.45V\]
Now we can compare the values of \[{V_0}\] and \[{V_i}\] that, the input voltage,\[{V_i} = 220V\] and the output voltage, \[{V_0} = 545.45V\]. Therefore, \[{V_0} > {V_i}\] which concludes that it is a step-up transformer.
Hence, Option C is the correct answer.
Note:Transformers are used in the power transmission of electric energy. The step-up and step-down transformers depend on the windings of the primary and secondary coil and the transformer’s turn ratio.
Complete step by step solution:

Image: A transformer
The step-up transformer is one that increases the voltage from the primary winding to the secondary winding, thereby increasing the output voltage i.e., \[{V_0} > {V_i}\]. Similarly, the step-down transformer is one that decreases the voltage from the primary winding to the secondary winding, thereby decreasing the output voltage i.e., \[{V_0} < {V_i}\].
In the question, they have given that the input voltage given to the transformer as \[{V_i} = 220V\], the output power as \[{P_0} = 60W\], the load current \[{i_L} = 0.11A\]. Now, in order to find which type of transformer it is we need to find whether \[{V_0} > {V_i}\] or \[{V_0} < {V_i}\].
The formula for the power is given as,
\[P = V \times I\]
By the second circuit, we can write it as,
\[{P_0} = {V_0} \times {I_0}\]
Here they have given the value of \[{P_0}\] and \[{I_0}\]...........(\[{I_0} = {I_L}\])
Rearranging the above equation for \[{V_0}\] we get,
\[{V_0} = \dfrac{{{P_0}}}{{{I_0}}}\]
\[\Rightarrow {V_0} = \dfrac{{60}}{{0.11}}\]
\[ \therefore {V_0} = 545.45V\]
Now we can compare the values of \[{V_0}\] and \[{V_i}\] that, the input voltage,\[{V_i} = 220V\] and the output voltage, \[{V_0} = 545.45V\]. Therefore, \[{V_0} > {V_i}\] which concludes that it is a step-up transformer.
Hence, Option C is the correct answer.
Note:Transformers are used in the power transmission of electric energy. The step-up and step-down transformers depend on the windings of the primary and secondary coil and the transformer’s turn ratio.
Recently Updated Pages
JEE Main 2025-26 Mock Tests: Free Practice Papers & Solutions

JEE Main 2025-26 Experimental Skills Mock Test – Free Practice

JEE Main 2025-26 Electronic Devices Mock Test: Free Practice Online

JEE Main 2025-26 Atoms and Nuclei Mock Test – Free Practice Online

JEE Main 2025-26: Magnetic Effects of Current & Magnetism Mock Test

JEE Main Mock Test 2025: Properties of Solids and Liquids

Trending doubts
JEE Main 2026: Session 1 Results Out and Session 2 Registration Open, City Intimation Slip, Exam Dates, Syllabus & Eligibility

Ideal and Non-Ideal Solutions Explained for Class 12 Chemistry

JEE Main Participating Colleges 2026 - A Complete List of Top Colleges

Clemmensen and Wolff Kishner Reductions Explained for JEE & NEET

Degree of Dissociation: Meaning, Formula, Calculation & Uses

Understanding the Angle of Deviation in a Prism

Other Pages
CBSE Class 12 Physics Question Paper 2026: Download SET-wise PDF with Answer Key & Analysis

JEE Advanced Marks vs Ranks 2025: Understanding Category-wise Qualifying Marks and Previous Year Cut-offs

JEE Advanced 2026 - Exam Date (Released), Syllabus, Registration, Eligibility, Preparation, and More

CBSE Class 12 Physics Question Paper Set 3 (55/1/3) 2025 – PDF, Solutions & Analysis

CBSE Class 12 Physics Set 2 (55/2/2) 2025 Question Paper & Solutions

Dual Nature of Radiation and Matter Class 12 Physics Chapter 11 CBSE Notes - 2025-26

