
Find out the current \[i\] at time \[t=0\] and $t=\infty $ respectively for the circuit that is being represented below.

a. $\dfrac{18}{55}E,\dfrac{5}{18}E$.
b. $\dfrac{5}{18}E,\dfrac{18}{55}E$.
c. $\dfrac{5}{18}E,\dfrac{10}{33}E$.
d. $\dfrac{10}{33}E,\dfrac{5}{18}E$.
Answer
232.8k+ views
Hint: We have to consider the states of inductor at the initial time and the final time. The resistances of the circuit would depend upon the sate of the inductor. Initially the inductor would not work but after infinite time it would work like a wire.
Complete answer:
Here, we are going to provide a complete step by step solution.
We have to consider two parts to get the answer regarding to the solution.
(A Let us consider first when the time $t=0$.
At $t=0$ the circuit at the inductor becomes open. It is being represented below:

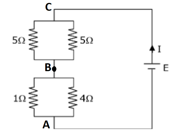
Here, the left box and the right box are in parallel connection to each other. Here, ABCF is in series connection and FCDE is also in series connection. But, ABCF is in parallel connection to FCDE.
So, let us find the calculation of the resistance now.
In ABCF we get,
Resistance $=(5+1)\Omega =6\Omega $
In CDFE we get,
Resistance $=(5+4)\Omega =9\Omega $
So, the total resistance $R$ in the circuit is,
$R=\dfrac{6\times 9}{6+9}=\dfrac{54}{15}=\dfrac{18}{5}\Omega $
Hence, the current $i$ in the circuit at time $t=0$ with cell potential $E$ is,
$i=\dfrac{E}{R}=\dfrac{5}{18}E$
(B) Let us consider for time $t=\infty $.
When the time $t=\infty $, then the inductor behaves as an connecting wire.
The diagram is represented below,

The resistance between A and B is in parallel connection.
So, the resistance between A and B $=\dfrac{4\times 1}{4+1}=\dfrac{4}{5}\Omega $
Again, the resistance between B and C is in parallel connection.
So, the resistance between B and C $=\dfrac{5\times 5}{5+5}=\dfrac{5}{2}\Omega $
Hence, the total resistance $R'$ in the circuit $=\dfrac{4}{5}+\dfrac{5}{2}=\dfrac{33}{10}\Omega $.
Now, the current $i$ at time $t=\infty $ is,
$i=\dfrac{E}{R'}=\dfrac{10}{33}E$.
So, the correct option is c. $\dfrac{5}{18}E,\dfrac{10}{33}E$.
Note: According to Newton’s third law of motion, if an object exerts a force on another object, then that object must exert a force of equal magnitude and opposite direction back on the first object. This law of motion signifies a specific symmetry in nature that forces always occur in pairs and one body cannot exert a force on the other body without experiencing a force itself.
Complete answer:
Here, we are going to provide a complete step by step solution.
We have to consider two parts to get the answer regarding to the solution.
(A Let us consider first when the time $t=0$.
At $t=0$ the circuit at the inductor becomes open. It is being represented below:

Here, the left box and the right box are in parallel connection to each other. Here, ABCF is in series connection and FCDE is also in series connection. But, ABCF is in parallel connection to FCDE.
So, let us find the calculation of the resistance now.
In ABCF we get,
Resistance $=(5+1)\Omega =6\Omega $
In CDFE we get,
Resistance $=(5+4)\Omega =9\Omega $
So, the total resistance $R$ in the circuit is,
$R=\dfrac{6\times 9}{6+9}=\dfrac{54}{15}=\dfrac{18}{5}\Omega $
Hence, the current $i$ in the circuit at time $t=0$ with cell potential $E$ is,
$i=\dfrac{E}{R}=\dfrac{5}{18}E$
(B) Let us consider for time $t=\infty $.
When the time $t=\infty $, then the inductor behaves as an connecting wire.
The diagram is represented below,

The resistance between A and B is in parallel connection.
So, the resistance between A and B $=\dfrac{4\times 1}{4+1}=\dfrac{4}{5}\Omega $
Again, the resistance between B and C is in parallel connection.
So, the resistance between B and C $=\dfrac{5\times 5}{5+5}=\dfrac{5}{2}\Omega $
Hence, the total resistance $R'$ in the circuit $=\dfrac{4}{5}+\dfrac{5}{2}=\dfrac{33}{10}\Omega $.
Now, the current $i$ at time $t=\infty $ is,
$i=\dfrac{E}{R'}=\dfrac{10}{33}E$.
So, the correct option is c. $\dfrac{5}{18}E,\dfrac{10}{33}E$.
Note: According to Newton’s third law of motion, if an object exerts a force on another object, then that object must exert a force of equal magnitude and opposite direction back on the first object. This law of motion signifies a specific symmetry in nature that forces always occur in pairs and one body cannot exert a force on the other body without experiencing a force itself.
Recently Updated Pages
Circuit Switching vs Packet Switching: Key Differences Explained

JEE General Topics in Chemistry Important Concepts and Tips

JEE Extractive Metallurgy Important Concepts and Tips for Exam Preparation

JEE Amino Acids and Peptides Important Concepts and Tips for Exam Preparation

JEE Atomic Structure and Chemical Bonding important Concepts and Tips

Electricity and Magnetism Explained: Key Concepts & Applications

Trending doubts
JEE Main 2026: Session 2 Registration Open, City Intimation Slip, Exam Dates, Syllabus & Eligibility

JEE Main 2026 Application Login: Direct Link, Registration, Form Fill, and Steps

JEE Main Marking Scheme 2026- Paper-Wise Marks Distribution and Negative Marking Details

Understanding the Angle of Deviation in a Prism

Hybridisation in Chemistry – Concept, Types & Applications

How to Convert a Galvanometer into an Ammeter or Voltmeter

Other Pages
JEE Advanced Marks vs Ranks 2025: Understanding Category-wise Qualifying Marks and Previous Year Cut-offs

Dual Nature of Radiation and Matter Class 12 Physics Chapter 11 CBSE Notes - 2025-26

Understanding Uniform Acceleration in Physics

Understanding the Electric Field of a Uniformly Charged Ring

JEE Advanced Weightage 2025 Chapter-Wise for Physics, Maths and Chemistry

Derivation of Equation of Trajectory Explained for Students

