
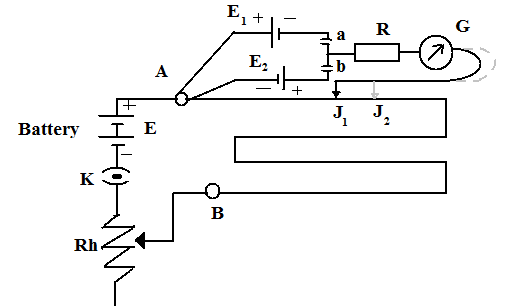
A student uses the circuit diagram of a potentiometer as shown in the figure.
a) For a steady current $I$ passing through the potentiometer wire, he gets a null point for the cell ${e_1}$ and not for ${e_2}$ . Give reason for this observation and suggest how this difficulty can be resolved?
b) What is the function of resistance $R$ used in the circuit? How will the change in its value affect the null point?
c) How can the sensitivity of the potentiometer be increased?

Answer
242.7k+ views
Hint: A null point is obtained by balancing the EMFs so that there is no potential difference between them. Voltage in the potentiometer wire depends on the length of the wire. The galvanometer has limitations in showing a particular range of current values.
Complete step by step solution:
Let us first define the potentiometer.
A potentiometer is used to compare potential differences by altering the potential difference in the potentiometer wire. This is carried out by moving the slider (Jockey) $J$ on the potentiometer wire. At a particular point, the galvanometer shows zero reading. This is the point when there is no current flow.
Now, For the null point, the potential between the primary cell and the cell in the slider have to get balanced so that there is no potential difference and thereby will have no current flowing in the potentiometer wire. To observe this, we will consider some points which are given below:
a) Here, for cell ${e_1}$ and $E$, they have the same polarity terminals attached to the point $A$. Hence they will obtain a null point when there will be no potential difference between them. But for the cell ${e_2}$ and $E$, the polarity of ${e_2}$ is opposite to that of $E$. Hence there will be no point when the potentials can be balanced. So, that’s why the student did not observe a null point from the cell ${e_2}$.
However, this difficulty can be resolved by simply changing the polarity of the cell ${e_2}$, i.e. by reversing the terminals of the cell.
b) The resistance $R$ is kept in the circuit for the voltage drop across the cell circuit so that it can limit the current flowing through the galvanometer. Changing the value of $R$ does not change the value of the null point.
c) The sensitivity of the potentiometer is proportional to the length of potentiometer wire and inversely proportional to the amount of the current flowing through the potentiometer wire.
Hence, the sensitivity can be increased by simply increasing the length of potentiometer wire.It can also be increased by limiting the current flowing through the potentiometer wire. This is achieved by changing the value of the resistance in the circuit using a rheostat.
Note: The galvanometer can show both direction and magnitude of the current flowing through it. Also, There are various types of potentiometer that have different methods of altering the value of voltage. For example, a Rotary Potentiometer that has a rotary knob as a slider to vary voltage. Potentiometers are used in audio devices to control volume or in an equaliser. They are also used in displays where they can control brightness, contrast and colour.
Complete step by step solution:
Let us first define the potentiometer.
A potentiometer is used to compare potential differences by altering the potential difference in the potentiometer wire. This is carried out by moving the slider (Jockey) $J$ on the potentiometer wire. At a particular point, the galvanometer shows zero reading. This is the point when there is no current flow.
Now, For the null point, the potential between the primary cell and the cell in the slider have to get balanced so that there is no potential difference and thereby will have no current flowing in the potentiometer wire. To observe this, we will consider some points which are given below:
a) Here, for cell ${e_1}$ and $E$, they have the same polarity terminals attached to the point $A$. Hence they will obtain a null point when there will be no potential difference between them. But for the cell ${e_2}$ and $E$, the polarity of ${e_2}$ is opposite to that of $E$. Hence there will be no point when the potentials can be balanced. So, that’s why the student did not observe a null point from the cell ${e_2}$.
However, this difficulty can be resolved by simply changing the polarity of the cell ${e_2}$, i.e. by reversing the terminals of the cell.
b) The resistance $R$ is kept in the circuit for the voltage drop across the cell circuit so that it can limit the current flowing through the galvanometer. Changing the value of $R$ does not change the value of the null point.
c) The sensitivity of the potentiometer is proportional to the length of potentiometer wire and inversely proportional to the amount of the current flowing through the potentiometer wire.
Hence, the sensitivity can be increased by simply increasing the length of potentiometer wire.It can also be increased by limiting the current flowing through the potentiometer wire. This is achieved by changing the value of the resistance in the circuit using a rheostat.
Note: The galvanometer can show both direction and magnitude of the current flowing through it. Also, There are various types of potentiometer that have different methods of altering the value of voltage. For example, a Rotary Potentiometer that has a rotary knob as a slider to vary voltage. Potentiometers are used in audio devices to control volume or in an equaliser. They are also used in displays where they can control brightness, contrast and colour.
Recently Updated Pages
WBJEE 2026 Registration Started: Important Dates Eligibility Syllabus Exam Pattern

JEE Main 2025-26 Mock Tests: Free Practice Papers & Solutions

JEE Main 2025-26 Experimental Skills Mock Test – Free Practice

JEE Main 2025-26 Electronic Devices Mock Test: Free Practice Online

JEE Main 2025-26 Atoms and Nuclei Mock Test – Free Practice Online

JEE Main 2025-26: Magnetic Effects of Current & Magnetism Mock Test

Trending doubts
JEE Main 2026: Session 1 Results Out and Session 2 Registration Open, City Intimation Slip, Exam Dates, Syllabus & Eligibility

Ideal and Non-Ideal Solutions Explained for Class 12 Chemistry

JEE Main Participating Colleges 2026 - A Complete List of Top Colleges

Understanding the Angle of Deviation in a Prism

Hybridisation in Chemistry – Concept, Types & Applications

Understanding the Electric Field of a Uniformly Charged Ring

Other Pages
CBSE Class 12 Physics Question Paper 2026: Download SET-wise PDF with Answer Key & Analysis

JEE Advanced Marks vs Ranks 2025: Understanding Category-wise Qualifying Marks and Previous Year Cut-offs

Dual Nature of Radiation and Matter Class 12 Physics Chapter 11 CBSE Notes - 2025-26

CBSE Class 10 Sanskrit Set 4 52 Question Paper 2025 – PDF, Solutions & Analysis

JEE Advanced 2026 - Exam Date (Released), Syllabus, Registration, Eligibility, Preparation, and More

JEE Advanced Weightage 2025 Chapter-Wise for Physics, Maths and Chemistry

