
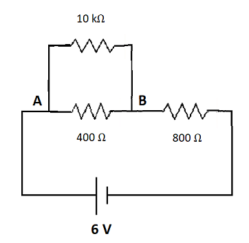
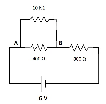
Two resistors 400 Ω and 800 Ω are connected in series across a 6 V battery. The potential difference measured by a voltmeter of 10 k Ω across 400 Ω resistors is close to:
A. 2.05 V
B. 2 V
C. 1.95 V
D. 1.8 V
Answer
232.8k+ views
Hint:In the series combination of resistance, the current is same for each resistor. A resistor is known to be connected in series if same amount of current flows through the resistors. We can determine the potential difference of the circuit by using ohm’s law.
Formula used
By ohm’s law,
$V=IR$
Where V is voltage, I is current and R is resistance.
Resistors in series,
\[\begin{array}{l}{R_s} = {R_1} + {R_2}....\\{\rm{ }}\end{array}\]
Resistors in series,
\[\dfrac{1}{{{R_p}}} = \dfrac{1}{{{R_1}}} + \dfrac{1}{{{R_2}}}....\]
Complete step by step solution:
To calculate the effective resistance of the circuit as:

Image:Circuit diagram
As 400 Ω and 10 k Ω are connected in parallel, thus resistance along AB will be,
Let \[{R_1} = 400\Omega \] and \[{R_2} = 10k\Omega = 1000\Omega \] are two resistance connected in parallel as shown in figure, then by using formula of parallel combination of resistance,
\[\dfrac{1}{{{R_p}}} = \dfrac{1}{{{R_1}}} + \dfrac{1}{{{R_2}}}\\ \Rightarrow \dfrac{1}{{{R_p}}} {\rm{ = }}\dfrac{1}{{400}} + \dfrac{1}{{1000}}\\ \Rightarrow \dfrac{1}{{{R_p}}} {\rm{ = }}\dfrac{{400 \times 1000}}{{400 + 1000}}\\ \Rightarrow {\rm{ }}{{\rm{R}}_p}{\rm{ = }}\dfrac{{5000}}{{13}}\Omega \]
Now this resistance is connected with the given resistance \[{R_3} = \] 800 Ω as shown in figure, then by using formula of series combination of resistance,
\[{R_s} = {R_p} + {R_3}\\ \Rightarrow {R_s}{\rm{ = }}\dfrac{{5000}}{{13}} + 800\\ \Rightarrow {R_s}{\rm{ = }}\dfrac{{15400}}{{13}}\Omega \]
To find current after connecting a battery of 6 V,
As, \[I = \dfrac{V}{R} = \dfrac{6}{{\dfrac{{15400}}{{13}}}}\]
\[I= \dfrac{{39}}{{7700}}A\]
As we know
\[V = IR\\ \Rightarrow V{\rm{ = }}\dfrac{{39}}{{7700}} \times \dfrac{{5000}}{{13}}\\ \therefore V{\rm{ = 1}}{\rm{.95 V}}\]
Therefore the potential difference measured by a voltmeter of 10 k Ω across 400 Ω resistors is close to 1.95 V.
Hence, option C is the correct answer
Note:A resistor is defined as a passive two terminal electrical component that implements electrical resistance as a circuit element. It reduces the flow of current and lower voltage levels within the circuits.
Formula used
By ohm’s law,
$V=IR$
Where V is voltage, I is current and R is resistance.
Resistors in series,
\[\begin{array}{l}{R_s} = {R_1} + {R_2}....\\{\rm{ }}\end{array}\]
Resistors in series,
\[\dfrac{1}{{{R_p}}} = \dfrac{1}{{{R_1}}} + \dfrac{1}{{{R_2}}}....\]
Complete step by step solution:
To calculate the effective resistance of the circuit as:

Image:Circuit diagram
As 400 Ω and 10 k Ω are connected in parallel, thus resistance along AB will be,
Let \[{R_1} = 400\Omega \] and \[{R_2} = 10k\Omega = 1000\Omega \] are two resistance connected in parallel as shown in figure, then by using formula of parallel combination of resistance,
\[\dfrac{1}{{{R_p}}} = \dfrac{1}{{{R_1}}} + \dfrac{1}{{{R_2}}}\\ \Rightarrow \dfrac{1}{{{R_p}}} {\rm{ = }}\dfrac{1}{{400}} + \dfrac{1}{{1000}}\\ \Rightarrow \dfrac{1}{{{R_p}}} {\rm{ = }}\dfrac{{400 \times 1000}}{{400 + 1000}}\\ \Rightarrow {\rm{ }}{{\rm{R}}_p}{\rm{ = }}\dfrac{{5000}}{{13}}\Omega \]
Now this resistance is connected with the given resistance \[{R_3} = \] 800 Ω as shown in figure, then by using formula of series combination of resistance,
\[{R_s} = {R_p} + {R_3}\\ \Rightarrow {R_s}{\rm{ = }}\dfrac{{5000}}{{13}} + 800\\ \Rightarrow {R_s}{\rm{ = }}\dfrac{{15400}}{{13}}\Omega \]
To find current after connecting a battery of 6 V,
As, \[I = \dfrac{V}{R} = \dfrac{6}{{\dfrac{{15400}}{{13}}}}\]
\[I= \dfrac{{39}}{{7700}}A\]
As we know
\[V = IR\\ \Rightarrow V{\rm{ = }}\dfrac{{39}}{{7700}} \times \dfrac{{5000}}{{13}}\\ \therefore V{\rm{ = 1}}{\rm{.95 V}}\]
Therefore the potential difference measured by a voltmeter of 10 k Ω across 400 Ω resistors is close to 1.95 V.
Hence, option C is the correct answer
Note:A resistor is defined as a passive two terminal electrical component that implements electrical resistance as a circuit element. It reduces the flow of current and lower voltage levels within the circuits.
Recently Updated Pages
Circuit Switching vs Packet Switching: Key Differences Explained

JEE General Topics in Chemistry Important Concepts and Tips

JEE Extractive Metallurgy Important Concepts and Tips for Exam Preparation

JEE Amino Acids and Peptides Important Concepts and Tips for Exam Preparation

JEE Atomic Structure and Chemical Bonding important Concepts and Tips

Electricity and Magnetism Explained: Key Concepts & Applications

Trending doubts
JEE Main 2026: Session 2 Registration Open, City Intimation Slip, Exam Dates, Syllabus & Eligibility

JEE Main 2026 Application Login: Direct Link, Registration, Form Fill, and Steps

JEE Main Marking Scheme 2026- Paper-Wise Marks Distribution and Negative Marking Details

Understanding the Angle of Deviation in a Prism

Hybridisation in Chemistry – Concept, Types & Applications

How to Convert a Galvanometer into an Ammeter or Voltmeter

Other Pages
JEE Advanced Marks vs Ranks 2025: Understanding Category-wise Qualifying Marks and Previous Year Cut-offs

Dual Nature of Radiation and Matter Class 12 Physics Chapter 11 CBSE Notes - 2025-26

Understanding Uniform Acceleration in Physics

Understanding the Electric Field of a Uniformly Charged Ring

JEE Advanced Weightage 2025 Chapter-Wise for Physics, Maths and Chemistry

Derivation of Equation of Trajectory Explained for Students

