
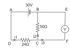
The voltmeter shown in the figure reads $18\;V$ across $50\;$ ohm resistor. The resistance of the voltmeter is nearly

(A) $140\Omega $
(B) $128.5\Omega $
(C) $103\Omega $
(D) $162\Omega $
Answer
207.6k+ views
Hint: To solve this problem, we use Kirchhoff’s Junction law to obtain the different amounts of current flowing through the resistors. This can be used to determine the amount of current flowing through the voltmeter. After this, we can use Ohm’s law to determine the resistance of the voltmeter.
Formula used:
$V = IR$
Complete step by step answer:
In the given circuit, we have the voltmeter connected in parallel with the $50\Omega $ resistor. The current originates from the positive terminal of the $30\;V$ battery and divides into two streams at the point $C$. The division of current can be determined by Kirchhoff’s current law or Kirchhoff’s junction law. Which states that at a junction, the total amount of current entering must be equal to the total amount of current leaving it.

Let current $I$ be the current coming out of the positive terminal of $30\;V$ battery, let ${I_1}$ be the current entering the $50\Omega $ resistor, and let ${I_2}$ be the current entering the voltmeter.
Now consider the junction $C$,
Here, current entering the junction= ${I_1}$
And the current leaving the junction$ = {I_2} + {I_3}$
Then, according to Kirchhoff's junction law,
${I_1} = {I_2} + {I_3}$
It is given that the voltage across the $50\Omega $ resistor (or between $CB\;$ or $FE\;$ ) is $18\;V$,
Thus, the current across the $50\Omega $ resistor is-
${I_2} = \dfrac{{{V_{CB}}}}{{{R_{CB}}}}$
Putting the values,
${I_2} = \dfrac{{18}}{{50}}$
${I_2} = 0.36A$
Now, the voltage across $24\Omega $ resistor (or between $DC\;$) is,
$30 - 18 = 12V$
Thus, the current across the $24\Omega $ resistor,
${I_1} = \dfrac{{{V_{DC}}}}{{{R_{DC}}}}$
Putting the values,
${I_1} = \dfrac{{12}}{{24}}$
$\Rightarrow$ ${I_1} = 0.5A$
Putting these values at the junction $C$, we get-
$0.5 = 0.36 + {I_3}$
$\Rightarrow$ ${I_3} = 0.14A$
The current that flows across the voltmeter is ${I_3} = 0.14A$
We know that the voltage across the voltmeter is, $V = 18$
Therefore, the resistance across the voltmeter is,
$R = \dfrac{V}{{{I_3}}}$
Putting the values we have,
$R = \dfrac{{18}}{{0.14}}$
$\Rightarrow$ $R = 128.6\Omega $
Thus, option (2) is the correct answer.
Note: The points in a circuit which do not have any component other than wire have the same potential and carry the same current unless it is a resistance wire or a junction. For example, the points, $B$ and $E$ have the same potential.
Formula used:
$V = IR$
Complete step by step answer:
In the given circuit, we have the voltmeter connected in parallel with the $50\Omega $ resistor. The current originates from the positive terminal of the $30\;V$ battery and divides into two streams at the point $C$. The division of current can be determined by Kirchhoff’s current law or Kirchhoff’s junction law. Which states that at a junction, the total amount of current entering must be equal to the total amount of current leaving it.

Let current $I$ be the current coming out of the positive terminal of $30\;V$ battery, let ${I_1}$ be the current entering the $50\Omega $ resistor, and let ${I_2}$ be the current entering the voltmeter.
Now consider the junction $C$,
Here, current entering the junction= ${I_1}$
And the current leaving the junction$ = {I_2} + {I_3}$
Then, according to Kirchhoff's junction law,
${I_1} = {I_2} + {I_3}$
It is given that the voltage across the $50\Omega $ resistor (or between $CB\;$ or $FE\;$ ) is $18\;V$,
Thus, the current across the $50\Omega $ resistor is-
${I_2} = \dfrac{{{V_{CB}}}}{{{R_{CB}}}}$
Putting the values,
${I_2} = \dfrac{{18}}{{50}}$
${I_2} = 0.36A$
Now, the voltage across $24\Omega $ resistor (or between $DC\;$) is,
$30 - 18 = 12V$
Thus, the current across the $24\Omega $ resistor,
${I_1} = \dfrac{{{V_{DC}}}}{{{R_{DC}}}}$
Putting the values,
${I_1} = \dfrac{{12}}{{24}}$
$\Rightarrow$ ${I_1} = 0.5A$
Putting these values at the junction $C$, we get-
$0.5 = 0.36 + {I_3}$
$\Rightarrow$ ${I_3} = 0.14A$
The current that flows across the voltmeter is ${I_3} = 0.14A$
We know that the voltage across the voltmeter is, $V = 18$
Therefore, the resistance across the voltmeter is,
$R = \dfrac{V}{{{I_3}}}$
Putting the values we have,
$R = \dfrac{{18}}{{0.14}}$
$\Rightarrow$ $R = 128.6\Omega $
Thus, option (2) is the correct answer.
Note: The points in a circuit which do not have any component other than wire have the same potential and carry the same current unless it is a resistance wire or a junction. For example, the points, $B$ and $E$ have the same potential.
Recently Updated Pages
Young's Double Slit Experiment Derivation: Stepwise Guide & Formula

JEE Isolation, Preparation and Properties of Non-metals Important Concepts and Tips for Exam Preparation

JEE Energetics Important Concepts and Tips for Exam Preparation

JEE Main 2023 (April 10th Shift 2) Physics Question Paper with Answer Key

JEE Main 2022 (July 28th Shift 1) Physics Question Paper with Answer Key

JEE Main 2023 (January 29th Shift 2) Physics Question Paper with Answer Key

Trending doubts
JEE Main 2026: Application Form Open, Exam Dates, Syllabus, Eligibility & Question Papers

JEE Main Correction Window 2026- Edit Form Details, Dates and Link

Atomic Structure: Definition, Models, and Examples

Equation of Trajectory in Projectile Motion: Derivation & Proof

Angle of Deviation in a Prism – Formula, Diagram & Applications

Hybridisation in Chemistry – Concept, Types & Applications

Other Pages
JEE Advanced Marks vs Ranks 2025: Understanding Category-wise Qualifying Marks and Previous Year Cut-offs

Collision: Meaning, Types & Examples in Physics

How to Convert a Galvanometer into an Ammeter or Voltmeter

Average and RMS Value in Physics: Formula, Comparison & Application

Ideal and Non-Ideal Solutions Explained for Class 12 Chemistry

Degree of Dissociation: Meaning, Formula, Calculation & Uses

