
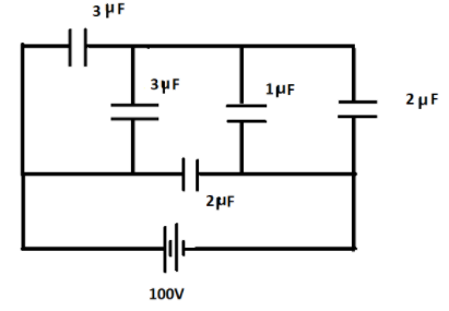
The figure showed a network of five capacitors connected to a $100V$ supply. Calculate the total energy stored in the network.

Answer
232.8k+ views
Hint: In order to solve this question, one should be aware of the concept of calculating the equivalent capacitance of the circuit. After calculating the equivalent capacitance of the circuit, put that capacitance in the formula of energy and the total energy stored in the network will be calculated. As the Potential Difference of the circuit is also given.
Complete step by step answer:
Here, the potential difference across the circuit is given.
That is, $V = 100V$
Now, we have to calculate the capacitance of the circuit.
Here the capacitors of $3\mu F$ and $3\mu F$ are in parallel combination. Hence, their equivalent capacitance would be,
$3\mu F + 3\mu F = 6\mu F$
Also the capacitors of capacitance $1\mu F$ and $2\mu F$ are in parallel combination. Hence, their equivalent capacitance would be,
$1\mu F + 2\mu F = 3\mu F$

Now in the above circuit we have capacitors of capacitance $6\mu F$ and $3\mu F$ in series combination. Hence, their equivalent capacitance would be,
$\dfrac{1}{{{C'}}} = \dfrac{1}{{6\mu F}} + \dfrac{1}{{3\mu F}}$
On solving, we get
${C'} = 2\mu {F^{}}$
Now we have these two capacitors of capacitance $2\mu F$ and $2\mu F$ in parallel combination. Hence, their equivalent resistance would be,
$C = 2\mu F + 2\mu F$
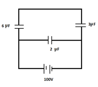
Hence we get the total capacitance of the circuit as,
$C = 4\mu F$
Now, the energy stored in the circuit is given by
$E = \dfrac{1}{2}C{V^2}$
Here, $C$ is the capacitance of the circuit.
$V$ is the voltage drop across the circuit.
Here in this question we are given with $V$ and that is,
$V = 100V$
Also, we just have calculated the capacitance as $C = 4\mu F$ .
Putting the values of $V$ and $C$ in the energy equation we have,
$E = \dfrac{1}{2}\left( {4 \times {{10}^{ - 6}}} \right){(100)^2}$
On solving we get,
$E = 2 \times {10^{ - 2}}J$
Hence the total energy stored in the circuit is $E = 2 \times {10^{ - 2}}J$.
Note: It is important to note that in the parallel combination, the equivalent capacitance of the capacitors would be the sum of the individual capacitances. While in series combination the reciprocal of the equivalent capacitance would be equal to the sum of reciprocals of individual capacitance of the capacitors.
Complete step by step answer:
Here, the potential difference across the circuit is given.
That is, $V = 100V$
Now, we have to calculate the capacitance of the circuit.
Here the capacitors of $3\mu F$ and $3\mu F$ are in parallel combination. Hence, their equivalent capacitance would be,
$3\mu F + 3\mu F = 6\mu F$
Also the capacitors of capacitance $1\mu F$ and $2\mu F$ are in parallel combination. Hence, their equivalent capacitance would be,
$1\mu F + 2\mu F = 3\mu F$

Now in the above circuit we have capacitors of capacitance $6\mu F$ and $3\mu F$ in series combination. Hence, their equivalent capacitance would be,
$\dfrac{1}{{{C'}}} = \dfrac{1}{{6\mu F}} + \dfrac{1}{{3\mu F}}$
On solving, we get
${C'} = 2\mu {F^{}}$
Now we have these two capacitors of capacitance $2\mu F$ and $2\mu F$ in parallel combination. Hence, their equivalent resistance would be,
$C = 2\mu F + 2\mu F$
Hence we get the total capacitance of the circuit as,
$C = 4\mu F$
Now, the energy stored in the circuit is given by
$E = \dfrac{1}{2}C{V^2}$
Here, $C$ is the capacitance of the circuit.
$V$ is the voltage drop across the circuit.
Here in this question we are given with $V$ and that is,
$V = 100V$
Also, we just have calculated the capacitance as $C = 4\mu F$ .
Putting the values of $V$ and $C$ in the energy equation we have,
$E = \dfrac{1}{2}\left( {4 \times {{10}^{ - 6}}} \right){(100)^2}$
On solving we get,
$E = 2 \times {10^{ - 2}}J$
Hence the total energy stored in the circuit is $E = 2 \times {10^{ - 2}}J$.
Note: It is important to note that in the parallel combination, the equivalent capacitance of the capacitors would be the sum of the individual capacitances. While in series combination the reciprocal of the equivalent capacitance would be equal to the sum of reciprocals of individual capacitance of the capacitors.
Recently Updated Pages
Circuit Switching vs Packet Switching: Key Differences Explained

JEE General Topics in Chemistry Important Concepts and Tips

JEE Extractive Metallurgy Important Concepts and Tips for Exam Preparation

JEE Amino Acids and Peptides Important Concepts and Tips for Exam Preparation

JEE Atomic Structure and Chemical Bonding important Concepts and Tips

Electricity and Magnetism Explained: Key Concepts & Applications

Trending doubts
JEE Main 2026: Session 2 Registration Open, City Intimation Slip, Exam Dates, Syllabus & Eligibility

JEE Main 2026 Application Login: Direct Link, Registration, Form Fill, and Steps

JEE Main Marking Scheme 2026- Paper-Wise Marks Distribution and Negative Marking Details

Understanding the Angle of Deviation in a Prism

Hybridisation in Chemistry – Concept, Types & Applications

How to Convert a Galvanometer into an Ammeter or Voltmeter

Other Pages
JEE Advanced Marks vs Ranks 2025: Understanding Category-wise Qualifying Marks and Previous Year Cut-offs

Dual Nature of Radiation and Matter Class 12 Physics Chapter 11 CBSE Notes - 2025-26

Understanding Uniform Acceleration in Physics

Understanding the Electric Field of a Uniformly Charged Ring

JEE Advanced Weightage 2025 Chapter-Wise for Physics, Maths and Chemistry

Derivation of Equation of Trajectory Explained for Students

