
Reading of ammeter in ampere for the following circuit is:

A) \[1\]
B) \[\dfrac{1}{2}\]
C) $\dfrac{2}{3}$
D) $3$
Answer
243.6k+ views
Hint: In the given question, the circuit has two loops. We can apply Kirchhoff’s law for each loop to get the unknown current, voltage or resistance values by using the values given. We need to find the reading of the ammeter in a loop, so we will use the Kirchhoff’s second (voltage) law. As we know, Kirchhoff’s voltage law states that “The voltage around a loop is equal to the sum of every voltage drop in the same loop for any closed circuit”. We will use this law and form the equations for both loops separately and then we can solve the equations to get the value of the unknown parameter.
Complete step by step solution:
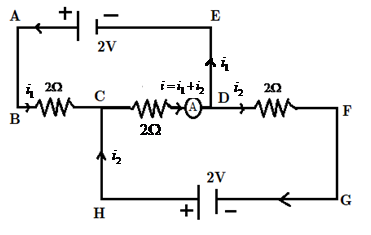
We will show the given circuit and name the different parameters in the diagram as shown below:

From the circuit, there are two loops i.e. ABCDEA and HCDFGH.
Now, to calculate the unknown parameters, we will use Kirchhoff's voltage law for both loops separately. We will calculate each voltage drop in a loop and put it equal to the voltage in the circuit.
For loop ABCDEA,
\[
\Rightarrow 2{i_1} + 2\left( {{i_1} + {i_2}} \right) = 2 \\
\Rightarrow 2{i_1} + 2{i_1} + 2{i_2} = 2 \\
\Rightarrow 4{i_1} + 2{i_2} = 2 \\
\Rightarrow 2{i_1} + 2{i_2} = 1...\left( 1 \right) \\
\]
For loop HCDFGH,
$
\Rightarrow 2\left( {{i_1} + {i_2}} \right) + 2{i_2} = 2 \\
\Rightarrow 2{i_1} + 2{i_2} + 2{i_2} = 2 \\
\Rightarrow 2{i_1} + 4{i_2} = 2 \\
\Rightarrow {i_1} + 2{i_2} = 1...\left( 2 \right) \\
$
From the equation (1) and (2),
$
\Rightarrow {i_1} + 2\left( {1 - 2{i_1}} \right) = 1 \\
\Rightarrow - 3{i_1} = - 1 \\
\Rightarrow {i_1} = \dfrac{1}{3}A \\
$
On solving,
$
\Rightarrow {i_2} = 1 - 2\left( {\dfrac{1}{3}} \right) \\
\Rightarrow {i_2} = \dfrac{1}{3}A \\
$
Thus, we can calculate the ammeter reading by adding the both currents.
$
i = {i_1} + {i_2} \\
\Rightarrow i = \dfrac{1}{3} + \dfrac{1}{3} \\
\Rightarrow i = \dfrac{2}{3}A \\
$
Therefore, the ammeter reading is $\dfrac{2}{3}A$ .
Hence, the correct option is (C).
Note: In the given question, we need to analyse the circuit and find the law which will help us to find the unknown parameter. For any circuit, we have to look for nodes or loops which are given. After that we can apply Kirchhoff's current law if nodes are given or Kirchhoff’s voltage law if loops are given. The equations for voltage drop and node current will lead us to find the required parameter.
Complete step by step solution:
We will show the given circuit and name the different parameters in the diagram as shown below:

From the circuit, there are two loops i.e. ABCDEA and HCDFGH.
Now, to calculate the unknown parameters, we will use Kirchhoff's voltage law for both loops separately. We will calculate each voltage drop in a loop and put it equal to the voltage in the circuit.
For loop ABCDEA,
\[
\Rightarrow 2{i_1} + 2\left( {{i_1} + {i_2}} \right) = 2 \\
\Rightarrow 2{i_1} + 2{i_1} + 2{i_2} = 2 \\
\Rightarrow 4{i_1} + 2{i_2} = 2 \\
\Rightarrow 2{i_1} + 2{i_2} = 1...\left( 1 \right) \\
\]
For loop HCDFGH,
$
\Rightarrow 2\left( {{i_1} + {i_2}} \right) + 2{i_2} = 2 \\
\Rightarrow 2{i_1} + 2{i_2} + 2{i_2} = 2 \\
\Rightarrow 2{i_1} + 4{i_2} = 2 \\
\Rightarrow {i_1} + 2{i_2} = 1...\left( 2 \right) \\
$
From the equation (1) and (2),
$
\Rightarrow {i_1} + 2\left( {1 - 2{i_1}} \right) = 1 \\
\Rightarrow - 3{i_1} = - 1 \\
\Rightarrow {i_1} = \dfrac{1}{3}A \\
$
On solving,
$
\Rightarrow {i_2} = 1 - 2\left( {\dfrac{1}{3}} \right) \\
\Rightarrow {i_2} = \dfrac{1}{3}A \\
$
Thus, we can calculate the ammeter reading by adding the both currents.
$
i = {i_1} + {i_2} \\
\Rightarrow i = \dfrac{1}{3} + \dfrac{1}{3} \\
\Rightarrow i = \dfrac{2}{3}A \\
$
Therefore, the ammeter reading is $\dfrac{2}{3}A$ .
Hence, the correct option is (C).
Note: In the given question, we need to analyse the circuit and find the law which will help us to find the unknown parameter. For any circuit, we have to look for nodes or loops which are given. After that we can apply Kirchhoff's current law if nodes are given or Kirchhoff’s voltage law if loops are given. The equations for voltage drop and node current will lead us to find the required parameter.
Recently Updated Pages
JEE Main 2026 Session 2 City Intimation Slip & Exam Date: Expected Date, Download Link

JEE Main 2026 Session 2 Application Form: Reopened Registration, Dates & Fees

JEE Main 2026 Session 2 Registration (Reopened): Last Date, Fees, Link & Process

WBJEE 2026 Registration Started: Important Dates Eligibility Syllabus Exam Pattern

JEE Main 2025-26 Mock Tests: Free Practice Papers & Solutions

JEE Main 2025-26 Experimental Skills Mock Test – Free Practice

Trending doubts
JEE Main 2026: Exam Dates, Session 2 Updates, City Slip, Admit Card & Latest News

Ideal and Non-Ideal Solutions Explained for Class 12 Chemistry

Understanding the Angle of Deviation in a Prism

Understanding Differential Equations: A Complete Guide

Hybridisation in Chemistry – Concept, Types & Applications

Understanding the Electric Field of a Uniformly Charged Ring

Other Pages
CBSE Class 12 Physics Question Paper 2026: Download SET-wise PDF with Answer Key & Analysis

JEE Advanced Marks vs Ranks 2025: Understanding Category-wise Qualifying Marks and Previous Year Cut-offs

JEE Advanced 2026 - Exam Date (Released), Syllabus, Registration, Eligibility, Preparation, and More

Dual Nature of Radiation and Matter Class 12 Physics Chapter 11 CBSE Notes - 2025-26

JEE Advanced Weightage 2025 Chapter-Wise for Physics, Maths and Chemistry

Understanding the Block and Tackle System

