
On interchanging the resistances, the balance point of a meter bridge shifts to the left by $10cm$ . The resistance of their series combination is $1k\Omega $ . How much was the resistance on the left slot before interchanging the resistances?
A) $550\Omega $
B) $910\Omega $
C) $990\Omega $
D) $505\Omega $
Answer
232.8k+ views
Hint: To solve this question we have to use the concept of Wheatstone Meter Bridge. Under balanced conditions the galvanometer gives a zero reading i.e., the resistance gradient on the left side of the galvanometer and the right side of the galvanometer is equal. By using this we can easily find the value of the unknown resistance.
Formula Used:
$\dfrac{{{R_1}}}{l} = \dfrac{{{R_2}}}{{\left( {100 - l} \right)}}$
Here ${R_1}$ is the resistance on the left side of the galvanometer, ${R_2}$ is the resistance of the galvanometer, $l$ is the distance of the galvanometer from the left end and $100 - l$ is the distance of the galvanometer from the right end.
Complete step by step answer:
In the question the total resistance is given as $1k\Omega $i.e. $1000\Omega $. So,
$ \Rightarrow {R_1} + {R_2} = 1000$
$ \Rightarrow {R_2} = 1000 - {R_1}$
Here ${R_1}$ is the resistance on the left side of the galvanometer and ${R_2}$ is the resistance of the galvanometer in the initial condition.
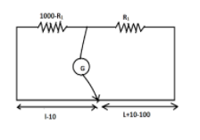
The given question can be better understood using a figure.

This is the initial condition of the Wheatstone bridge as given in the question. As it is in balance condition, we can use the formula of equal gradients on both sides.
$ \Rightarrow \dfrac{{{R_1}}}{l} = \dfrac{{1000 - {R_1}}}{{\left( {100 - l} \right)}}$
Let this be equation 1.
It’s given that if we interchange the resistance on the right and resistance on the left, the balancing point shifts $10cm$to the left.
${l_{new}} = l - 10$ and
${l_{new}} - 100 = l + 10 - 100$
Here ${l_{new}}$ is the distance of the galvanometer from the left end for the new position and ${l_{new}} - 100$ is the distance of the galvanometer from the right end for the new position.

As this condition is also a balanced condition, we can use the formulae of balanced Wheatstone bridge. So,
$ \Rightarrow \dfrac{{1000 - {R_1}}}{{{l_{new}}}} = \dfrac{{{R_1}}}{{\left( {100 - {\operatorname{l} _{new}}} \right)}}$
$ \Rightarrow \dfrac{{1000 - {R_1}}}{{l - 10}} = \dfrac{{{R_1}}}{{\left( {100 - \left( {l + 10} \right)} \right)}}$
Let this be equation 2.
By solving equation 1 and 2 we will get the value of $l = 55cm$
By using this value of $l$in equation 1 we will get the value of ${R_1} = 550\Omega $.
Hence, option (A) is the right option.
Note: While solving the question related to Wheatstone bridge, it is very important to see if the Wheatstone bridge is in balanced condition or not. Also we have to be careful while selecting the sides of the resistance. Wrong selection of sides can lead to incorrect length calculations as well as incorrect resistance calculations.
Formula Used:
$\dfrac{{{R_1}}}{l} = \dfrac{{{R_2}}}{{\left( {100 - l} \right)}}$
Here ${R_1}$ is the resistance on the left side of the galvanometer, ${R_2}$ is the resistance of the galvanometer, $l$ is the distance of the galvanometer from the left end and $100 - l$ is the distance of the galvanometer from the right end.
Complete step by step answer:
In the question the total resistance is given as $1k\Omega $i.e. $1000\Omega $. So,
$ \Rightarrow {R_1} + {R_2} = 1000$
$ \Rightarrow {R_2} = 1000 - {R_1}$
Here ${R_1}$ is the resistance on the left side of the galvanometer and ${R_2}$ is the resistance of the galvanometer in the initial condition.
The given question can be better understood using a figure.

This is the initial condition of the Wheatstone bridge as given in the question. As it is in balance condition, we can use the formula of equal gradients on both sides.
$ \Rightarrow \dfrac{{{R_1}}}{l} = \dfrac{{1000 - {R_1}}}{{\left( {100 - l} \right)}}$
Let this be equation 1.
It’s given that if we interchange the resistance on the right and resistance on the left, the balancing point shifts $10cm$to the left.
${l_{new}} = l - 10$ and
${l_{new}} - 100 = l + 10 - 100$
Here ${l_{new}}$ is the distance of the galvanometer from the left end for the new position and ${l_{new}} - 100$ is the distance of the galvanometer from the right end for the new position.

As this condition is also a balanced condition, we can use the formulae of balanced Wheatstone bridge. So,
$ \Rightarrow \dfrac{{1000 - {R_1}}}{{{l_{new}}}} = \dfrac{{{R_1}}}{{\left( {100 - {\operatorname{l} _{new}}} \right)}}$
$ \Rightarrow \dfrac{{1000 - {R_1}}}{{l - 10}} = \dfrac{{{R_1}}}{{\left( {100 - \left( {l + 10} \right)} \right)}}$
Let this be equation 2.
By solving equation 1 and 2 we will get the value of $l = 55cm$
By using this value of $l$in equation 1 we will get the value of ${R_1} = 550\Omega $.
Hence, option (A) is the right option.
Note: While solving the question related to Wheatstone bridge, it is very important to see if the Wheatstone bridge is in balanced condition or not. Also we have to be careful while selecting the sides of the resistance. Wrong selection of sides can lead to incorrect length calculations as well as incorrect resistance calculations.
Recently Updated Pages
Circuit Switching vs Packet Switching: Key Differences Explained

JEE General Topics in Chemistry Important Concepts and Tips

JEE Extractive Metallurgy Important Concepts and Tips for Exam Preparation

JEE Amino Acids and Peptides Important Concepts and Tips for Exam Preparation

JEE Atomic Structure and Chemical Bonding important Concepts and Tips

Electricity and Magnetism Explained: Key Concepts & Applications

Trending doubts
JEE Main 2026: Session 2 Registration Open, City Intimation Slip, Exam Dates, Syllabus & Eligibility

JEE Main 2026 Application Login: Direct Link, Registration, Form Fill, and Steps

JEE Main Marking Scheme 2026- Paper-Wise Marks Distribution and Negative Marking Details

Understanding the Angle of Deviation in a Prism

Hybridisation in Chemistry – Concept, Types & Applications

How to Convert a Galvanometer into an Ammeter or Voltmeter

Other Pages
JEE Advanced Marks vs Ranks 2025: Understanding Category-wise Qualifying Marks and Previous Year Cut-offs

Dual Nature of Radiation and Matter Class 12 Physics Chapter 11 CBSE Notes - 2025-26

Understanding Uniform Acceleration in Physics

Understanding the Electric Field of a Uniformly Charged Ring

JEE Advanced Weightage 2025 Chapter-Wise for Physics, Maths and Chemistry

Derivation of Equation of Trajectory Explained for Students

