
In the use of transistor as an amplifier:
(A) The emitter-base junction is reverse biased, and the collector base junction is also reverse biased.
(B) The emitter-base junction is forward biased, and the collector base junction is reverse biased.
(C) Both the junctions are forward biased.
(D) Any of the two junctions may be forward biased.
Answer
242.7k+ views
Hint: In this question, the concept of the transistor is used, that is the transistor can work as an amplifier by increasing the strength of a weak signal. The transistors can act as an amplifier when they are correctly biased.
Complete step by step answer:
We know that the transistor can work as an amplifier by increasing the strength of a weak signal. The transistors can act as an amplifier when they are correctly biased.
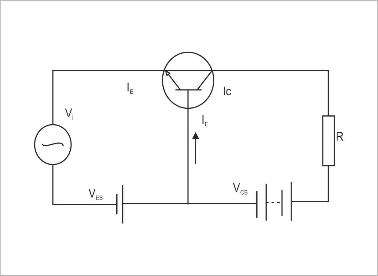
To understand the transistor as an amplifier, let us consider Figure (1). In the given figure, a transistor is connected to the circuit as an amplifier.

Figure (1)
As we can see in Figure (1), the input of the circuit is connected to the forward biased and the output of the circuit is connected to the reverse biased.
As we know that, to the base-emitter junction input signal or current is applied and in the given circuit the output is taken through the load in the emitter collector junction and the DC voltage is applied to the emitter-base junction.
Due to low resistance in the input circuit, there will be any small change in input signal, so the small change will be in output. So, as the small input voltage gives the large output voltage, which means that the transistor is working as an amplifier.
Therefore, in the use of transistors as an amplifier, the emitter-base junction is forward biased, and the collector base junction is also reverse biased. So, the option (B) is correct.
Note: As we know that a semiconductor device which is used to amplify or switch electric signals and electrical power is called the transistor. A transistor is a composition of semiconductor devices that is having three terminals for connection to external circuits.
Complete step by step answer:
We know that the transistor can work as an amplifier by increasing the strength of a weak signal. The transistors can act as an amplifier when they are correctly biased.
To understand the transistor as an amplifier, let us consider Figure (1). In the given figure, a transistor is connected to the circuit as an amplifier.

Figure (1)
As we can see in Figure (1), the input of the circuit is connected to the forward biased and the output of the circuit is connected to the reverse biased.
As we know that, to the base-emitter junction input signal or current is applied and in the given circuit the output is taken through the load in the emitter collector junction and the DC voltage is applied to the emitter-base junction.
Due to low resistance in the input circuit, there will be any small change in input signal, so the small change will be in output. So, as the small input voltage gives the large output voltage, which means that the transistor is working as an amplifier.
Therefore, in the use of transistors as an amplifier, the emitter-base junction is forward biased, and the collector base junction is also reverse biased. So, the option (B) is correct.
Note: As we know that a semiconductor device which is used to amplify or switch electric signals and electrical power is called the transistor. A transistor is a composition of semiconductor devices that is having three terminals for connection to external circuits.
Recently Updated Pages
JEE Main 2026 Session 2 Application Form: Reopened Registration, Dates & Fees

JEE Main 2026 Session 2 Registration (Reopened): Last Date, Fees, Link & Process

WBJEE 2026 Registration Started: Important Dates Eligibility Syllabus Exam Pattern

JEE Main 2025-26 Mock Tests: Free Practice Papers & Solutions

JEE Main 2025-26 Experimental Skills Mock Test – Free Practice

JEE Main 2025-26 Electronic Devices Mock Test: Free Practice Online

Trending doubts
JEE Main 2026: Session 1 Results Out and Session 2 Registration Open, City Intimation Slip, Exam Dates, Syllabus & Eligibility

Ideal and Non-Ideal Solutions Explained for Class 12 Chemistry

JEE Main Participating Colleges 2026 - A Complete List of Top Colleges

Understanding the Angle of Deviation in a Prism

Understanding Differential Equations: A Complete Guide

Hybridisation in Chemistry – Concept, Types & Applications

Other Pages
CBSE Class 12 Physics Question Paper 2026: Download SET-wise PDF with Answer Key & Analysis

JEE Advanced Marks vs Ranks 2025: Understanding Category-wise Qualifying Marks and Previous Year Cut-offs

JEE Advanced 2026 - Exam Date (Released), Syllabus, Registration, Eligibility, Preparation, and More

Dual Nature of Radiation and Matter Class 12 Physics Chapter 11 CBSE Notes - 2025-26

JEE Advanced Weightage 2025 Chapter-Wise for Physics, Maths and Chemistry

Understanding the Electric Field of a Uniformly Charged Ring

