
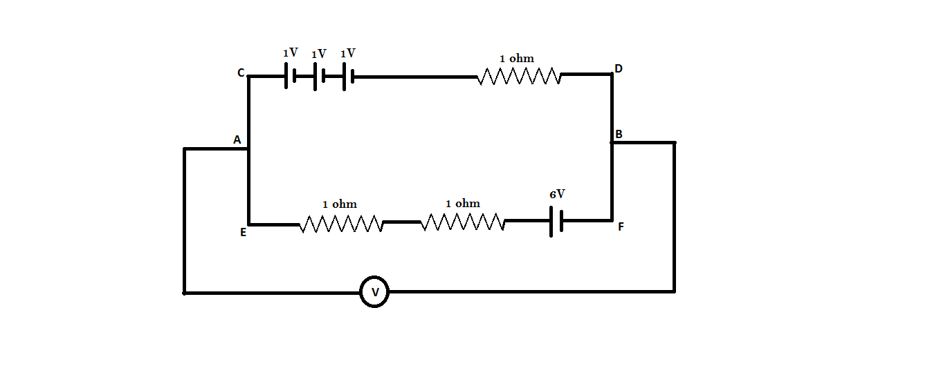
In the following diagram, the reading of an ideal voltmeter in the circuit is:
A) Zero
B) 2V
C) 4V
D) 6V
Answer
240.3k+ views
Hint: A voltmeter is an instrument used for measuring the electric potential difference between two points in an electric circuit. In the above question, we have to find the potential difference between two points A and B. Use Kirchhoff’s second law of the circuit. Kirchhoff's second law states that the voltage around a loop equals the sum of every voltage drop in the same loop for any closed network and also equals zero. Another thing to keep in mind is that the voltmeter which is connected to the circuit is ideal. An ideal voltmeter is a voltmeter that has infinite resistance, that is, the voltmeter will not allow any amount of current to go through it.
Complete step by step solution:
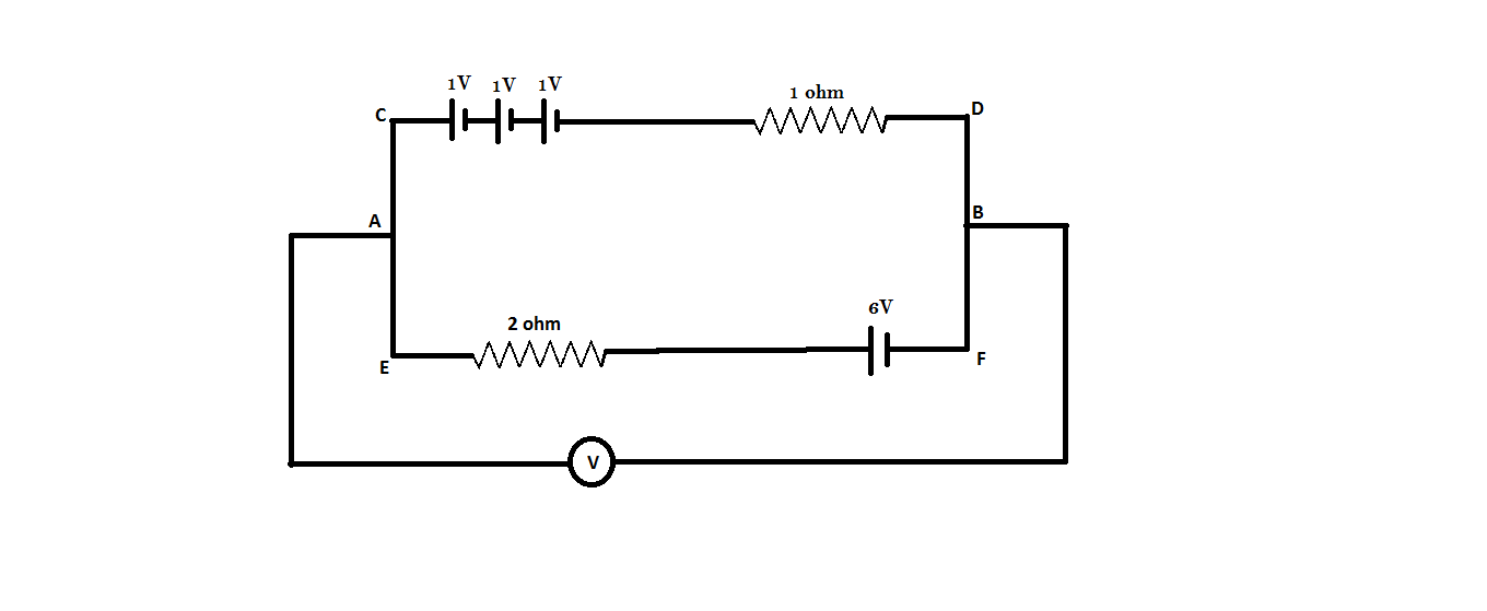
Step 1: To simplify the diagram we can add two resistors of 1ohm each. Both resistors are in the series combination. To add the resistors in series use the formula $R = {R_1} + {R_2}$ . then our resistance will be 2 ohms and the diagram will look like following
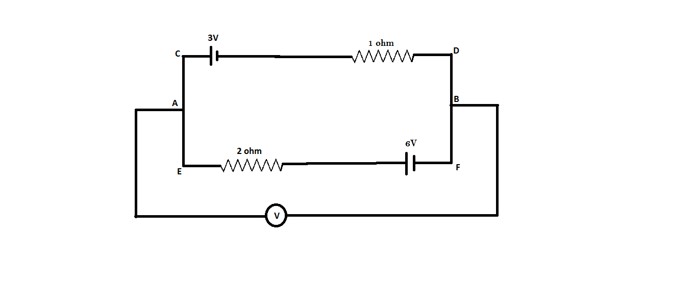
Step 2: Three batteries are connected in a series combination therefore we can directly add all the three potential differences and can write as a single potential difference which will be 3V. and we can have the following diagram
Step 3: now apply Kirchhoff’s second law assuming that the current is flowing counterclockwise in the circuit. Let the current flowing in the circuit is $i$ then add all the potential in the circuit and put equal to zero. Since we know the formula, $V = IR$ we can put the potential difference because of each resistor. Therefore,
$\therefore - 6 + 1 \times i - 3 + 2i = 0$
$ \Rightarrow - 9 + 3i = 0$
$ \Rightarrow i = \dfrac{9}{3} = 3$
Therefore the current flowing in the circuit is 3A.
Step 4: now we know the amount of current flowing in the circuit and use this for the calculation of the potential difference between point A and point B. therefore
$\therefore {V_A} - 6 + 2 \times i = {V_B}$ , where ${V_A}$ and ${V_B}$ are the potential at point A and B respectively.
Step 5: For the potential difference we need to calculate the value of the ${V_A} - {V_B}$ . Therefore put the value of $i$ and calculate the desired result
$\therefore {V_A} - {V_B} = 6 - 2 \times 3$
$ \Rightarrow {V_A} - {V_B} = 0$
Therefore the reading in the voltmeter will be zero.
Hence option A is correct.
Note: The sign taken for potential in the above solution depends on the direction of the current flowing in the circuit. If we take the flowing current clockwise then the sign of every potential will be changed. But the result, that is, the amount of current will not change.
Complete step by step solution:
Step 1: To simplify the diagram we can add two resistors of 1ohm each. Both resistors are in the series combination. To add the resistors in series use the formula $R = {R_1} + {R_2}$ . then our resistance will be 2 ohms and the diagram will look like following
Step 2: Three batteries are connected in a series combination therefore we can directly add all the three potential differences and can write as a single potential difference which will be 3V. and we can have the following diagram
Step 3: now apply Kirchhoff’s second law assuming that the current is flowing counterclockwise in the circuit. Let the current flowing in the circuit is $i$ then add all the potential in the circuit and put equal to zero. Since we know the formula, $V = IR$ we can put the potential difference because of each resistor. Therefore,$\therefore - 6 + 1 \times i - 3 + 2i = 0$
$ \Rightarrow - 9 + 3i = 0$
$ \Rightarrow i = \dfrac{9}{3} = 3$
Therefore the current flowing in the circuit is 3A.
Step 4: now we know the amount of current flowing in the circuit and use this for the calculation of the potential difference between point A and point B. therefore
$\therefore {V_A} - 6 + 2 \times i = {V_B}$ , where ${V_A}$ and ${V_B}$ are the potential at point A and B respectively.
Step 5: For the potential difference we need to calculate the value of the ${V_A} - {V_B}$ . Therefore put the value of $i$ and calculate the desired result
$\therefore {V_A} - {V_B} = 6 - 2 \times 3$
$ \Rightarrow {V_A} - {V_B} = 0$
Therefore the reading in the voltmeter will be zero.
Hence option A is correct.
Note: The sign taken for potential in the above solution depends on the direction of the current flowing in the circuit. If we take the flowing current clockwise then the sign of every potential will be changed. But the result, that is, the amount of current will not change.
Recently Updated Pages
JEE Main 2025-26 Mock Tests: Free Practice Papers & Solutions

JEE Main 2025-26 Experimental Skills Mock Test – Free Practice

JEE Main 2025-26 Electronic Devices Mock Test: Free Practice Online

JEE Main 2025-26 Atoms and Nuclei Mock Test – Free Practice Online

JEE Main 2025-26: Magnetic Effects of Current & Magnetism Mock Test

JEE Main Mock Test 2025: Properties of Solids and Liquids

Trending doubts
JEE Main 2026: Session 1 Results Out and Session 2 Registration Open, City Intimation Slip, Exam Dates, Syllabus & Eligibility

Ideal and Non-Ideal Solutions Explained for Class 12 Chemistry

JEE Main Participating Colleges 2026 - A Complete List of Top Colleges

Clemmensen and Wolff Kishner Reductions Explained for JEE & NEET

Degree of Dissociation: Meaning, Formula, Calculation & Uses

Understanding the Angle of Deviation in a Prism

Other Pages
CBSE Class 12 Physics Question Paper 2026: Download SET-wise PDF with Answer Key & Analysis

JEE Advanced Marks vs Ranks 2025: Understanding Category-wise Qualifying Marks and Previous Year Cut-offs

JEE Advanced 2026 - Exam Date (Released), Syllabus, Registration, Eligibility, Preparation, and More

CBSE Class 12 Physics Question Paper Set 3 (55/2/3) 2025: PDF, Answer Key & Solutions

CBSE Class 12 Physics Question Paper Set 3 (55/1/3) 2025 – PDF, Solutions & Analysis

CBSE Class 12 Physics Question Paper Set 1 (55/1/1) 2025 – PDF, Solutions & Marking Scheme

