
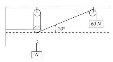
If the system shown in the figure is in equilibrium, then calculate the value of the weight $W$ . Assume pulleys to be weightless and frictionless.

Answer
216.3k+ views
Hint: Here two blocks of weight $60{\text{N}}$ and $W$ are shown to be hanging using three pulleys. Tensions will exist in the ropes connected to the pulleys to which the blocks are attached. The value of tension will be the same for the same rope. Since the system is said to be in equilibrium, the tension acting in the vertical direction and the horizontal direction will be balanced by the weights of the two blocks.
Complete step by step answer:
Step 1: Sketch the given system expressing the tension in each rope attached to the wheel of the pulley.
In the given system, three wheels A, B and C along with two ropes make up the pulleys used to hang the two blocks P and Q. The tensions in the ropes connected to block P are $T$ and ${T_1}$ while the tension in the rope connected to block Q is $T$.
The weight of block P is given to be $W$ and it is to be determined.
The weight of block Q is given to be $W' = 60{\text{N}}$.
Step 2: Express the force balance equation in the x-direction and the y-direction.
First, we can resolve the tension in the inclined rope connecting wheels B and C into its horizontal component and its vertical component. This is shown in the figure below.
Then along the x-direction, the force balance equation for block P can be expressed as ${T_1} = T\cos 30^\circ $ .
Along the y-direction, the force balance equation for block P can be expressed as
$T + T + T\sin 30^\circ = W$
$ \Rightarrow 2T + \dfrac{T}{2} = W$ -------- (1)
Now along the y-direction, the force balance equation for block Q can be expressed as $T = W' = 60{\text{N}}$ .
So the value of the tension $T = 60{\text{N}}$ .
Substituting for $T = 60{\text{N}}$ in equation (1) we get, $W = \left( {2 \times 60} \right) + \left( {\dfrac{{60}}{2}} \right) = 150{\text{N}}$
$\therefore $ the weight of the block is obtained to be $W = 150{\text{N}}$ .
Note: For a system to be in equilibrium, all the forces acting on it must sum up to zero. This implies that the tension in the ropes for each block along the vertical and horizontal direction gets balanced by the weight of the respective blocks. This is expressed by the force balance equations. However, the force balance equation along the horizontal direction is not necessary to solve the problem. The tension will be always directed away from the weight and so we have ${T_1}$ to be directed towards the left and $T$ to be directed upwards.
Complete step by step answer:
Step 1: Sketch the given system expressing the tension in each rope attached to the wheel of the pulley.
In the given system, three wheels A, B and C along with two ropes make up the pulleys used to hang the two blocks P and Q. The tensions in the ropes connected to block P are $T$ and ${T_1}$ while the tension in the rope connected to block Q is $T$.

The weight of block P is given to be $W$ and it is to be determined.
The weight of block Q is given to be $W' = 60{\text{N}}$.
Step 2: Express the force balance equation in the x-direction and the y-direction.
First, we can resolve the tension in the inclined rope connecting wheels B and C into its horizontal component and its vertical component. This is shown in the figure below.
Then along the x-direction, the force balance equation for block P can be expressed as ${T_1} = T\cos 30^\circ $ .

Along the y-direction, the force balance equation for block P can be expressed as
$T + T + T\sin 30^\circ = W$
$ \Rightarrow 2T + \dfrac{T}{2} = W$ -------- (1)
Now along the y-direction, the force balance equation for block Q can be expressed as $T = W' = 60{\text{N}}$ .
So the value of the tension $T = 60{\text{N}}$ .
Substituting for $T = 60{\text{N}}$ in equation (1) we get, $W = \left( {2 \times 60} \right) + \left( {\dfrac{{60}}{2}} \right) = 150{\text{N}}$
$\therefore $ the weight of the block is obtained to be $W = 150{\text{N}}$ .
Note: For a system to be in equilibrium, all the forces acting on it must sum up to zero. This implies that the tension in the ropes for each block along the vertical and horizontal direction gets balanced by the weight of the respective blocks. This is expressed by the force balance equations. However, the force balance equation along the horizontal direction is not necessary to solve the problem. The tension will be always directed away from the weight and so we have ${T_1}$ to be directed towards the left and $T$ to be directed upwards.
Recently Updated Pages
JEE Atomic Structure and Chemical Bonding important Concepts and Tips

JEE Amino Acids and Peptides Important Concepts and Tips for Exam Preparation

Electricity and Magnetism Explained: Key Concepts & Applications

Chemical Properties of Hydrogen - Important Concepts for JEE Exam Preparation

JEE Energetics Important Concepts and Tips for Exam Preparation

JEE Isolation, Preparation and Properties of Non-metals Important Concepts and Tips for Exam Preparation

Trending doubts
JEE Main 2026: Application Form Open, Exam Dates, Syllabus, Eligibility & Question Papers

Derivation of Equation of Trajectory Explained for Students

Hybridisation in Chemistry – Concept, Types & Applications

Understanding the Angle of Deviation in a Prism

Understanding Collisions: Types and Examples for Students

How to Convert a Galvanometer into an Ammeter or Voltmeter

Other Pages
JEE Advanced Marks vs Ranks 2025: Understanding Category-wise Qualifying Marks and Previous Year Cut-offs

Units And Measurements Class 11 Physics Chapter 1 CBSE Notes - 2025-26

NCERT Solutions For Class 11 Physics Chapter 8 Mechanical Properties Of Solids

Motion in a Straight Line Class 11 Physics Chapter 2 CBSE Notes - 2025-26

NCERT Solutions for Class 11 Physics Chapter 7 Gravitation 2025-26

Understanding Atomic Structure for Beginners

