
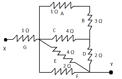
Calculate the equivalent resistance between X and Y.

A) $1\Omega $
B) $2\Omega $
C) $3\Omega $
D) $4\Omega $
Answer
243k+ views
Hint: Equivalent resistance of two resistances connected in series combination is equal sum of individual resistances. Multiplicative inverse of equivalent resistance of two resistances connected in parallel combination is equal sum of multiplicative inverse of individual resistance. Here to find equivalent resistance between X and Y, we divide the complete circuit in parts and solve the parts and combine them again.
Complete step by step solution:
Given, ${R_A} = 1\Omega $, ${R_B} = 3\Omega $, ${R_C} = 4\Omega $, ${R_D} = 2\Omega $, ${R_E} = 4\Omega $, ${R_F} = 2\Omega $ and ${R_G} = 1\Omega $.
First, we take ${R_A}$ and ${R_B}$, these are connected in series then their equivalent resistance is ${R_{AB}} = {R_A} + {R_B} = 1 + 3 = 4\Omega $.
Now, resistance ${R_{AB}}$ and ${R_C}$ are connected in parallel and their equivalent resistance is ${R_{ABC}} = \dfrac{{{R_{AB}} \times {R_C}}}{{{R_{AB}} + {R_C}}} = \dfrac{{4 \times 4}}{{4 + 4}} = 2\Omega $.
Now, ${R_{ABC}}$ and \[{R_D}\] are connected in series and their equivalent resistance is ${R_{ABCD}} = {R_{ABC}} + {R_D} = 2 + 2 = 4\Omega $.
Now, resistance ${R_{ABCD}}$, ${R_E}$ and ${R_F}$ are connected in parallel combination and their equivalent resistance is \[{R_{ABCDEF}} = \dfrac{1}{{\dfrac{1}{{{R_{ABCD}}}} + \dfrac{1}{{{R_E}}} + \dfrac{1}{{{R_F}}}}} = \dfrac{1}{{\dfrac{1}{4} + \dfrac{1}{4} + \dfrac{1}{2}}} = 1\Omega \].
Finally, we have two resistance \[{R_{ABCDEF}}\] and \[{R_G}\] connected in series and their equivalent resistance is ${R_{Eq}} = {R_{ABCDEF}} + {R_G} = 1 + 1 = 2\Omega $.
Hence equivalent resistance between X and Y is $2\Omega $ and the correct answer is option B.
Note: For better understanding we can assume that after every step combination of resistances is replaced by their equivalent resistance. After all steps we find that there is only one resistance between X and Y and this resistance is equivalent resistance of all resistances.
Complete step by step solution:
Given, ${R_A} = 1\Omega $, ${R_B} = 3\Omega $, ${R_C} = 4\Omega $, ${R_D} = 2\Omega $, ${R_E} = 4\Omega $, ${R_F} = 2\Omega $ and ${R_G} = 1\Omega $.
First, we take ${R_A}$ and ${R_B}$, these are connected in series then their equivalent resistance is ${R_{AB}} = {R_A} + {R_B} = 1 + 3 = 4\Omega $.
Now, resistance ${R_{AB}}$ and ${R_C}$ are connected in parallel and their equivalent resistance is ${R_{ABC}} = \dfrac{{{R_{AB}} \times {R_C}}}{{{R_{AB}} + {R_C}}} = \dfrac{{4 \times 4}}{{4 + 4}} = 2\Omega $.
Now, ${R_{ABC}}$ and \[{R_D}\] are connected in series and their equivalent resistance is ${R_{ABCD}} = {R_{ABC}} + {R_D} = 2 + 2 = 4\Omega $.
Now, resistance ${R_{ABCD}}$, ${R_E}$ and ${R_F}$ are connected in parallel combination and their equivalent resistance is \[{R_{ABCDEF}} = \dfrac{1}{{\dfrac{1}{{{R_{ABCD}}}} + \dfrac{1}{{{R_E}}} + \dfrac{1}{{{R_F}}}}} = \dfrac{1}{{\dfrac{1}{4} + \dfrac{1}{4} + \dfrac{1}{2}}} = 1\Omega \].
Finally, we have two resistance \[{R_{ABCDEF}}\] and \[{R_G}\] connected in series and their equivalent resistance is ${R_{Eq}} = {R_{ABCDEF}} + {R_G} = 1 + 1 = 2\Omega $.
Hence equivalent resistance between X and Y is $2\Omega $ and the correct answer is option B.
Note: For better understanding we can assume that after every step combination of resistances is replaced by their equivalent resistance. After all steps we find that there is only one resistance between X and Y and this resistance is equivalent resistance of all resistances.
Recently Updated Pages
JEE Main 2026 Session 2 City Intimation Slip & Exam Date: Expected Date, Download Link

JEE Main 2026 Session 2 Application Form: Reopened Registration, Dates & Fees

JEE Main 2026 Session 2 Registration (Reopened): Last Date, Fees, Link & Process

WBJEE 2026 Registration Started: Important Dates Eligibility Syllabus Exam Pattern

JEE Main 2025-26 Mock Tests: Free Practice Papers & Solutions

JEE Main 2025-26 Experimental Skills Mock Test – Free Practice

Trending doubts
JEE Main 2026: Session 1 Results Out and Session 2 Registration Open, City Intimation Slip, Exam Dates, Syllabus & Eligibility

Ideal and Non-Ideal Solutions Explained for Class 12 Chemistry

JEE Main Participating Colleges 2026 - A Complete List of Top Colleges

Understanding the Angle of Deviation in a Prism

Understanding Differential Equations: A Complete Guide

Hybridisation in Chemistry – Concept, Types & Applications

Other Pages
CBSE Class 12 Physics Question Paper 2026: Download SET-wise PDF with Answer Key & Analysis

JEE Advanced Marks vs Ranks 2025: Understanding Category-wise Qualifying Marks and Previous Year Cut-offs

JEE Advanced 2026 - Exam Date (Released), Syllabus, Registration, Eligibility, Preparation, and More

Dual Nature of Radiation and Matter Class 12 Physics Chapter 11 CBSE Notes - 2025-26

JEE Advanced Weightage 2025 Chapter-Wise for Physics, Maths and Chemistry

Understanding the Electric Field of a Uniformly Charged Ring

