
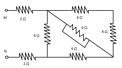
Calculate the equivalent resistance between point M and N.

A) $5\Omega $
B) $6\Omega $
C) $3\Omega $
D) $7\Omega $
Answer
216.3k+ views
Hint: To solve this connection you should know the series connection and parallel connection of resistances. In series connection, the equivalent resistance is simply the sum of the individual resistances connected in series.
In parallel connection, the reciprocal of equivalent resistance is equal to the sum of the reciprocal of individual resistances connected parallelly.
Complete step by step solution:
From the figure resistance ${R_1}$ and ${R_2}$ in series so the equivalent of them will be the direct of sum of their individual resistances,
$R' = {R_1} + {R_2}$
Put the values of ${R_1}$ and ${R_2}$ in the above equation to get the value of resistance.
$R' = 6 + 6$
$\Rightarrow 12\,\Omega$
Similarly, resistance ${R_4}$ and ${R_5}$ are also in series so the equivalent of them will also be the direct of sum of their individual resistances,
$R'' = {R_4} + {R_5}$
Put the values of ${R_4}$ and ${R_5}$ in above equation,
$R'' = 6 + 6$
$ \Rightarrow 12\,\Omega $
Now, we can see that resistance $R',{R_3}$ and $R’’$ are connected by parallel connection so the equivalent resistance of these resistances can be determined as,
$\dfrac{1}{{R'''}} = \dfrac{1}{{R'}} + \dfrac{1}{{{R_3}}} + \dfrac{1}{{R''}}$
Substitute the values of resistances in above equation,
$\dfrac{1}{{R'''}} = \dfrac{1}{{12}} + \dfrac{1}{6} + \dfrac{1}{{12}}\\
\Rightarrow \dfrac{{1 + 2 + 1}}{{12}}\\
\Rightarrow \dfrac{1}{{R'''}} = \dfrac{4}{{12}} = \dfrac{1}{3}\\
\Rightarrow R''' = 3\,\Omega
$
Resistances ${R_6},R'''$ and ${R_7}$ are connected in series so the equivalent resistance of them determined as,
${R_{eq}} = {R_6} + R''' + {R_7}$
Put the values in the above equation to get equivalent resistance.
$ {R_{eq}} = 2 + 3 + 2\\
\Rightarrow 7\,\Omega
$
Thus the equivalent resistance of the circuit is $7\,\Omega $.
Note: In this type of questions equivalent resistance cannot calculate directly. You have to use proper steps to determine equivalent resistance.
Solve the question by breaking it into small circuits and then find step by step resistance. Make sure that resistance connected parallel should be solved by the parallel connection method of equivalent resistance and resistance connected in series connection should be determined by equivalent resistance of series connection method.
In parallel connection, the reciprocal of equivalent resistance is equal to the sum of the reciprocal of individual resistances connected parallelly.
Complete step by step solution:
From the figure resistance ${R_1}$ and ${R_2}$ in series so the equivalent of them will be the direct of sum of their individual resistances,
$R' = {R_1} + {R_2}$
Put the values of ${R_1}$ and ${R_2}$ in the above equation to get the value of resistance.
$R' = 6 + 6$
$\Rightarrow 12\,\Omega$
Similarly, resistance ${R_4}$ and ${R_5}$ are also in series so the equivalent of them will also be the direct of sum of their individual resistances,
$R'' = {R_4} + {R_5}$
Put the values of ${R_4}$ and ${R_5}$ in above equation,
$R'' = 6 + 6$
$ \Rightarrow 12\,\Omega $
Now, we can see that resistance $R',{R_3}$ and $R’’$ are connected by parallel connection so the equivalent resistance of these resistances can be determined as,
$\dfrac{1}{{R'''}} = \dfrac{1}{{R'}} + \dfrac{1}{{{R_3}}} + \dfrac{1}{{R''}}$
Substitute the values of resistances in above equation,
$\dfrac{1}{{R'''}} = \dfrac{1}{{12}} + \dfrac{1}{6} + \dfrac{1}{{12}}\\
\Rightarrow \dfrac{{1 + 2 + 1}}{{12}}\\
\Rightarrow \dfrac{1}{{R'''}} = \dfrac{4}{{12}} = \dfrac{1}{3}\\
\Rightarrow R''' = 3\,\Omega
$
Resistances ${R_6},R'''$ and ${R_7}$ are connected in series so the equivalent resistance of them determined as,
${R_{eq}} = {R_6} + R''' + {R_7}$
Put the values in the above equation to get equivalent resistance.
$ {R_{eq}} = 2 + 3 + 2\\
\Rightarrow 7\,\Omega
$
Thus the equivalent resistance of the circuit is $7\,\Omega $.
Note: In this type of questions equivalent resistance cannot calculate directly. You have to use proper steps to determine equivalent resistance.
Solve the question by breaking it into small circuits and then find step by step resistance. Make sure that resistance connected parallel should be solved by the parallel connection method of equivalent resistance and resistance connected in series connection should be determined by equivalent resistance of series connection method.
Recently Updated Pages
Wheatstone Bridge Explained: Working, Formula & Uses

Young’s Double Slit Experiment Derivation Explained

JEE Atomic Structure and Chemical Bonding important Concepts and Tips

JEE Amino Acids and Peptides Important Concepts and Tips for Exam Preparation

Electricity and Magnetism Explained: Key Concepts & Applications

Chemical Properties of Hydrogen - Important Concepts for JEE Exam Preparation

Trending doubts
JEE Main 2026: Application Form Open, Exam Dates, Syllabus, Eligibility & Question Papers

Derivation of Equation of Trajectory Explained for Students

Hybridisation in Chemistry – Concept, Types & Applications

Understanding the Angle of Deviation in a Prism

Understanding Collisions: Types and Examples for Students

How to Convert a Galvanometer into an Ammeter or Voltmeter

Other Pages
JEE Advanced Marks vs Ranks 2025: Understanding Category-wise Qualifying Marks and Previous Year Cut-offs

Ideal and Non-Ideal Solutions Explained for Class 12 Chemistry

Degree of Dissociation: Meaning, Formula, Calculation & Uses

Understanding Electromagnetic Waves and Their Importance

Understanding the Electric Field of a Uniformly Charged Ring

Understanding Average and RMS Value in Electrical Circuits

