
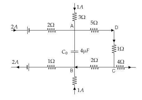
A part of a circuit in steady-state with current flowing in the branches with the value of each resistance is shown in the figure. Calculate the energy stored in the capacitor ${C_0}$.

Answer
232.8k+ views
Hint: The energy stored in the capacitor will be proportional to the capacitance of that capacitor and the square of the potential difference across that capacitor. Now the potential difference across the capacitor can be obtained by Ohm’s law and Kirchoff’s junction rule. Kirchoff’s junction rule gives the current entering or leaving a junction as the sum of the currents through the branches of that junction.
Formulae used:
Ohm’s law gives the potential difference between two points in a circuit as ${V_1} - {V_2} = IR$ where $I$ is the current through the resistor connected across the two points and $R$ is the resistance of that resistor.
Kirchoff’s junction rule is given by, $I = {i_1} + {i_2}$ where $I$ is the current entering or leaving a junction, ${i_1}$ and ${i_2}$ are the currents through two branches of the junction.
The energy stored in a capacitor is given by, $U = \dfrac{1}{2}C{V^2}$ where $C$ is the capacitance of the capacitor and $V$ is the potential difference across the capacitor.
Complete step by step answer:
Step 1: Sketch the given figure and mark the junctions of interest.
From the above figure, we have to determine the potential difference ${V_A} - {V_B}$ across the capacitor ${C_0}$ using Ohm’s law and Kirchoff’s junction rule.
Step 2: Make use of Kirchoff’s junction rule and Ohm’s law to obtain the potential difference across the capacitor.
The effective resistance of the $5\Omega $ and $1\Omega $ resistances connected across the points A and C will be ${R_{AC}} = 5 + 1 = 6\Omega $ .
Also from the figure, we see that the currents ${i_1} = 1{\text{A}}$ and ${i_2} = 2{\text{A}}$ through the branches of junction A combine to a total of ${I_{AC}} = {i_1} + {i_2} \Rightarrow {I_{AC}} = 3{\text{A}}$. This current flows through the effective resistance ${R_{AC}}$ .
So the potential difference across the two points A and C will be given by Ohm’s law as ${V_A} - {V_C} = {I_{AC}}{R_{AC}} = 3 \times 6 = 18{\text{V}}$ -------- (1)
Now at junction B, the currents through its two branches ${i_{BC}}$ and ${i_3} = 1{\text{A}}$ combine to a total current of ${I_B} = 2{\text{A}}$ .
So by Kirchoff’s junction rule, we have ${I_B} = {i_{BC}} + {i_3} \Rightarrow {i_{BC}} = {I_B} - {i_3}$ .
Then we obtain the current through the resistance ${R_{BC}} = 2\Omega $ as ${i_{BC}} = 2 - 1 = 3{\text{A}}$ .
Then the potential difference between the points C and B will be
${V_C} - {V_B} = {i_{BC}}{R_{BC}} = 1 \times 2 = 2{\text{V}}$ ------- (2)
Adding equations (1) and (2) we obtain ${V_A} - {V_C} + {V_C} - {V_B} = 18{\text{ + 2}} = {\text{20V}}$
$ \Rightarrow {V_A} - {V_B} = 20{\text{V}}$
Thus the potential difference across the capacitor is obtained to be ${V_A} - {V_B} = 20{\text{V}}$ .
Step 3: Express the relation for the energy stored in the capacitor ${C_0} = 4\mu {\text{F}}$ .
The energy stored in the capacitor ${C_0}$ can be expressed as $U = \dfrac{1}{2}{C_0}{\left( {{V_A} - {V_B}} \right)^2}$ -------- (3)
Substituting for ${C_0} = 4 \times {10^{ - 6}}{\text{F}}$ and ${V_A} - {V_B} = 20{\text{V}}$ in equation (3) we get, $U = \dfrac{1}{2} \times 4 \times {10^{ - 6}} \times {20^2} = 8 \times {10^{ - 4}}{\text{J}}$
$\therefore $ The energy stored in the given capacitor is obtained to be $U = 8 \times {10^{ - 4}}{\text{J}}$.
Note: In the sketched figure, the $5\Omega $ and $1\Omega $ resistances connected across the points A and C are connected serially. So the effective resistance ${R_{AC}}$ of these two resistors is taken to be the sum of their sum. While substituting values of quantities in an equation, make sure that all the quantities are expressed in their respective S.I units. Here the capacitance of the given capacitor was expressed in the units of micro-farads. So we made the conversion into the S.I unit of farads as ${C_0} = 4 \times {10^{ - 6}}{\text{F}}$ before substituting in equation (3).
Formulae used:
Ohm’s law gives the potential difference between two points in a circuit as ${V_1} - {V_2} = IR$ where $I$ is the current through the resistor connected across the two points and $R$ is the resistance of that resistor.
Kirchoff’s junction rule is given by, $I = {i_1} + {i_2}$ where $I$ is the current entering or leaving a junction, ${i_1}$ and ${i_2}$ are the currents through two branches of the junction.
The energy stored in a capacitor is given by, $U = \dfrac{1}{2}C{V^2}$ where $C$ is the capacitance of the capacitor and $V$ is the potential difference across the capacitor.
Complete step by step answer:
Step 1: Sketch the given figure and mark the junctions of interest.
From the above figure, we have to determine the potential difference ${V_A} - {V_B}$ across the capacitor ${C_0}$ using Ohm’s law and Kirchoff’s junction rule.

Step 2: Make use of Kirchoff’s junction rule and Ohm’s law to obtain the potential difference across the capacitor.
The effective resistance of the $5\Omega $ and $1\Omega $ resistances connected across the points A and C will be ${R_{AC}} = 5 + 1 = 6\Omega $ .
Also from the figure, we see that the currents ${i_1} = 1{\text{A}}$ and ${i_2} = 2{\text{A}}$ through the branches of junction A combine to a total of ${I_{AC}} = {i_1} + {i_2} \Rightarrow {I_{AC}} = 3{\text{A}}$. This current flows through the effective resistance ${R_{AC}}$ .
So the potential difference across the two points A and C will be given by Ohm’s law as ${V_A} - {V_C} = {I_{AC}}{R_{AC}} = 3 \times 6 = 18{\text{V}}$ -------- (1)
Now at junction B, the currents through its two branches ${i_{BC}}$ and ${i_3} = 1{\text{A}}$ combine to a total current of ${I_B} = 2{\text{A}}$ .
So by Kirchoff’s junction rule, we have ${I_B} = {i_{BC}} + {i_3} \Rightarrow {i_{BC}} = {I_B} - {i_3}$ .
Then we obtain the current through the resistance ${R_{BC}} = 2\Omega $ as ${i_{BC}} = 2 - 1 = 3{\text{A}}$ .
Then the potential difference between the points C and B will be
${V_C} - {V_B} = {i_{BC}}{R_{BC}} = 1 \times 2 = 2{\text{V}}$ ------- (2)
Adding equations (1) and (2) we obtain ${V_A} - {V_C} + {V_C} - {V_B} = 18{\text{ + 2}} = {\text{20V}}$
$ \Rightarrow {V_A} - {V_B} = 20{\text{V}}$
Thus the potential difference across the capacitor is obtained to be ${V_A} - {V_B} = 20{\text{V}}$ .
Step 3: Express the relation for the energy stored in the capacitor ${C_0} = 4\mu {\text{F}}$ .
The energy stored in the capacitor ${C_0}$ can be expressed as $U = \dfrac{1}{2}{C_0}{\left( {{V_A} - {V_B}} \right)^2}$ -------- (3)
Substituting for ${C_0} = 4 \times {10^{ - 6}}{\text{F}}$ and ${V_A} - {V_B} = 20{\text{V}}$ in equation (3) we get, $U = \dfrac{1}{2} \times 4 \times {10^{ - 6}} \times {20^2} = 8 \times {10^{ - 4}}{\text{J}}$
$\therefore $ The energy stored in the given capacitor is obtained to be $U = 8 \times {10^{ - 4}}{\text{J}}$.
Note: In the sketched figure, the $5\Omega $ and $1\Omega $ resistances connected across the points A and C are connected serially. So the effective resistance ${R_{AC}}$ of these two resistors is taken to be the sum of their sum. While substituting values of quantities in an equation, make sure that all the quantities are expressed in their respective S.I units. Here the capacitance of the given capacitor was expressed in the units of micro-farads. So we made the conversion into the S.I unit of farads as ${C_0} = 4 \times {10^{ - 6}}{\text{F}}$ before substituting in equation (3).
Recently Updated Pages
Circuit Switching vs Packet Switching: Key Differences Explained

JEE General Topics in Chemistry Important Concepts and Tips

JEE Extractive Metallurgy Important Concepts and Tips for Exam Preparation

JEE Amino Acids and Peptides Important Concepts and Tips for Exam Preparation

JEE Atomic Structure and Chemical Bonding important Concepts and Tips

Electricity and Magnetism Explained: Key Concepts & Applications

Trending doubts
JEE Main 2026: Session 2 Registration Open, City Intimation Slip, Exam Dates, Syllabus & Eligibility

JEE Main 2026 Application Login: Direct Link, Registration, Form Fill, and Steps

JEE Main Marking Scheme 2026- Paper-Wise Marks Distribution and Negative Marking Details

Understanding the Angle of Deviation in a Prism

Hybridisation in Chemistry – Concept, Types & Applications

How to Convert a Galvanometer into an Ammeter or Voltmeter

Other Pages
JEE Advanced Marks vs Ranks 2025: Understanding Category-wise Qualifying Marks and Previous Year Cut-offs

Dual Nature of Radiation and Matter Class 12 Physics Chapter 11 CBSE Notes - 2025-26

Understanding Uniform Acceleration in Physics

Understanding the Electric Field of a Uniformly Charged Ring

JEE Advanced Weightage 2025 Chapter-Wise for Physics, Maths and Chemistry

Derivation of Equation of Trajectory Explained for Students

