
A mass $M Kg$ is suspended by a weightless string. The horizontal force required to hold the mass at ${60^o}$ with the vertical is
(A) $Mg$
(B) $Mg\sqrt 3 $
(C) $Mg\left( {\sqrt 3 + 1} \right)$
(D) $\dfrac{{Mg}}{{\sqrt 3 }}$
Answer
218.7k+ views
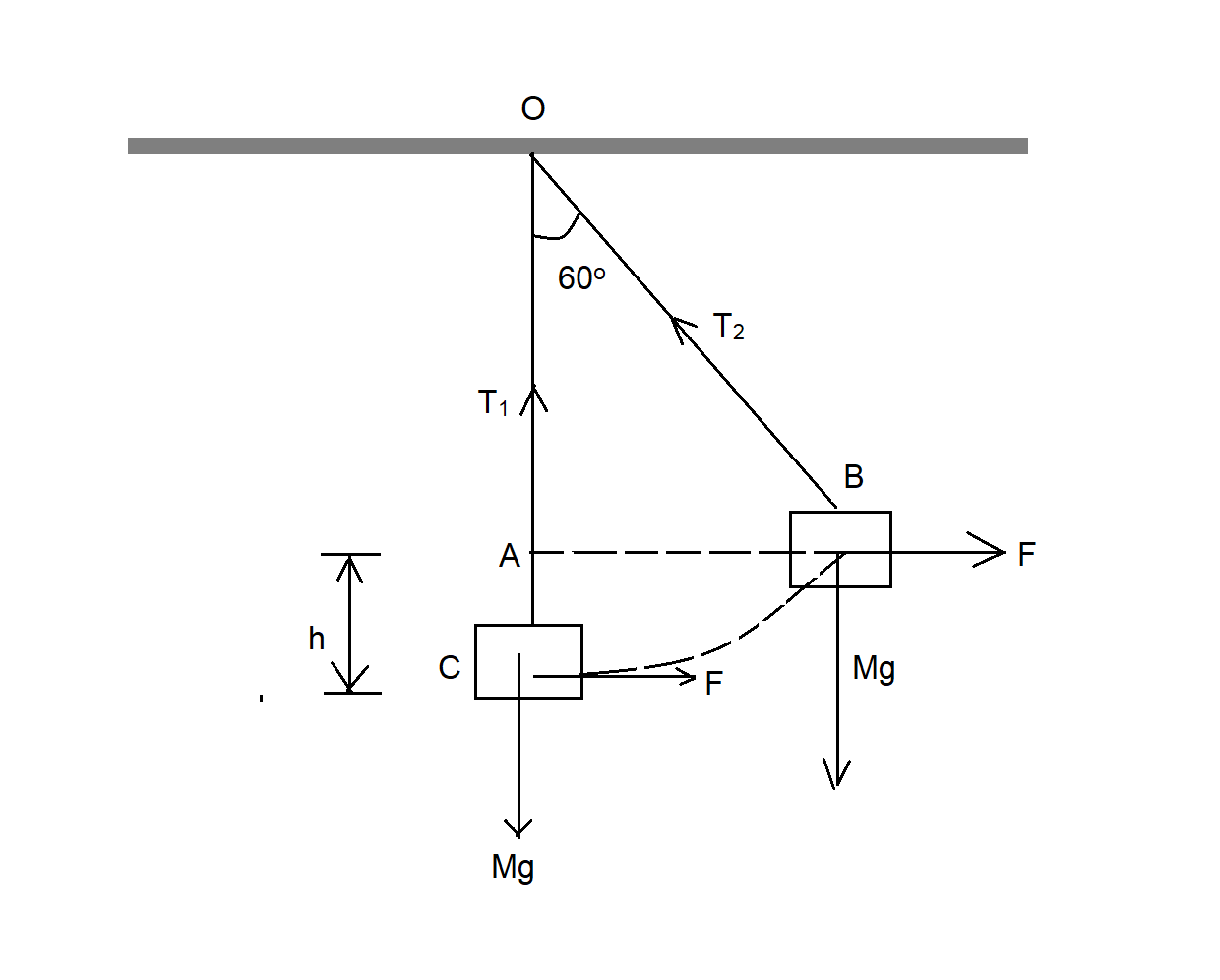
Hint We are given with a body suspended by a weightless string and are asked to find the horizontal force required to hold the mass at the given angle. Thus, we will use the work energy theorem to solve the given problem.
Formulae Used:
$W = \Delta T$
Where,$W$ is the work done by the body and$\Delta {\rm T}$ is the change in kinetic energy.
Complete step by step solution

Here,
The total work done is$W = {W_{{T_1}}} + {W_{{T_2}}}$
Where,$W$ is the net work done,${W_{{T_1}}}$ is the work done by the tension${T_1}$ and${W_{{T_2}}}$ is the work done by the tension${T_2}$.
Now,
As the string is the same, then the tension will remain constant.
Thus,
${T_1} = {T_2} = T$
Now,
As per the diagram,
$T = Mg$
Also,
As the horizontal force acting on the body is constant and thus the velocity of the body remains constant and thus, the change in the kinetic energy of the body is$0$.
Thus,
${W_{{T_1}}} + {W_{{T_2}}} = \Delta T$
Then,
${W_{{T_1}}} + {W_{{T_2}}} = 0$
Further, we get
$F \times AC + {F_H} \times AB = 0$
Now,
The force on the body is$T$.
Then, we get
${F_H} = - F\left( {\dfrac{{AC}}{{AB}}} \right)$
Further, we get
${F_H} = \left( { - Mg} \right)\left( {\dfrac{{ - h}}{{AB}}} \right)$
Then, we get
${F_H} = \left( { - Mg} \right)\left( { - \tan {{60}^o}} \right)$
Then, we get
${F_H} = Mg\sqrt 3 $
Hence, The correct option is (B).
Note We calculated the answer using the work energy theorem. This is because, for the moving body, we can relate the work done and the energy of the body to a great precision.
Formulae Used:
$W = \Delta T$
Where,$W$ is the work done by the body and$\Delta {\rm T}$ is the change in kinetic energy.
Complete step by step solution

Here,
The total work done is$W = {W_{{T_1}}} + {W_{{T_2}}}$
Where,$W$ is the net work done,${W_{{T_1}}}$ is the work done by the tension${T_1}$ and${W_{{T_2}}}$ is the work done by the tension${T_2}$.
Now,
As the string is the same, then the tension will remain constant.
Thus,
${T_1} = {T_2} = T$
Now,
As per the diagram,
$T = Mg$
Also,
As the horizontal force acting on the body is constant and thus the velocity of the body remains constant and thus, the change in the kinetic energy of the body is$0$.
Thus,
${W_{{T_1}}} + {W_{{T_2}}} = \Delta T$
Then,
${W_{{T_1}}} + {W_{{T_2}}} = 0$
Further, we get
$F \times AC + {F_H} \times AB = 0$
Now,
The force on the body is$T$.
Then, we get
${F_H} = - F\left( {\dfrac{{AC}}{{AB}}} \right)$
Further, we get
${F_H} = \left( { - Mg} \right)\left( {\dfrac{{ - h}}{{AB}}} \right)$
Then, we get
${F_H} = \left( { - Mg} \right)\left( { - \tan {{60}^o}} \right)$
Then, we get
${F_H} = Mg\sqrt 3 $
Hence, The correct option is (B).
Note We calculated the answer using the work energy theorem. This is because, for the moving body, we can relate the work done and the energy of the body to a great precision.
Recently Updated Pages
Two discs which are rotating about their respective class 11 physics JEE_Main

A ladder rests against a frictionless vertical wall class 11 physics JEE_Main

Two simple pendulums of lengths 1 m and 16 m respectively class 11 physics JEE_Main

The slopes of isothermal and adiabatic curves are related class 11 physics JEE_Main

A trolly falling freely on an inclined plane as shown class 11 physics JEE_Main

The masses M1 and M2M2 M1 are released from rest Using class 11 physics JEE_Main

Trending doubts
JEE Main 2026: Application Form Open, Exam Dates, Syllabus, Eligibility & Question Papers

Derivation of Equation of Trajectory Explained for Students

Hybridisation in Chemistry – Concept, Types & Applications

Understanding the Angle of Deviation in a Prism

Understanding Collisions: Types and Examples for Students

Understanding Atomic Structure for Beginners

Other Pages
JEE Advanced Marks vs Ranks 2025: Understanding Category-wise Qualifying Marks and Previous Year Cut-offs

Units And Measurements Class 11 Physics Chapter 1 CBSE Notes - 2025-26

NCERT Solutions For Class 11 Physics Chapter 8 Mechanical Properties Of Solids

Motion in a Straight Line Class 11 Physics Chapter 2 CBSE Notes - 2025-26

NCERT Solutions for Class 11 Physics Chapter 7 Gravitation 2025-26

How to Convert a Galvanometer into an Ammeter or Voltmeter

