
A galvanometer of resistance $25\Omega $ is connected to a battery of $2V$ along with a resistance in series. When the value of this resistance is $3000\Omega $ a full- scale deflection $30units$ is obtained in the galvanometer. To reduce this deflection to $20units$, the resistance in series will be:
(A) $1991.66\Omega $
(B) $5413\Omega $
(C) $2000\Omega $
(D) $6000\Omega $
Answer
244.2k+ views
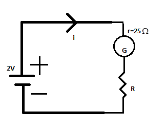
Hint From the diagram, we can see that the battery, the galvanometer, and the resistance are in series with each other. The internal resistance of the galvanometer, $r$ is $25\Omega $. The initial resistance in series is $3000\Omega $. Thus we apply Kirchhoff’s Voltage Law in the above circuit to get the current flowing through the circuit. Next, we insert a new resistance $x$ in series with the previous resistance to get the new current flow.

Complete Step by step solution Applying Kirchhoff’s Voltage Law in the above circuit, we get
$2V = iR + ir$ .
The values of $R = 3000\Omega $, and $r = 25\Omega $ are given.
Substituting these values in the given equation, we get
$ \Rightarrow 2V = i(3000\Omega + 25\Omega )$
$ \Rightarrow i = \dfrac{2}{{3025}}A$
This value is described as $30units$ when the deflection of the galvanometer is at full scale.
Thus if $i = \dfrac{2}{{3025}}A = 30 units$ then
$1unit$ is $\dfrac{2}{{3025 \times 30}}A$.
Similarly, deflection $20units$ is equal to $\dfrac{{2 \times 20}}{{3025 \times 30}}A$current flow through the circuit which is the new current $I$ .
Thus keeping the numerator same, the denominator turns out to be
$\dfrac{2}{{3025 \times 1.5}}A = \dfrac{{2V}}{{4537.5\Omega }}$
; i.e. the denominator turns out to be $(4512.5 + 25)\Omega $.
We now get the required net resistance of the new circuit to be $4537.5\Omega $, which is including the internal resistance of the galvanometer.
This is because we can compare this equation with the K.V.L. equation of the new circuit, where $2V = I(r + R) = \dfrac{{2 \times 20}}{{3025 \times 30}}(25\Omega + R)$.
On further simplifying we get,
$ \Rightarrow 2 \times \dfrac{{3025 \times 30}}{{2 \times 20}} = 25 + R$
$ \therefore R + 25\Omega = (4512.5 + 25)\Omega $
Thus we get the required value of the new resistance $R$ as $4512.5\Omega $.
Therefore the correct option is not present in the given question.
Note A galvanometer measures the amount of current flowing through a given circuit. Here the galvanometer resistance is constant since we use the same galvanometer for both the readings. The value of the resistance $R$ changes as we wish to decrease the value of current passing through the galvanometer.

Complete Step by step solution Applying Kirchhoff’s Voltage Law in the above circuit, we get
$2V = iR + ir$ .
The values of $R = 3000\Omega $, and $r = 25\Omega $ are given.
Substituting these values in the given equation, we get
$ \Rightarrow 2V = i(3000\Omega + 25\Omega )$
$ \Rightarrow i = \dfrac{2}{{3025}}A$
This value is described as $30units$ when the deflection of the galvanometer is at full scale.
Thus if $i = \dfrac{2}{{3025}}A = 30 units$ then
$1unit$ is $\dfrac{2}{{3025 \times 30}}A$.
Similarly, deflection $20units$ is equal to $\dfrac{{2 \times 20}}{{3025 \times 30}}A$current flow through the circuit which is the new current $I$ .
Thus keeping the numerator same, the denominator turns out to be
$\dfrac{2}{{3025 \times 1.5}}A = \dfrac{{2V}}{{4537.5\Omega }}$
; i.e. the denominator turns out to be $(4512.5 + 25)\Omega $.
We now get the required net resistance of the new circuit to be $4537.5\Omega $, which is including the internal resistance of the galvanometer.
This is because we can compare this equation with the K.V.L. equation of the new circuit, where $2V = I(r + R) = \dfrac{{2 \times 20}}{{3025 \times 30}}(25\Omega + R)$.
On further simplifying we get,
$ \Rightarrow 2 \times \dfrac{{3025 \times 30}}{{2 \times 20}} = 25 + R$
$ \therefore R + 25\Omega = (4512.5 + 25)\Omega $
Thus we get the required value of the new resistance $R$ as $4512.5\Omega $.
Therefore the correct option is not present in the given question.
Note A galvanometer measures the amount of current flowing through a given circuit. Here the galvanometer resistance is constant since we use the same galvanometer for both the readings. The value of the resistance $R$ changes as we wish to decrease the value of current passing through the galvanometer.
Recently Updated Pages
JEE Main 2026 Session 2 City Intimation Slip & Exam Date: Expected Date, Download Link

JEE Main 2026 Session 2 Application Form: Reopened Registration, Dates & Fees

JEE Main 2026 Session 2 Registration (Reopened): Last Date, Fees, Link & Process

WBJEE 2026 Registration Started: Important Dates Eligibility Syllabus Exam Pattern

JEE Main 2025-26 Mock Tests: Free Practice Papers & Solutions

JEE Main 2025-26 Experimental Skills Mock Test – Free Practice

Trending doubts
JEE Main 2026: Exam Dates, Session 2 Updates, City Slip, Admit Card & Latest News

Ideal and Non-Ideal Solutions Explained for Class 12 Chemistry

Understanding the Angle of Deviation in a Prism

Understanding Differential Equations: A Complete Guide

Hybridisation in Chemistry – Concept, Types & Applications

Understanding the Electric Field of a Uniformly Charged Ring

Other Pages
CBSE Class 12 Physics Question Paper 2026: Download SET-wise PDF with Answer Key & Analysis

JEE Advanced Marks vs Ranks 2025: Understanding Category-wise Qualifying Marks and Previous Year Cut-offs

JEE Advanced 2026 - Exam Date (Released), Syllabus, Registration, Eligibility, Preparation, and More

Dual Nature of Radiation and Matter Class 12 Physics Chapter 11 CBSE Notes - 2025-26

JEE Advanced Weightage 2025 Chapter-Wise for Physics, Maths and Chemistry

Understanding the Block and Tackle System

