
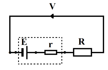
To verify Ohm's law, a student connects the voltmeter across the battery as shown in the figure. The measured voltage is plotted as a function of the current, and the following graph is obtained:
If ${{V}_{o}}$ is almost zero, identify the correct statement:
A. The value of resistance $R$ is $1.5\Omega $
B. The emf of the battery is $1.5V$ and the value of $R$ is $1.5\Omega $
C. The emf of the battery is $1.5V$ and its internal resistance is $1.5\Omega $
D. The potential difference across the battery is $1.5V$ when it sends a current of $1000mA$
Answer
582.3k+ views
Hint: The battery is the source of energy in the circuit and the energy provided per unit charge passing through the battery is equal to the total work done across the components in the circuit. We will calculate the potential difference across the internal resistance and the load resistance and determine the emf in the circuit.
Complete answer:
Suppose that a battery of emf $E$ and internal resistance $r$ supplies a current $I$through an external load resistance $R$.
The potential difference across the load resistance is,
${{V}_{l\text{oad}}}=IR$
Similarly, with the help of Ohm’s law, the potential difference across the internal resistance is,
${{V}_{\text{internal resistance}}}=Ir$
The potential difference $V$ of the battery is related to the emf $E$ of the battery is,
$E=V+Ir$
Or,
$V=E=Ir$
The battery is the source of energy in the circuit and the energy provided per unit charge (emf) passing through the battery is equal to the total work done (potential difference) across the components in the circuit.
Voltage difference in the circuit is given as,
$V=E-Ir$
Where,
$E$ is the emf of the battery
$I$ is the current in the circuit
$r$ is the resistance
When the voltmeter reading is zero,
$E-Ir=0$
Or,
$\begin{align}
& E-\left( \dfrac{E}{R+r} \right)r=0 \\
& \implies I-\dfrac{r}{R+r}=0 \\
& \implies R+r-r=0 \\
& \implies R=0 \\
\end{align}$
When the voltmeter reading is zero, the load resistance is also zero
And,
Equivalent resistance of the circuit is given as,
${{R}_{eq}}=r$
(Let’s say equation 1)
That is,
Equivalent resistance of the circuit is equal to the internal resistance of the battery when voltmeter reading in the circuit is zero.
Current in the circuit is given as,
$I=\dfrac{E}{R+r}$
But, $R=0$
Therefore,
$I=\dfrac{E}{r}$
When $V={{V}_{o}}=0$
We get,
$\begin{align}
& E-Ir=0 \\
& \implies E=Ir \\
\end{align}$
Given that,
$I=1000mA=1A$
Therefore,
$E=r$
(Let’s say equation 2)
When $I=0$
We get,
$\begin{align}
& V=E \\
& \implies V=E=1.5V \\
\end{align}$
From equation 2, we have,
$E=r$
Therefore,
$r=1.5\Omega $
The emf of the battery is $1.5V$ and its internal resistance is $1.5\Omega $
So, the correct answer is “Option C”.
Note:
If we connect a wire with no resistance in the circuit to join the terminals of the battery, the circuit is complete, meaning that current will flow and adding resistance to the circuit will decrease the current. The current without any external or load resistance in the circuit is ${{I}_{c}}$. At a current of ${{I}_{c}}$, $V=0$ because there is no load in the circuit.
The equation becomes,
$\begin{align}
& 0=E-{{I}_{c}}r \\
& {{I}_{c}}r=E \\
& {{I}_{c}}=\dfrac{E}{r} \\
\end{align}$
The maximum current that can be drawn from the battery of emf $E$ and internal resistance $r$ is always less than $\dfrac{E}{r}$.
Complete answer:
Suppose that a battery of emf $E$ and internal resistance $r$ supplies a current $I$through an external load resistance $R$.
The potential difference across the load resistance is,
${{V}_{l\text{oad}}}=IR$
Similarly, with the help of Ohm’s law, the potential difference across the internal resistance is,
${{V}_{\text{internal resistance}}}=Ir$
The potential difference $V$ of the battery is related to the emf $E$ of the battery is,
$E=V+Ir$
Or,
$V=E=Ir$
The battery is the source of energy in the circuit and the energy provided per unit charge (emf) passing through the battery is equal to the total work done (potential difference) across the components in the circuit.
Voltage difference in the circuit is given as,
$V=E-Ir$
Where,
$E$ is the emf of the battery
$I$ is the current in the circuit
$r$ is the resistance
When the voltmeter reading is zero,
$E-Ir=0$
Or,
$\begin{align}
& E-\left( \dfrac{E}{R+r} \right)r=0 \\
& \implies I-\dfrac{r}{R+r}=0 \\
& \implies R+r-r=0 \\
& \implies R=0 \\
\end{align}$
When the voltmeter reading is zero, the load resistance is also zero
And,
Equivalent resistance of the circuit is given as,
${{R}_{eq}}=r$
(Let’s say equation 1)
That is,
Equivalent resistance of the circuit is equal to the internal resistance of the battery when voltmeter reading in the circuit is zero.
Current in the circuit is given as,
$I=\dfrac{E}{R+r}$
But, $R=0$
Therefore,
$I=\dfrac{E}{r}$
When $V={{V}_{o}}=0$
We get,
$\begin{align}
& E-Ir=0 \\
& \implies E=Ir \\
\end{align}$
Given that,
$I=1000mA=1A$
Therefore,
$E=r$
(Let’s say equation 2)
When $I=0$
We get,
$\begin{align}
& V=E \\
& \implies V=E=1.5V \\
\end{align}$
From equation 2, we have,
$E=r$
Therefore,
$r=1.5\Omega $
The emf of the battery is $1.5V$ and its internal resistance is $1.5\Omega $
So, the correct answer is “Option C”.
Note:
If we connect a wire with no resistance in the circuit to join the terminals of the battery, the circuit is complete, meaning that current will flow and adding resistance to the circuit will decrease the current. The current without any external or load resistance in the circuit is ${{I}_{c}}$. At a current of ${{I}_{c}}$, $V=0$ because there is no load in the circuit.
The equation becomes,
$\begin{align}
& 0=E-{{I}_{c}}r \\
& {{I}_{c}}r=E \\
& {{I}_{c}}=\dfrac{E}{r} \\
\end{align}$
The maximum current that can be drawn from the battery of emf $E$ and internal resistance $r$ is always less than $\dfrac{E}{r}$.
Recently Updated Pages
The number of solutions in x in 02pi for which sqrt class 12 maths CBSE

Write any two methods of preparation of phenol Give class 12 chemistry CBSE

Differentiate between action potential and resting class 12 biology CBSE

Two plane mirrors arranged at right angles to each class 12 physics CBSE

Which of the following molecules is are chiral A I class 12 chemistry CBSE

Name different types of neurons and give one function class 12 biology CBSE

Trending doubts
Which are the Top 10 Largest Countries of the World?

What are the major means of transport Explain each class 12 social science CBSE

Draw a labelled sketch of the human eye class 12 physics CBSE

Differentiate between insitu conservation and exsitu class 12 biology CBSE

The computer jargonwwww stands for Aworld wide web class 12 physics CBSE

State the principle of an ac generator and explain class 12 physics CBSE

