
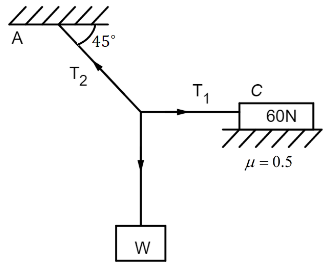
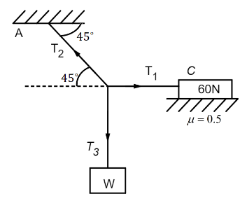
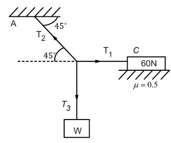
In the figure, a block of weight $60\,N$ is placed on a rough surface. The coefficient of friction between the block and the surface if $0.5$. What should be the weight $W$ such that the block does not slip on the surface.
Answer
503.7k+ views
Hint: Any block placed on a rough surface (having some coefficient of friction) moves when the force applied on it is greater than limiting static friction (or limiting friction) whose value is equals to the normal force times the coefficient of friction.
Formula used:
The mathematical expression for static friction is given by,
\[f\, = \,\mu N\]
where $f$ is the frictional force and $N$ is the normal force.
Complete step by step answer:
Let’s analyse the blocks first
Block C: Forces acting on Block C are:
-Normal reaction force from surface on which it is kept (N)
-Tension force (${T_1}$)
-Its weight (60N)
-Static frictional force (f)
As block C is in equilibrium
\[\therefore \,\,\sum {{F_x}\, = \,0\,} \]
\[ \Rightarrow \,f - \,{T_{1\,}}\, = \,0\]
Hence \[f = \,\,{T_{1\,}}\] ……………..…………………\[(i)\]
also \[\sum {{F_y}\, = \,0\,} \]
\[ \Rightarrow \,\,N\, - \,\,60\, = \,0\] or \[N\, = \,\,60\] …………..\[(ii)\]
The frictional force on block C:
\[f\, = \,\mu N\, = \,0.5 \times \,60\, = \,30N\]………\[(iii)\] [using \[(ii)\]]
Using equation \[(i)\] and \[(iii)\] we get \[{T_1}\,\, = \,\,30N\]………….\[(iv)\]
Block B: Forces acting on Block B are:
Tension force (${T_3}$)
Its weight (W). As block B is in equilibrium
\[\therefore \,\sum {{F_y}\, = \,0\,} \] \[ \Rightarrow \,\,{T_{3\,}}\, - \,\,W\, = \,0\]
Hence, \[{T_{3\,}}\, = \,\,W\] ………………………………..\[(v)\]
As the junction P is in equilibrium so at point P
\[\sum {{F_x}\, = \,0\,} \]
\[\therefore \,\,{T_1}\, = \,{T_2} \times \dfrac{1}{{\sqrt 2 }}\]……………..\[(vi)\]
\[\sum {{F_y}\, = \,0\,} \]
\[\therefore \,{T_3}\, = \,\,{T_2}\, \times \dfrac{1}{{\sqrt 2 }}\]…………….\[(vii)\]
Now using equation \[(vi)\]and\[(iv)\]we get
\[{T_1}\, = \,{T_2} \times \dfrac{1}{{\sqrt 2 }}\]
\[ \Rightarrow \,{T_2} = \,\sqrt 2 {T_1}\,\]
\[\therefore \,\,{T_2}\,\, = \,30\sqrt 2 \,N\]……………\[(viii)\]
Finally, using equation \[(v)\],\[(vii)\] and \[(viii)\]
\[{T_3}\, = \,\,30\sqrt 2 \, \times \dfrac{1}{{\sqrt 2 }}\, = \,30N\] and \[{T_{3\,}}\, = \,\,W\]
Hence \[W\,\, = \,\,30\,Newtons\].
Note: If a block is at rest and keeps on resting on applying force then applied force is equal to the frictional force on the block as net force on the block = 0 in the condition of equilibrium. A body remains at rest if no external force is applied to it.
Formula used:
The mathematical expression for static friction is given by,
\[f\, = \,\mu N\]
where $f$ is the frictional force and $N$ is the normal force.
Complete step by step answer:
Let’s analyse the blocks first
Block C: Forces acting on Block C are:
-Normal reaction force from surface on which it is kept (N)
-Tension force (${T_1}$)
-Its weight (60N)
-Static frictional force (f)
As block C is in equilibrium
\[\therefore \,\,\sum {{F_x}\, = \,0\,} \]
\[ \Rightarrow \,f - \,{T_{1\,}}\, = \,0\]
Hence \[f = \,\,{T_{1\,}}\] ……………..…………………\[(i)\]
also \[\sum {{F_y}\, = \,0\,} \]
\[ \Rightarrow \,\,N\, - \,\,60\, = \,0\] or \[N\, = \,\,60\] …………..\[(ii)\]
The frictional force on block C:
\[f\, = \,\mu N\, = \,0.5 \times \,60\, = \,30N\]………\[(iii)\] [using \[(ii)\]]
Using equation \[(i)\] and \[(iii)\] we get \[{T_1}\,\, = \,\,30N\]………….\[(iv)\]
Block B: Forces acting on Block B are:
Tension force (${T_3}$)
Its weight (W). As block B is in equilibrium
\[\therefore \,\sum {{F_y}\, = \,0\,} \] \[ \Rightarrow \,\,{T_{3\,}}\, - \,\,W\, = \,0\]
Hence, \[{T_{3\,}}\, = \,\,W\] ………………………………..\[(v)\]
As the junction P is in equilibrium so at point P
\[\sum {{F_x}\, = \,0\,} \]
\[\therefore \,\,{T_1}\, = \,{T_2} \times \dfrac{1}{{\sqrt 2 }}\]……………..\[(vi)\]
\[\sum {{F_y}\, = \,0\,} \]
\[\therefore \,{T_3}\, = \,\,{T_2}\, \times \dfrac{1}{{\sqrt 2 }}\]…………….\[(vii)\]
Now using equation \[(vi)\]and\[(iv)\]we get
\[{T_1}\, = \,{T_2} \times \dfrac{1}{{\sqrt 2 }}\]
\[ \Rightarrow \,{T_2} = \,\sqrt 2 {T_1}\,\]
\[\therefore \,\,{T_2}\,\, = \,30\sqrt 2 \,N\]……………\[(viii)\]
Finally, using equation \[(v)\],\[(vii)\] and \[(viii)\]
\[{T_3}\, = \,\,30\sqrt 2 \, \times \dfrac{1}{{\sqrt 2 }}\, = \,30N\] and \[{T_{3\,}}\, = \,\,W\]
Hence \[W\,\, = \,\,30\,Newtons\].
Note: If a block is at rest and keeps on resting on applying force then applied force is equal to the frictional force on the block as net force on the block = 0 in the condition of equilibrium. A body remains at rest if no external force is applied to it.
Recently Updated Pages
Why are manures considered better than fertilizers class 11 biology CBSE

Find the coordinates of the midpoint of the line segment class 11 maths CBSE

Distinguish between static friction limiting friction class 11 physics CBSE

The Chairman of the constituent Assembly was A Jawaharlal class 11 social science CBSE

The first National Commission on Labour NCL submitted class 11 social science CBSE

Number of all subshell of n + l 7 is A 4 B 5 C 6 D class 11 chemistry CBSE

Trending doubts
What is meant by exothermic and endothermic reactions class 11 chemistry CBSE

10 examples of friction in our daily life

One Metric ton is equal to kg A 10000 B 1000 C 100 class 11 physics CBSE

1 Quintal is equal to a 110 kg b 10 kg c 100kg d 1000 class 11 physics CBSE

Difference Between Prokaryotic Cells and Eukaryotic Cells

What are Quantum numbers Explain the quantum number class 11 chemistry CBSE

