
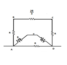
In a network shown, each resistance is equal to \[R\]. The equivalent resistance between adjacent corners A and D is:
A. \[R\]
B. \[\dfrac{2}{3}R\]
C. \[\dfrac{3}{7}R\]
D. \[\dfrac{8}{15}R\]
Answer
558k+ views
Hint: First redraw the resistor network to identify the interfaces and connection properly. Then, find out the equivalent resistance of resistors connected in series and resistors connected in parallel at different interfaces. Then find the equivalent resistance of the network between the adjacent corners A and D.
Formula used:
\[\text{Equivalent resistance of series combination, R =}{{\text{R}}_{1}}+{{R}_{2}}+{{R}_{3}}....+{{R}_{n-1}}+{{R}_{n}}=\sum\limits_{i=1}^{N}{{{R}_{i}}}\]
\[\text{Equivalent resistance of parallel combination,R=}{{\left( \dfrac{1}{{{R}_{1}}}+\dfrac{1}{{{R}_{2}}}+\dfrac{1}{{{R}_{3}}}....+\dfrac{1}{{{R}_{n-1}}}+\dfrac{1}{{{R}_{n}}}=\dfrac{1}{\sum\limits_{i=1}^{N}{{{R}_{i}}}} \right)}^{-1}}\]
Complete answer:
Let’s redraw the circuit.
Now find the equivalent resistance across BC.
Here two resistors are connected in series and one resistor is connected in parallel. Two resistors in series have total resistance \[=R+R=2R\].
Then, \[Equivalent\text{ }resistance\text{ }across\text{ }BC={{\left[ \dfrac{1}{2R}+\dfrac{1}{R} \right]}^{-1}}=\dfrac{2R}{3}\]
Now find resistance along ABCD.
Here all three resistors are connected in series. Then,
\[Equivalent\text{ }resistance\text{ }along\text{ ABCD}=\dfrac{2R}{3}+R+R=\dfrac{8R}{3}\]
Now find resistance across AD.
Here two series connected resistors of equivalent resistance \[2R\], are connected in parallel with another two resistors of resistance \[R\] and \[\dfrac{8R}{3}\].
Then,
\[Equivalent\text{ }resistance\text{ }across\text{ AD},{{R}_{AD}}={{\left[ \dfrac{3}{2R}+\dfrac{3}{8R} \right]}^{-1}}=\dfrac{16R}{30}=\dfrac{8R}{15}\]
\[Equivalent\text{ }resistance\text{ }acorss\text{ AD}=\dfrac{8R}{15}\]
So, the correct answer is “Option D”.
Note:
Strategy to simplify a complicated circuit with resistors in series and parallel is, to begin from a point which is away from the component of interest. Then, replace all the series or parallel resistors with their equivalent resistor. Continue simplifying until a single equivalent resistor represents the entire resistor network.
Formula used:
\[\text{Equivalent resistance of series combination, R =}{{\text{R}}_{1}}+{{R}_{2}}+{{R}_{3}}....+{{R}_{n-1}}+{{R}_{n}}=\sum\limits_{i=1}^{N}{{{R}_{i}}}\]
\[\text{Equivalent resistance of parallel combination,R=}{{\left( \dfrac{1}{{{R}_{1}}}+\dfrac{1}{{{R}_{2}}}+\dfrac{1}{{{R}_{3}}}....+\dfrac{1}{{{R}_{n-1}}}+\dfrac{1}{{{R}_{n}}}=\dfrac{1}{\sum\limits_{i=1}^{N}{{{R}_{i}}}} \right)}^{-1}}\]
Complete answer:
Let’s redraw the circuit.
Now find the equivalent resistance across BC.
Here two resistors are connected in series and one resistor is connected in parallel. Two resistors in series have total resistance \[=R+R=2R\].
Then, \[Equivalent\text{ }resistance\text{ }across\text{ }BC={{\left[ \dfrac{1}{2R}+\dfrac{1}{R} \right]}^{-1}}=\dfrac{2R}{3}\]
Now find resistance along ABCD.
Here all three resistors are connected in series. Then,
\[Equivalent\text{ }resistance\text{ }along\text{ ABCD}=\dfrac{2R}{3}+R+R=\dfrac{8R}{3}\]
Now find resistance across AD.
Here two series connected resistors of equivalent resistance \[2R\], are connected in parallel with another two resistors of resistance \[R\] and \[\dfrac{8R}{3}\].
Then,
\[Equivalent\text{ }resistance\text{ }across\text{ AD},{{R}_{AD}}={{\left[ \dfrac{3}{2R}+\dfrac{3}{8R} \right]}^{-1}}=\dfrac{16R}{30}=\dfrac{8R}{15}\]
\[Equivalent\text{ }resistance\text{ }acorss\text{ AD}=\dfrac{8R}{15}\]
So, the correct answer is “Option D”.
Note:
Strategy to simplify a complicated circuit with resistors in series and parallel is, to begin from a point which is away from the component of interest. Then, replace all the series or parallel resistors with their equivalent resistor. Continue simplifying until a single equivalent resistor represents the entire resistor network.
Recently Updated Pages
A man running at a speed 5 ms is viewed in the side class 12 physics CBSE

The number of solutions in x in 02pi for which sqrt class 12 maths CBSE

State and explain Hardy Weinbergs Principle class 12 biology CBSE

Write any two methods of preparation of phenol Give class 12 chemistry CBSE

Which of the following statements is wrong a Amnion class 12 biology CBSE

Differentiate between action potential and resting class 12 biology CBSE

Trending doubts
What are the major means of transport Explain each class 12 social science CBSE

Which are the Top 10 Largest Countries of the World?

Draw a labelled sketch of the human eye class 12 physics CBSE

How much time does it take to bleed after eating p class 12 biology CBSE

Explain sex determination in humans with line diag class 12 biology CBSE

Explain sex determination in humans with the help of class 12 biology CBSE

