
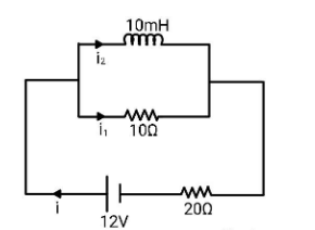
For the circuit shown, what is the current (in mA) in the ideal inductor when the current in the battery is $0.50A$ in the direction shown.
Answer
543k+ views
Hint:Here, you are given a circuit and the components of the circuit are 2 resistors, one inductor and a battery as a source of voltage. You are asked to find the current in the inductor when the current in the battery is $0.50A$. What you need to do here is, consider the circuit as a combination of two circuits. One circuit will have branches containing resistors and the other circuit will have branches containing the inductor. Derive the equational form of current and accordingly find the value of the current in the inductor when the current from battery is $0.50A$. Use Kirchhoff’s loop law.
Complete step by step answer:
Let us write the equations by applying the Kirchhoff’s loop law. First consider the loop containing the battery, $20\Omega $ resistor and the $10\Omega $ resistor. The equation will be given by
$ - \left( i \right)\left( {20} \right) + 12 - \left( {{i_1}} \right)\left( {10} \right) = 0 \\
\Rightarrow 10i + 5{i_1} = 6 \\ $
Now, let us consider the loop containing the battery, $20\Omega $ resistor and the $10mH$ inductor. The corresponding equation will be given by
$ - \left( i \right)\left( {20} \right) + 12 - L\dfrac{{d{i_2}}}{{dt}} = 0 \\
\Rightarrow 20i + L\dfrac{{d{i_2}}}{{dt}} = 12...\left( 2 \right) \\ $
Let us write all the equations in terms of $i$ and ${i_2}$. We have $i = {i_1} + {i_2} \to {i_1} = i - {i_2}$, we will substitute this value in our equations.
$10i + 5\left( {i - {i_2}} \right) = 6 \\
\Rightarrow 15i - 5{i_2} = 6...\left( 1 \right) \\
\Rightarrow i = \dfrac{{6 + 5{i_2}}}{{15}} \\ $
Now, we also have $i = \dfrac{{6 + 5{i_2}}}{{15}} \to {i_2} = \dfrac{{15i - 6}}{5}$. Hence, we have ${i_2}$ in terms of $i$.So, when $i = 0.5A$, we have
${i_2} = \dfrac{{15\left( {0.5} \right) - 6}}{5} \\
\Rightarrow{i_2}= \dfrac{{7.5 - 6}}{5} \\
\Rightarrow{i_2}= \dfrac{{1.5}}{5} \\
\therefore{i_2}= 0.3A$.
Therefore, the current (in mA) in the ideal inductor when the current in the battery is $0.50A$ in the direction shown is $0.3A$.
Note: The current in the circuit will be time dependent because we have an inductor in the circuit. The current as a function of time can be derived by obtaining ${i_2}$ explicitly and then integrating the equation as per requirement. You should remember the potential difference that occurs across an inductor and also you should have a good idea of applying the Kirchhoff’s loop law perfectly.
Complete step by step answer:
Let us write the equations by applying the Kirchhoff’s loop law. First consider the loop containing the battery, $20\Omega $ resistor and the $10\Omega $ resistor. The equation will be given by
$ - \left( i \right)\left( {20} \right) + 12 - \left( {{i_1}} \right)\left( {10} \right) = 0 \\
\Rightarrow 10i + 5{i_1} = 6 \\ $
Now, let us consider the loop containing the battery, $20\Omega $ resistor and the $10mH$ inductor. The corresponding equation will be given by
$ - \left( i \right)\left( {20} \right) + 12 - L\dfrac{{d{i_2}}}{{dt}} = 0 \\
\Rightarrow 20i + L\dfrac{{d{i_2}}}{{dt}} = 12...\left( 2 \right) \\ $
Let us write all the equations in terms of $i$ and ${i_2}$. We have $i = {i_1} + {i_2} \to {i_1} = i - {i_2}$, we will substitute this value in our equations.
$10i + 5\left( {i - {i_2}} \right) = 6 \\
\Rightarrow 15i - 5{i_2} = 6...\left( 1 \right) \\
\Rightarrow i = \dfrac{{6 + 5{i_2}}}{{15}} \\ $
Now, we also have $i = \dfrac{{6 + 5{i_2}}}{{15}} \to {i_2} = \dfrac{{15i - 6}}{5}$. Hence, we have ${i_2}$ in terms of $i$.So, when $i = 0.5A$, we have
${i_2} = \dfrac{{15\left( {0.5} \right) - 6}}{5} \\
\Rightarrow{i_2}= \dfrac{{7.5 - 6}}{5} \\
\Rightarrow{i_2}= \dfrac{{1.5}}{5} \\
\therefore{i_2}= 0.3A$.
Therefore, the current (in mA) in the ideal inductor when the current in the battery is $0.50A$ in the direction shown is $0.3A$.
Note: The current in the circuit will be time dependent because we have an inductor in the circuit. The current as a function of time can be derived by obtaining ${i_2}$ explicitly and then integrating the equation as per requirement. You should remember the potential difference that occurs across an inductor and also you should have a good idea of applying the Kirchhoff’s loop law perfectly.
Recently Updated Pages
Which cell organelles are present in white blood C class 11 biology CBSE

What is the molecular geometry of BrF4 A square planar class 11 chemistry CBSE

How can you explain that CCl4 has no dipole moment class 11 chemistry CBSE

Which will undergo SN2 reaction fastest among the following class 11 chemistry CBSE

The values of mass m for which the 100 kg block does class 11 physics CBSE

Why are voluntary muscles called striated muscles class 11 biology CBSE

Trending doubts
Which are the Top 10 Largest Countries of the World?

What are the major means of transport Explain each class 12 social science CBSE

Draw a labelled sketch of the human eye class 12 physics CBSE

Draw the diagram showing the germination of pollen class 12 biology CBSE

Differentiate between insitu conservation and exsitu class 12 biology CBSE

The computer jargonwwww stands for Aworld wide web class 12 physics CBSE

