
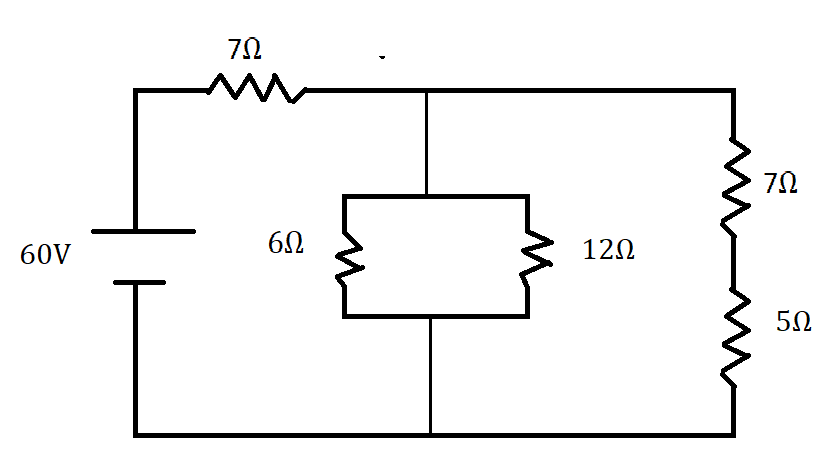
Find the equivalent resistance of the given circuit shown in the figure:
A. $20\Omega $
B. $5\Omega $
C. $8\Omega $
D. $10\Omega $
Answer
577.5k+ views
Hint: As we all know that the equivalent resistance is the net resistance when all resistors are replaced by a single resistor, in such a way that you get the same final current as you were getting in the original circuit under the same applied voltage.
Complete step by step answer:
As we all know that when the resistors are connected in series, then the equivalent resistance becomes the addition of the two resistances simply.
${R_s} = {R_1} + {R_2}$…… (I)
We can see that here ${R_1}$ and ${R_2}$ are the two resistances connected in series.
But when the resistors are connected in parallel, then the equivalent resistance is given by
${R_p} = \dfrac{{{R_3}{R_4}}}{{{R_3} + {R_4}}}$…… (II)
We can say that here ${R_3}$ and ${R_3}$ are the two resistances connected in parallel.
Here we can see that the $6\Omega $ and $12\Omega $ resistors are connected in parallel so we will use equation (II) to find their net resistance.
We will substitute ${R_3} = 6\Omega $ and ${R_4} = 12\Omega $ in equation (II) to find the net equivalent resistance among the both resistances. Let their equivalent resistance is ${R_p} = {R_5}$.
$
\Rightarrow {R_5} = \dfrac{{12\Omega \times 6\Omega }}{{12\Omega + 6\Omega }} \\
\Rightarrow {R_5} = \dfrac{{72}}{{18}}\Omega \\
\Rightarrow {R_5} = 4\Omega \\
$
We can see that one $7\Omega $ and one $5\Omega $ resistor are connected in series. Therefore, we will use equation(I) to find their equivalent resistance. We will substitute ${R_6} = 7\Omega $ and ${R_7} = 15\Omega $ to find the net equivalent resistance among the both resistances. Let their equivalent resistance is ${R_s} = {R_8}$.
$
{R_8} = {R_7} + {R_6} \\
\Rightarrow {R_8} = 7\Omega + 5\Omega \\
\Rightarrow {R_8} = 12\Omega \\
$
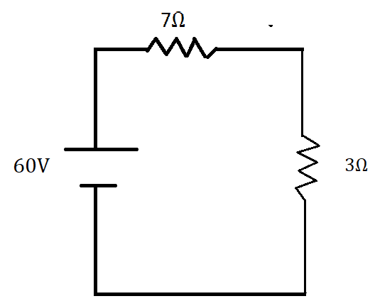
We can now reduce the diagram to:
We can now see that similarly $12\Omega $ and $4\Omega $ resistors are now connected in parallel. Now we can use equation (II) to find their equivalent resistance in parallel. Let their equivalent resistance is ${R_9}$ and ${R_8} = 12\Omega $ and ${R_5} = 4\Omega $, we will get,
$
{R_9} = \dfrac{{{R_8} \times {R_5}}}{{{R_8} + {R_5}}} \\
\Rightarrow {R_9} = \dfrac{{12\Omega \times 4\Omega }}{{12\Omega + 4\Omega }} \\
\Rightarrow {R_9} = \dfrac{{48}}{{16}}\Omega \\
\Rightarrow {R_9} = 3\,\Omega \\
$
As we can see that, $7\Omega $ and $3\Omega $ resistors are in series, therefore we can use equation(I) to find their equivalent resistance. We will substitute ${R_{10}} = 7\Omega $ and ${R_9} = 3\Omega $ to find the net equivalent resistance ${R_{11}}$ in series among the both resistances.
$
\Rightarrow {R_{11}} = 7\Omega + 3\Omega \\
\Rightarrow {R_{11}} = 10\Omega \\
$
$\therefore$ The equivalent resistance of the given circuit is $10 \Omega$. Hence, option (D) is correct.
Note:
When the resistances are connected in parallel, the same full voltage source is applied to all of them individually. And in this case, the individual currents are less than the total current flowing in the circuit whereas in the case of series resistors, each resistor has the same current flowing through it which is equal to the total current flowing in the circuit, and the voltage across each resistor is different.
Complete step by step answer:
As we all know that when the resistors are connected in series, then the equivalent resistance becomes the addition of the two resistances simply.
${R_s} = {R_1} + {R_2}$…… (I)
We can see that here ${R_1}$ and ${R_2}$ are the two resistances connected in series.
But when the resistors are connected in parallel, then the equivalent resistance is given by
${R_p} = \dfrac{{{R_3}{R_4}}}{{{R_3} + {R_4}}}$…… (II)
We can say that here ${R_3}$ and ${R_3}$ are the two resistances connected in parallel.
Here we can see that the $6\Omega $ and $12\Omega $ resistors are connected in parallel so we will use equation (II) to find their net resistance.
We will substitute ${R_3} = 6\Omega $ and ${R_4} = 12\Omega $ in equation (II) to find the net equivalent resistance among the both resistances. Let their equivalent resistance is ${R_p} = {R_5}$.
$
\Rightarrow {R_5} = \dfrac{{12\Omega \times 6\Omega }}{{12\Omega + 6\Omega }} \\
\Rightarrow {R_5} = \dfrac{{72}}{{18}}\Omega \\
\Rightarrow {R_5} = 4\Omega \\
$
We can see that one $7\Omega $ and one $5\Omega $ resistor are connected in series. Therefore, we will use equation(I) to find their equivalent resistance. We will substitute ${R_6} = 7\Omega $ and ${R_7} = 15\Omega $ to find the net equivalent resistance among the both resistances. Let their equivalent resistance is ${R_s} = {R_8}$.
$
{R_8} = {R_7} + {R_6} \\
\Rightarrow {R_8} = 7\Omega + 5\Omega \\
\Rightarrow {R_8} = 12\Omega \\
$
We can now reduce the diagram to:
We can now see that similarly $12\Omega $ and $4\Omega $ resistors are now connected in parallel. Now we can use equation (II) to find their equivalent resistance in parallel. Let their equivalent resistance is ${R_9}$ and ${R_8} = 12\Omega $ and ${R_5} = 4\Omega $, we will get,
$
{R_9} = \dfrac{{{R_8} \times {R_5}}}{{{R_8} + {R_5}}} \\
\Rightarrow {R_9} = \dfrac{{12\Omega \times 4\Omega }}{{12\Omega + 4\Omega }} \\
\Rightarrow {R_9} = \dfrac{{48}}{{16}}\Omega \\
\Rightarrow {R_9} = 3\,\Omega \\
$
As we can see that, $7\Omega $ and $3\Omega $ resistors are in series, therefore we can use equation(I) to find their equivalent resistance. We will substitute ${R_{10}} = 7\Omega $ and ${R_9} = 3\Omega $ to find the net equivalent resistance ${R_{11}}$ in series among the both resistances.
$
\Rightarrow {R_{11}} = 7\Omega + 3\Omega \\
\Rightarrow {R_{11}} = 10\Omega \\
$
$\therefore$ The equivalent resistance of the given circuit is $10 \Omega$. Hence, option (D) is correct.
Note:
When the resistances are connected in parallel, the same full voltage source is applied to all of them individually. And in this case, the individual currents are less than the total current flowing in the circuit whereas in the case of series resistors, each resistor has the same current flowing through it which is equal to the total current flowing in the circuit, and the voltage across each resistor is different.
Recently Updated Pages
A man running at a speed 5 ms is viewed in the side class 12 physics CBSE

The number of solutions in x in 02pi for which sqrt class 12 maths CBSE

State and explain Hardy Weinbergs Principle class 12 biology CBSE

Write any two methods of preparation of phenol Give class 12 chemistry CBSE

Which of the following statements is wrong a Amnion class 12 biology CBSE

Differentiate between action potential and resting class 12 biology CBSE

Trending doubts
What are the major means of transport Explain each class 12 social science CBSE

Which are the Top 10 Largest Countries of the World?

Draw a labelled sketch of the human eye class 12 physics CBSE

How much time does it take to bleed after eating p class 12 biology CBSE

Explain sex determination in humans with line diag class 12 biology CBSE

Explain sex determination in humans with the help of class 12 biology CBSE

