
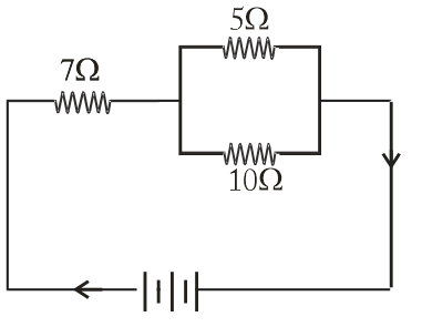
Calculate total resistance, total current and potential difference across $7\Omega $ resistor.
Answer
564.9k+ views
Hint: In order to solve the above problem, first see which resistance is connected in series or parallel and put the values in following formulas we will get the total resistance of the circuit.
For series ${R_{eqn}} = {R_1} + {R_2} + {R_3} +.. ...$
For parallel $\dfrac{1}{{{R_{eqn}}}} = \dfrac{1}{{{R_1}}} + \dfrac{1}{{{R_2}}} + \dfrac{1}{{{R_3}}} +.. ...$
After then assume total potential difference is V and put the value of V and total resistance in the following expression we will get total current.
$I = \dfrac{V}{R}$
After this, put the value of current and resistance we will get a desired solution.
Complete step by step answer:
From the diagram it is clear that $5\Omega $ and $10\Omega $ resistances are connected in parallel and both are connected with $7\Omega $ in series. So, we can write total resistance is
Let
${R_1} = 5\Omega $
${R_2} = 10\Omega $
${R_3} = 7\Omega $
${R_{total}} = {R_3} + \dfrac{{{R_1}{R_2}}}{{{R_1} + {R_2}}}$
$ = 7 + \dfrac{{5 \times 10}}{{5 + 10}}$
$ = 7 + \dfrac{{50}}{{15}}$
$ = \dfrac{{(7 \times 15) + 50}}{{15}}$
$ = \dfrac{{155}}{{15}}$
${R_{total}} = 10.33\Omega $
Let the applied voltage be V.
So, according to ohm’s law
$V = IR$
$\implies I = \dfrac{V}{R}$
$\implies {R_{total}} = 10.33\Omega $
$\implies I = \dfrac{V}{{10.33}}$
$\implies I = 0.09680Vamp$
So, the potential difference across $7\Omega $ resistor as
$V' = (I)(7\Omega )$
$\implies V' = \dfrac{{0.9680V}}{7}$
$\therefore V' = 0.01380V$
Hence the potential difference across $7\Omega $ resistor is $0.0138$ time of total voltage applied.
Note:
Many times students may get confused between current and voltage concepts in series and parallel combination.
In series combination, the value of current in each resistance is the same.
In parallel combination, the potential difference in voltage across each resistance is the same.
For series ${R_{eqn}} = {R_1} + {R_2} + {R_3} +.. ...$
For parallel $\dfrac{1}{{{R_{eqn}}}} = \dfrac{1}{{{R_1}}} + \dfrac{1}{{{R_2}}} + \dfrac{1}{{{R_3}}} +.. ...$
After then assume total potential difference is V and put the value of V and total resistance in the following expression we will get total current.
$I = \dfrac{V}{R}$
After this, put the value of current and resistance we will get a desired solution.
Complete step by step answer:
From the diagram it is clear that $5\Omega $ and $10\Omega $ resistances are connected in parallel and both are connected with $7\Omega $ in series. So, we can write total resistance is
Let
${R_1} = 5\Omega $
${R_2} = 10\Omega $
${R_3} = 7\Omega $
${R_{total}} = {R_3} + \dfrac{{{R_1}{R_2}}}{{{R_1} + {R_2}}}$
$ = 7 + \dfrac{{5 \times 10}}{{5 + 10}}$
$ = 7 + \dfrac{{50}}{{15}}$
$ = \dfrac{{(7 \times 15) + 50}}{{15}}$
$ = \dfrac{{155}}{{15}}$
${R_{total}} = 10.33\Omega $
Let the applied voltage be V.
So, according to ohm’s law
$V = IR$
$\implies I = \dfrac{V}{R}$
$\implies {R_{total}} = 10.33\Omega $
$\implies I = \dfrac{V}{{10.33}}$
$\implies I = 0.09680Vamp$
So, the potential difference across $7\Omega $ resistor as
$V' = (I)(7\Omega )$
$\implies V' = \dfrac{{0.9680V}}{7}$
$\therefore V' = 0.01380V$
Hence the potential difference across $7\Omega $ resistor is $0.0138$ time of total voltage applied.
Note:
Many times students may get confused between current and voltage concepts in series and parallel combination.
In series combination, the value of current in each resistance is the same.
In parallel combination, the potential difference in voltage across each resistance is the same.
Recently Updated Pages
A man running at a speed 5 ms is viewed in the side class 12 physics CBSE

The number of solutions in x in 02pi for which sqrt class 12 maths CBSE

State and explain Hardy Weinbergs Principle class 12 biology CBSE

Write any two methods of preparation of phenol Give class 12 chemistry CBSE

Which of the following statements is wrong a Amnion class 12 biology CBSE

Differentiate between action potential and resting class 12 biology CBSE

Trending doubts
How much time does it take to bleed after eating p class 12 biology CBSE

When was the first election held in India a 194748 class 12 sst CBSE

Differentiate between homogeneous and heterogeneous class 12 chemistry CBSE

The first microscope was invented by A Leeuwenhoek class 12 biology CBSE

Dihybrid cross is made between RRYY yellow round seed class 12 biology CBSE

Drive an expression for the electric field due to an class 12 physics CBSE

