
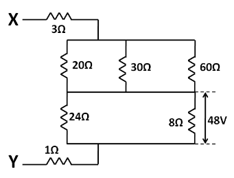
The potential difference across $ 8 $ ohm resistance is $ 48 $ volt as shown in the figure. The value of potential difference across X and Y points will be
(A) $ 128 $ volt
(B) $ 160 $ volt
(C) $ 80 $ volt
(D) $ 62 $ volt
Answer
569.1k+ views
Hint : To solve this question, we need to assume a battery between the points X and Y of emf equal to the unknown potential difference. Then we have to simplify the circuit by calculating the parallel equivalent resistance.
Complete step by step answer
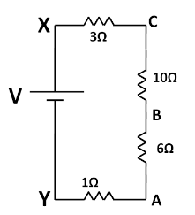
Let the potential difference across X and Y points be $ V $ . So let us consider a battery of emf $ V $ connected across the points X and Y as shown in the figure below.
According to the question, the potential difference across the $ 8 $ ohm resistance is equal to $ 48 $ volt. So referring to the above figure, the potential difference between the points A and B is $ 48 $ volt. According to the polarity of the battery, the point B should be at a higher potential than the point A. So we have
$\Rightarrow {V_{BA}} = 8{\text{V}} $ ……………………….(1)
Now, the $ 24\Omega $ and $ 8\Omega $ resistances are in parallel combination across the point A and B. So the equivalent resistance between the points A and B, $ {R_{AB}} $ is given by
$\Rightarrow \dfrac{1}{{{R_{AB}}}} = \dfrac{1}{8} + \dfrac{1}{{24}} $
On solving we get
$\Rightarrow {R_{AB}} = 6\Omega $
Also, across the points B and C, the $ 20\Omega ,30\Omega ,60\Omega $ resistances are arranged in parallel combination. So the equivalent resistance across the points B and C is given by
$\Rightarrow \dfrac{1}{{{R_{BC}}}} = \dfrac{1}{{20}} + \dfrac{1}{{30}} + \dfrac{1}{{60}} $
On solving we get
$\Rightarrow {R_{BC}} = 10\Omega $
So the above circuit can be redrawn as
Now, let $ I $ be the current in the circuit. From Ohm’s law we have
$\Rightarrow V = IR $ ..........................(2)
Now, the equivalent resistance in the circuit is given by
$\Rightarrow R = 3\Omega + 10\Omega + 6\Omega + 1\Omega $
$ \Rightarrow R = 20\Omega $
So from (2) we have
$\Rightarrow V = 20I $
$ \Rightarrow I = \dfrac{V}{{20}} $ ........................(3)
The potential difference across the points A and B is equal to that across the $ 6\Omega $ resistance. Therefore we have
$\Rightarrow {V_{BA}} = 6I $
From (3)
$\Rightarrow {V_{BA}} = \dfrac{{6V}}{{20}} $ ........................(4)
Equating (1) and (4) we have
$\Rightarrow \dfrac{{6V}}{{20}} = 48 $
$ \Rightarrow V = 160{\text{V}} $
Thus, the potential difference between the points X and Y is equal to $ 160 $ volts.
Hence, the correct answer is option B.
Note
The points X and Y are not shown to be connected through any battery in the figure given in the question. But the potential difference which is given across the $ 8 $ ohm resistance clearly indicates that a voltage source must be present there. Hence we were able to assume the battery between X and Y.
Complete step by step answer
Let the potential difference across X and Y points be $ V $ . So let us consider a battery of emf $ V $ connected across the points X and Y as shown in the figure below.
According to the question, the potential difference across the $ 8 $ ohm resistance is equal to $ 48 $ volt. So referring to the above figure, the potential difference between the points A and B is $ 48 $ volt. According to the polarity of the battery, the point B should be at a higher potential than the point A. So we have
$\Rightarrow {V_{BA}} = 8{\text{V}} $ ……………………….(1)
Now, the $ 24\Omega $ and $ 8\Omega $ resistances are in parallel combination across the point A and B. So the equivalent resistance between the points A and B, $ {R_{AB}} $ is given by
$\Rightarrow \dfrac{1}{{{R_{AB}}}} = \dfrac{1}{8} + \dfrac{1}{{24}} $
On solving we get
$\Rightarrow {R_{AB}} = 6\Omega $
Also, across the points B and C, the $ 20\Omega ,30\Omega ,60\Omega $ resistances are arranged in parallel combination. So the equivalent resistance across the points B and C is given by
$\Rightarrow \dfrac{1}{{{R_{BC}}}} = \dfrac{1}{{20}} + \dfrac{1}{{30}} + \dfrac{1}{{60}} $
On solving we get
$\Rightarrow {R_{BC}} = 10\Omega $
So the above circuit can be redrawn as
Now, let $ I $ be the current in the circuit. From Ohm’s law we have
$\Rightarrow V = IR $ ..........................(2)
Now, the equivalent resistance in the circuit is given by
$\Rightarrow R = 3\Omega + 10\Omega + 6\Omega + 1\Omega $
$ \Rightarrow R = 20\Omega $
So from (2) we have
$\Rightarrow V = 20I $
$ \Rightarrow I = \dfrac{V}{{20}} $ ........................(3)
The potential difference across the points A and B is equal to that across the $ 6\Omega $ resistance. Therefore we have
$\Rightarrow {V_{BA}} = 6I $
From (3)
$\Rightarrow {V_{BA}} = \dfrac{{6V}}{{20}} $ ........................(4)
Equating (1) and (4) we have
$\Rightarrow \dfrac{{6V}}{{20}} = 48 $
$ \Rightarrow V = 160{\text{V}} $
Thus, the potential difference between the points X and Y is equal to $ 160 $ volts.
Hence, the correct answer is option B.
Note
The points X and Y are not shown to be connected through any battery in the figure given in the question. But the potential difference which is given across the $ 8 $ ohm resistance clearly indicates that a voltage source must be present there. Hence we were able to assume the battery between X and Y.
Recently Updated Pages
Master Class 12 Economics: Engaging Questions & Answers for Success

Master Class 12 Physics: Engaging Questions & Answers for Success

Master Class 12 English: Engaging Questions & Answers for Success

Master Class 12 Social Science: Engaging Questions & Answers for Success

Master Class 12 Maths: Engaging Questions & Answers for Success

Master Class 12 Business Studies: Engaging Questions & Answers for Success

Trending doubts
Which are the Top 10 Largest Countries of the World?

What are the major means of transport Explain each class 12 social science CBSE

Draw a labelled sketch of the human eye class 12 physics CBSE

Why cannot DNA pass through cell membranes class 12 biology CBSE

Differentiate between insitu conservation and exsitu class 12 biology CBSE

Draw a neat and well labeled diagram of TS of ovary class 12 biology CBSE

