
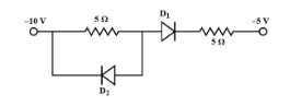
In each of the following circuit diagrams identify which diode is (are) forward biased?
$\left( {\text{A}} \right)$ Only \[D2\]
$\left( {\text{B}} \right)$ Only \[D1\]
$\left( {\text{C}} \right)$ Both \[D1\] and\[D2\]
$\left( {\text{D}} \right)$ Neither\[D1\] nor\[D2\]
Answer
561.3k+ views
Hint:Check the direction of flow of current from the given potential difference.
Check from which side the current is entering and leaving the diode.
Complete step by step solution:
When we apply an external voltage across the diode in such a way that the p-side of the semiconductor is connected to the positive side of the battery and the n-side of the diode is connected to the negative then the diode is said to be forward biased. In other words if the current in the diode enters from the p-side, then it is forward biased. If the current in the diode enters from the n-side, then the diode is said to be reverse biased.
In the above circuit, the voltage on the right is greater than the voltage on the left side, thus, the current will flow from right to left side in the circuit.
For \[D1\], the current enters from n-side and leaves from the p-side which implies that the diode will be reverse biased.
For \[D2\], the current enters from the p-side and leaves from the n-side which implies that the diode will be forward biased.
Thus the answer will be a, only \[D2\].
Hence the correct option is $\left( {\text{A}} \right)$
Additional information: In forward bias the resistance in the circuit decreases and hence more current flows in the circuit. In reverse bias, the resistance increases and hence less current flow in the circuit.
NOTE:For these types of questions, check which side has higher potential, the current flows from that direction, if you encounter the p-side first for the diode then it is forward biased, if you encounter the n-side first then it will be reverse biased.
Check from which side the current is entering and leaving the diode.
Complete step by step solution:
When we apply an external voltage across the diode in such a way that the p-side of the semiconductor is connected to the positive side of the battery and the n-side of the diode is connected to the negative then the diode is said to be forward biased. In other words if the current in the diode enters from the p-side, then it is forward biased. If the current in the diode enters from the n-side, then the diode is said to be reverse biased.
In the above circuit, the voltage on the right is greater than the voltage on the left side, thus, the current will flow from right to left side in the circuit.
For \[D1\], the current enters from n-side and leaves from the p-side which implies that the diode will be reverse biased.
For \[D2\], the current enters from the p-side and leaves from the n-side which implies that the diode will be forward biased.
Thus the answer will be a, only \[D2\].
Hence the correct option is $\left( {\text{A}} \right)$
Additional information: In forward bias the resistance in the circuit decreases and hence more current flows in the circuit. In reverse bias, the resistance increases and hence less current flow in the circuit.
NOTE:For these types of questions, check which side has higher potential, the current flows from that direction, if you encounter the p-side first for the diode then it is forward biased, if you encounter the n-side first then it will be reverse biased.
Recently Updated Pages
Master Class 12 Business Studies: Engaging Questions & Answers for Success

Master Class 12 Economics: Engaging Questions & Answers for Success

Master Class 12 English: Engaging Questions & Answers for Success

Master Class 12 Maths: Engaging Questions & Answers for Success

Master Class 12 Social Science: Engaging Questions & Answers for Success

Master Class 12 Chemistry: Engaging Questions & Answers for Success

Trending doubts
What are the major means of transport Explain each class 12 social science CBSE

Which are the Top 10 Largest Countries of the World?

Draw a labelled sketch of the human eye class 12 physics CBSE

How much time does it take to bleed after eating p class 12 biology CBSE

Explain sex determination in humans with line diag class 12 biology CBSE

Differentiate between homogeneous and heterogeneous class 12 chemistry CBSE

